电脑桌面
添加小米粒文库到电脑桌面
安装后可以在桌面快捷访问

混凝土用石作业指导书-secret

混凝土用石作业指导书-secret_第1页
1/21
混凝土用石作业指导书-secret_第2页
2/21
混凝土用石作业指导书-secret_第3页
3/21
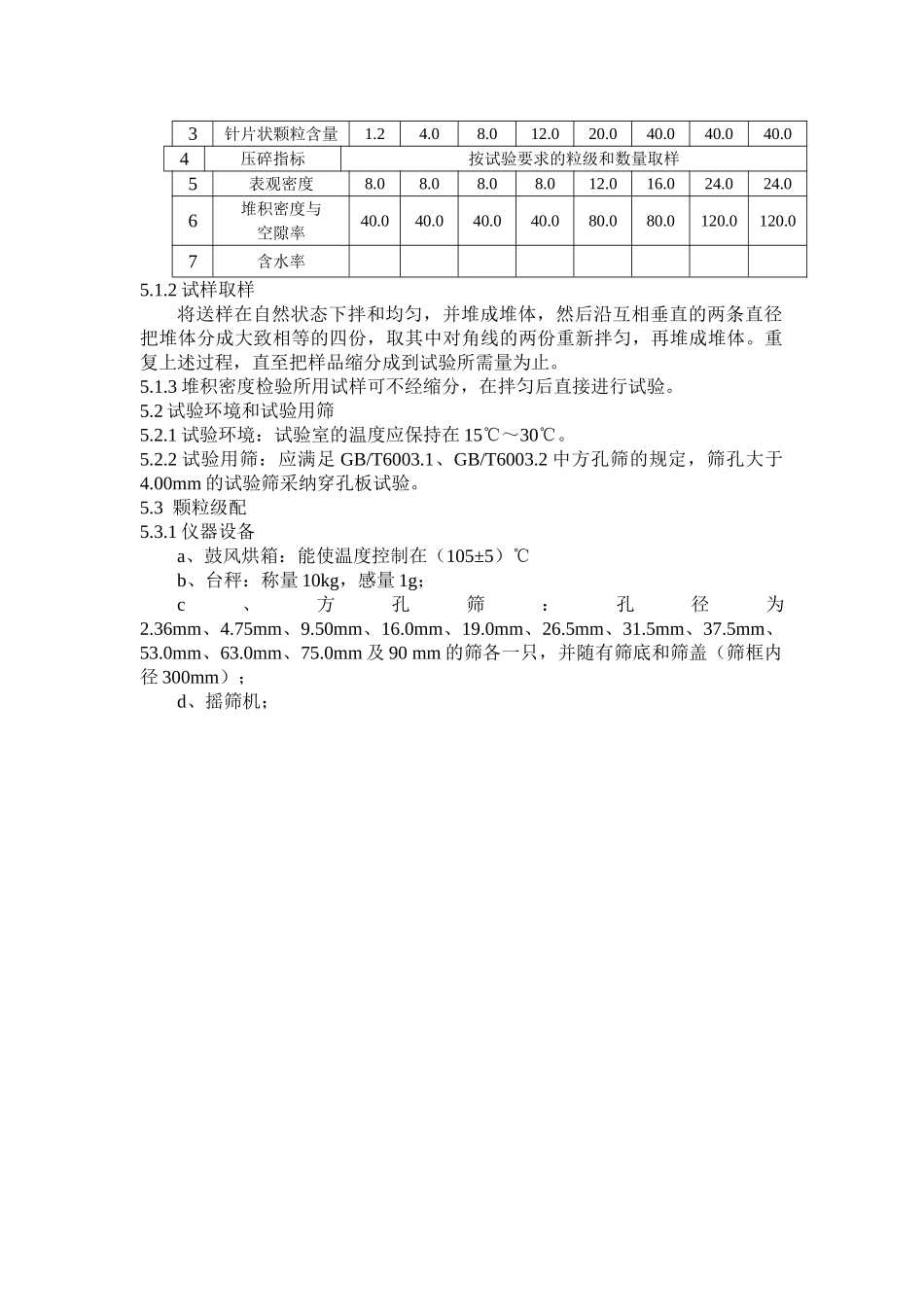
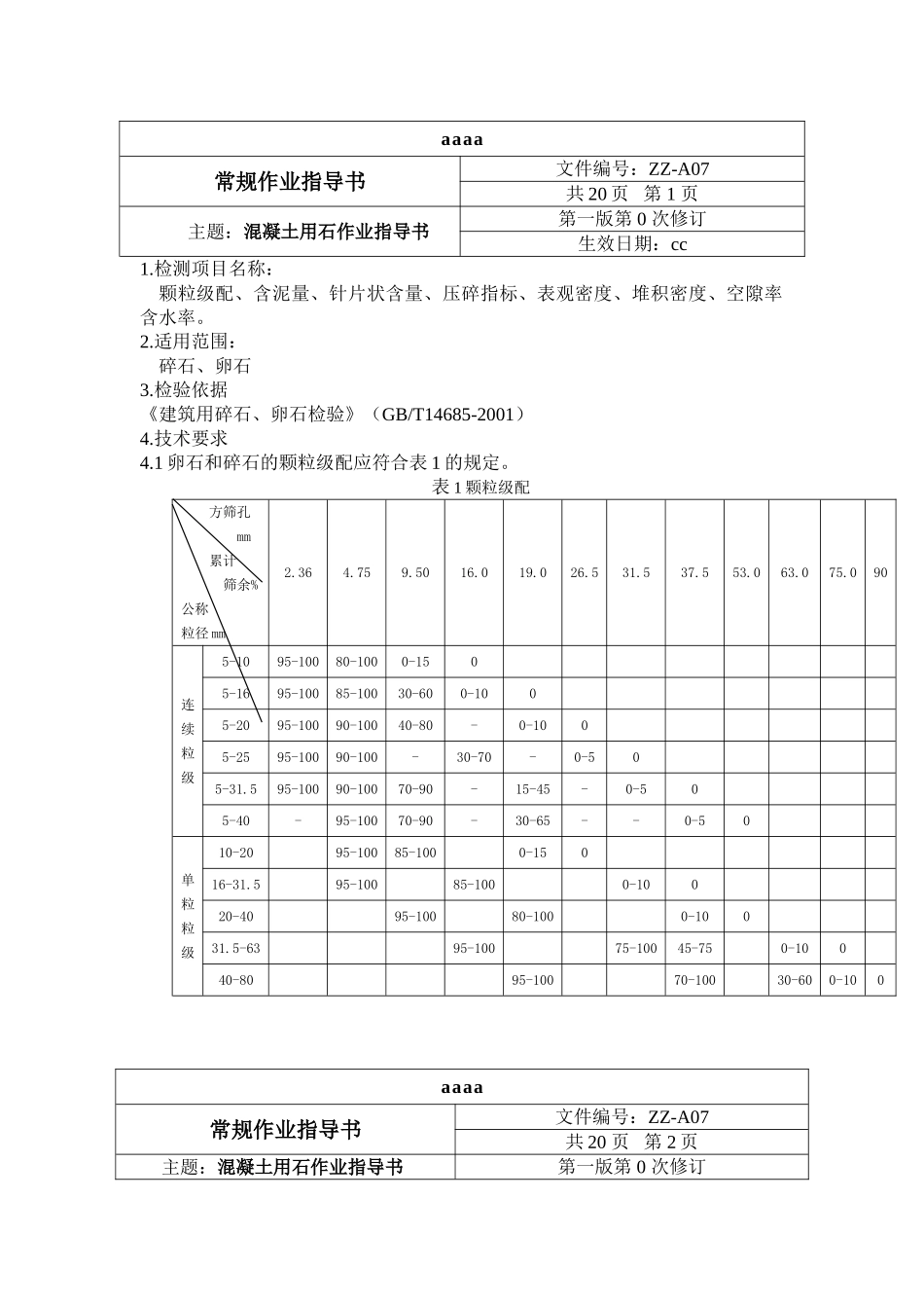
aaaa常规作业指导书文件编号:ZZ-A07共 20 页 第 1 页主题:混凝土用石作业指导书第一版第 0 次修订生效日期:cc1.检测项目名称:颗粒级配、含泥量、针片状含量、压碎指标、表观密度、堆积密度、空隙率含水率。2.适用范围:碎石、卵石3.检验依据《建筑用碎石、卵石检验》(GB/T14685-2001)4.技术要求4.1 卵石和碎石的颗粒级配应符合表 1 的规定。表 1 颗粒级配方筛孔mm累计筛余%公称粒径 mm2.364.759.5016.019.026.531.537.553.063.075.090连续粒级5-1095-10080-1000-1505-1695-10085-10030-600-1005-2095-10090-10040-80-0-1005-2595-10090-100-30-70-0-505-31.595-10090-10070-90-15-45-0-505-40-95-10070-90-30-65--0-50单粒粒级10-2095-10085-1000-15016-31.595-10085-1000-10020-4095-10080-1000-10031.5-6395-10075-10045-750-10040-8095-10070-10030-600-100aaaa常规作业指导书文件编号:ZZ-A07共 20 页 第 2 页主题:混凝土用石作业指导书第一版第 0 次修订生效日期:cc4.2 含泥量和泥块含量碎石、卵石的含泥量和泥块含量应符合表 2 的规定表 2项目指 标含泥量(按质量计)%I 类II 类III 类<0.5<1.0<1.5泥块含量(按质量计)%0<0.5<0.74.3 针片状颗粒含量卵石和碎石的针片状颗粒含量应符合表 3 规定项目指 标针片状颗粒(按质量计)%I 类II 类III 类<5<15<254.4 压碎指标压碎指标值应小于表 4 的规定表 4 压碎指标项目指 标I 类II 类III 类碎石压碎指标<10<20<30卵石压碎指标<12<16<164.5 表观密度堆积密度空隙率表观密度、堆积密度、空隙率应符合如下规定:表观密度大于 2500kg/m3;松散堆积密度大于 1350kg/m3;空隙率小于 47%。5 试验方法5.1 试样5.1.1 试样数量单项试验的最小值数量应符合表 5 的规定。做几项试验时;如确能保证试样经一项试验后不致影响另一项试验的结果,可用同一试样进行几项不同试验。常规作业指导书文件编号:ZZ-A07共 20 页 第 3 页主题:混凝土用石作业指导书第一版第 0 次修订生效日期:cc表 7 单项试验取样数量序号试验项目不同最大粒径(mm)下的最少取样量9.516.019.026.531.537.563.075.01颗粒级配9.516.019.025.031.537.563.080.02含泥量8.08.024.024.040.040.080.080.03针片状颗粒含量1.24.08.012.020.040.040.040.04压碎指标按试验要求的粒级和数量取样5表观密度8.08.08.08.012.016.024.024.06堆积密度与空隙率40.040.0...

1、当您付费下载文档后,您只拥有了使用权限,并不意味着购买了版权,文档只能用于自身使用,不得用于其他商业用途(如 [转卖]进行直接盈利或[编辑后售卖]进行间接盈利)。
2、本站所有内容均由合作方或网友上传,本站不对文档的完整性、权威性及其观点立场正确性做任何保证或承诺!文档内容仅供研究参考,付费前请自行鉴别。
3、如文档内容存在违规,或者侵犯商业秘密、侵犯著作权等,请点击“违规举报”。

碎片内容

混凝土用石作业指导书-secret

MY shop+ 关注
实名认证
内容提供者

欢迎挑选适合自己的材料。

确认删除?
VIP
微信客服
  • 扫码咨询
会员Q群
  • 会员专属群点击这里加入QQ群
客服邮箱
回到顶部