电脑桌面
添加小米粒文库到电脑桌面
安装后可以在桌面快捷访问

温州方案设计说明

温州方案设计说明_第1页
1/13
温州方案设计说明_第2页
2/13
温州方案设计说明_第3页
3/13
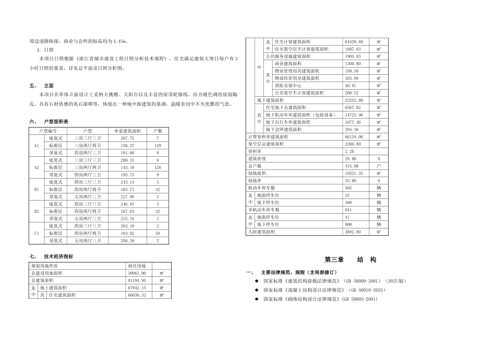
图纸目录0001 ~0005 效果图0006 彩色总平图0007 方案设计说明0101~0107 总图0201~0213 1#楼0301~0312 2#楼0401~0412 3#楼0501~0512 5#楼0601~0613 6#楼0701~0713 7#楼0801~0813 8#楼0901~0905 商业1001~1006 会所1101~1102 地库第一章 总 论一、设计依据业主提供的方案设计任务书甲乙双方签订的《建筑工程设计合同》(TH09128)《关于虹桥镇河深桥村 E-e-10 出让地块规划设计条件的函》(乐规建[2025]362 号)业主提供的用地红线图业主提供的电子地形图《温州市规划管理技术审批规定》(试行)《浙江省城市住宅建筑设计标准》(DBJ10-6-98)国家、浙江省及温州市其他有关设计法律规范、标准二、工程概况 本项目是由温州宏源房地产有限公司开发的高档住宅小区。项目位于温州乐清市,用地性质 :商住。地块位于虹桥镇河深桥村,与蒲岐工业园区接壤。地块位于飞虹南路以西,规划道路以东、以北,紧临东干河,环境优越。项目产品定位为高档高层住宅,辅以会所及沿街配套商业。 本项目设计主要要求:容积率≤2.2,建筑密度≤28%,建筑面积≤66134㎡,建筑高度≤60m,建筑层数≤18 层,绿化率≥35%。三、主要技术经济指标建筑总用地面积: 30061.00㎡建筑总面积: 91194.95㎡地上建筑面积: 67942.15㎡地下建筑面积: 23252.80㎡计算容积率面积: 66134.00㎡容积率: 2.20建筑密度: 28.00%绿地率: 35.00%第二章 建 筑一、规划设计理念家园,意味高品质生活环境,象征美好的生活体验。或舒适宜人,亲切而温暖,或尊贵典雅,非凡而大气,家园作为生活方式和生活理念的载体,时刻彰显主人的独特品味。本方案设计立足于制造出梦想中的高品质住宅——家。正可谓“左右皆逢源,动静两相宜”,既享受别墅生活的尊贵和私密,又不乏市区生活的便利与多姿。总体布局突出多进院落,中轴对称,居中为贵,营造尊贵的外部生活空间,享受帝王般的荣耀;建筑设计打造专属高端精英人群的悠然生活空间,提供完善便捷的服务设施。二、总平面设计1.基地环境 本项目地处温州乐清市虹桥镇河深桥村,与蒲岐工业园区接壤。地块位于飞虹南路以西,规划道路以东、以北,紧临东干河,环境优越。 2.出入口设置小区设置两个出入口,分别位于小区的东侧和南侧,有利对接未来城市进展。3.总体布局模式“前庭后院”:总体布局以院落为主题,采纳多进院落的规划模式。南院空间间凑,结合景观廊道,营造区域入口形...

1、当您付费下载文档后,您只拥有了使用权限,并不意味着购买了版权,文档只能用于自身使用,不得用于其他商业用途(如 [转卖]进行直接盈利或[编辑后售卖]进行间接盈利)。
2、本站所有内容均由合作方或网友上传,本站不对文档的完整性、权威性及其观点立场正确性做任何保证或承诺!文档内容仅供研究参考,付费前请自行鉴别。
3、如文档内容存在违规,或者侵犯商业秘密、侵犯著作权等,请点击“违规举报”。

碎片内容

温州方案设计说明

您可能关注的文档

确认删除?
VIP
微信客服
  • 扫码咨询
会员Q群
  • 会员专属群点击这里加入QQ群
客服邮箱
回到顶部