电脑桌面
添加小米粒文库到电脑桌面
安装后可以在桌面快捷访问

热电厂脱硫岛施工组织设计

热电厂脱硫岛施工组织设计_第1页
1/56
热电厂脱硫岛施工组织设计_第2页
2/56
热电厂脱硫岛施工组织设计_第3页
3/56
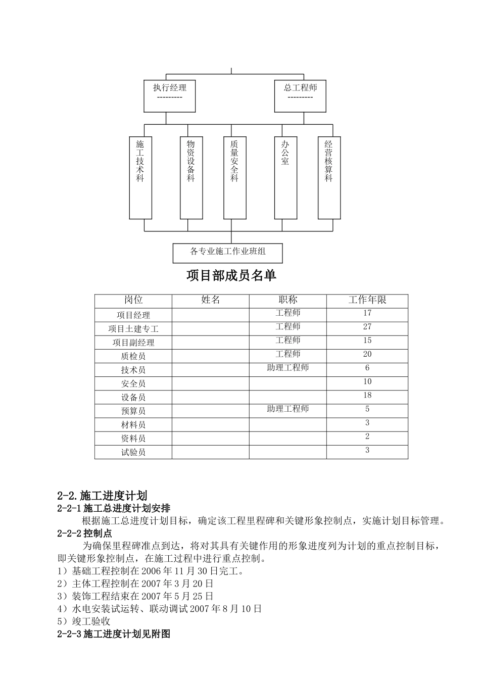
第一章 编制依据和工程概况1-1 编制依据1-1-1,,,,城热电厂脱硫岛施工图纸;1-1-2《建筑施工手册》第四版1-1-3 国家、行业有关现行施工法律规范、标准、规程、法规或图集;(见 56 页第十三章)1-1-4 国家现行的施工及验收法律规范;1-1-5 建设部推广的十项新技术;1-1-6 国家及地方规定的强制性标准和条例;1-2 工程概况1-2-1.工程建设概况1-2-2.工程结构设计概况1-2-4.工程特点:本工程桩基础、钢筋混凝土承台、设备基础多为大体积混凝土且混凝土量大,在施工中由于水化热较大,容易产生裂缝。对混凝土要求严格,混凝土表面为清水混凝土,所以对模工程名称-----城热电厂脱硫岛工程地址---城热电厂场区内建设单位-----集团有限公司勘察设计单位河北省电力勘测设计讨论院总承包单位----电力股份有限公司监理单位----电力工程监理有限公司序号名称轴线尺寸用地面积备注01综合泵房24×17408建筑物02 吸收塔Ф15.4186.17构筑物03石灰石粉仓Ф7.7547.14构筑物04事故浆液池与吸收塔排水坑234构筑物05烟道支架984.8构筑物06升压风机基础210.67构筑物07石膏抛弃箱Ф738.465构筑物08工艺水箱Ф628.26构筑物板要求质量较高。第二章 施工部署2-1 施工组织机构工程采纳项目管理的组织形式,组建项目经理部.设项目经理、项目副经理、项目工程师各一名,项目经理部下设施工技术科、质量安全科、经营核算科、物资设备科、办公室(消防、保卫)、以及各专业施工队(详见如下项目部组织机构图)。项目经理部负责整个工程进度、质量、安全、文明施工、工期和成本核算等进行科学、高效和有计划的组织管理 本项目部各部门职责范围如下:项 目 经理:负责整个项目的施工计划、生产进度控制、质量控制、安全管理、成本控制等全面工作。项目副经理:负责施工中的各项施工生产调度工作,对进度、质量、安全负直接责任。项 目 专工:负责施工中的全面技术管理,协助项目经理对工程质量、安全,进行监控和管理,并组织实施公司程序文件等。施工技术科:负责施工组织设计、作业指导书、报验书、预决算等的编制工作,负责项目经理部施工技术管理,编制年、季度、月度生产计划,作好生产平衡调度以及计划统计等工作。质量安全科:负责工程质量的安全检查、监督,并核定分项、分部工程质量等级;组织开展全面质量、安全管理活动。 物资设备科:根据施工进度分批组织材料供应,负责机械设备、周转材料的租赁、维修和管理,并负责公司物资设备处主控程序实施。...

1、当您付费下载文档后,您只拥有了使用权限,并不意味着购买了版权,文档只能用于自身使用,不得用于其他商业用途(如 [转卖]进行直接盈利或[编辑后售卖]进行间接盈利)。
2、本站所有内容均由合作方或网友上传,本站不对文档的完整性、权威性及其观点立场正确性做任何保证或承诺!文档内容仅供研究参考,付费前请自行鉴别。
3、如文档内容存在违规,或者侵犯商业秘密、侵犯著作权等,请点击“违规举报”。

碎片内容

热电厂脱硫岛施工组织设计

您可能关注的文档

确认删除?
VIP
微信客服
  • 扫码咨询
会员Q群
  • 会员专属群点击这里加入QQ群
客服邮箱
回到顶部