电脑桌面
添加小米粒文库到电脑桌面
安装后可以在桌面快捷访问

热电厂锅炉水冷壁安装作业指导书

热电厂锅炉水冷壁安装作业指导书_第1页
1/12
热电厂锅炉水冷壁安装作业指导书_第2页
2/12
热电厂锅炉水冷壁安装作业指导书_第3页
3/12
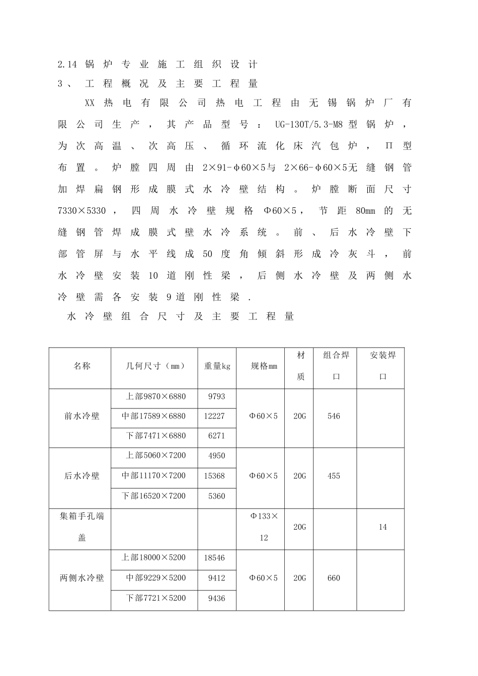
作 业 指 导 书工 程 名 称 : XX 热 电 有 限 公 司 4# 炉 扩建 工 程编 号 : 003作 业 项 目 名 称 : 水 冷 壁 安 装 作 业 指 导 书编 制 单 位 : 江 苏 XX 建 设 工 程 集 团 有 限 公 司编 写 : XXX 日 期 : 2025.6.20 审 核 : XXX 日 期 : 2025.6.20批 准 : XXX 日 期 : 2025.6.20出 版 日期2025.6.20版次第 一 版1 、适用范围 本作业指导书适用于XX热电有限公司热电工程锅炉本体受热面水冷壁的组合安装。2 、编制依据2.1锅炉说明书 无锡锅炉厂2.2锅炉安装说明书 无锡锅炉厂2.3锅炉设备图纸 无锡锅炉厂2.4 电力建设施工及验收技术法律规范(锅炉机组篇)DL/T 5047-952.5 电力建设施工及验收技术法律规范(焊接篇) DL/T 869-20252.6 电力建设施工及验收技术法律规范(管道篇) DL5031-942.7 火电施工质量检验及评定标准(管道篇)2.8 安装质量监督大刚(江苏省锅炉质量检验所)2.9 锅炉安装工序检验质量划分表2.10 蒸汽锅炉安全技术监察规程( 劳动部颁发的[1996]276 号)2.11火电施工质量验评标准 (锅炉篇1996年版)2.12火电施工质量验评标准 (焊接篇1996年版)2.13电力建设安全工作规程 DL5009 1-922.14锅炉专业施工组织设计3 、工程概况及主要工程量XX热电有限公司热电工程由无锡锅炉厂有限公司生产,其产品型号:UG-130T/5.3-M8 型锅炉,为次高温、次高压、循环流化床汽包炉,Π型布置。炉膛四周由2×91-φ60×5与2×66-φ60×5无缝钢管加焊扁钢形成膜式水冷壁结构。炉膛断面尺寸7330×5330 ,四周水冷壁规格Φ60×5 ,节距80mm的无缝钢管焊成膜式壁水冷系统。前、后水冷壁下部管屏与水平线成50度角倾斜形成冷灰斗,前水冷壁安装10道刚性梁,后侧水冷壁及两侧水冷壁需各安装9 道刚性梁. 水冷壁组合尺寸及主要工程量名称几何尺寸(mm)重量kg规格mm材质组合焊口安装焊口前水冷壁上部9870×68809793Φ60×520G546中部17589×688012227下部7471×68806271后水冷壁上部5060×72004950Φ60×520G455中部11170×720015368下部16520×72005360集箱手孔端盖Φ133×1220G14两侧水冷壁上部18000×520018546Φ60×520G660中部9229×52009412下部7721×52009436合计1661144 、参加人员的资格和要求4.1 施工人员大部分应为参加同类工作的熟练技术工人。4.2 参加高空作业人员应经过体检合格。4.3 所有参加施工人员上...

1、当您付费下载文档后,您只拥有了使用权限,并不意味着购买了版权,文档只能用于自身使用,不得用于其他商业用途(如 [转卖]进行直接盈利或[编辑后售卖]进行间接盈利)。
2、本站所有内容均由合作方或网友上传,本站不对文档的完整性、权威性及其观点立场正确性做任何保证或承诺!文档内容仅供研究参考,付费前请自行鉴别。
3、如文档内容存在违规,或者侵犯商业秘密、侵犯著作权等,请点击“违规举报”。

碎片内容

热电厂锅炉水冷壁安装作业指导书

雏圣文化+ 关注
实名认证
内容提供者

欢迎光临,大量办公文档供您挑选。

确认删除?
VIP
微信客服
  • 扫码咨询
会员Q群
  • 会员专属群点击这里加入QQ群
客服邮箱
回到顶部