电脑桌面
添加小米粒文库到电脑桌面
安装后可以在桌面快捷访问

特种设备检查记录

特种设备检查记录_第1页
1/5
特种设备检查记录_第2页
2/5
特种设备检查记录_第3页
3/5
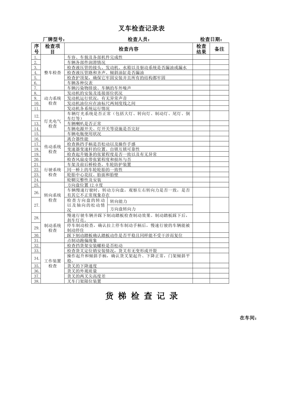
叉车检查记录表厂牌型号: 检查人员: 检查日期:货 梯 检 查 记 录在车间: 序号检查项目检查内容检查结果备注1.整车检查车容、车貌及各部机件完成性2.车辆各部件润滑情况3.检查液压管的接头、发动机、水箱以及驱动系统是否漏油或漏水4.检查液压管路和齐声、倾斜油缸是否漏油5.检查护顶架,确保它牢固安装并且所有的结构都牢固6.车辆各种仪表7.车辆污染物排放、车辆的车外噪声8.动力系统检查发动机的安装及连接部位状况9.发动机运行状况,有无异常声音10.发动机油位应在油标尺两刻度线之间11.发动机各系统运行情况12.灯光电气检查车辆灯光系统是否正常(包括大灯、转向灯、制动灯、尾灯、倒车灯等)13.车辆喇叭是否正常14.车辆电源开关、灯开关等设施是否完好15.车辆电瓶使用状况16.传动系统检查离合器性能17.检查换挡手柄是否松动以及操作手感18.变速器变速杆的位置、自锁互锁可靠性19.检查起升链条的张紧程度是否一致以及有无异常20.检查风扇皮带张紧程度和损坏与否21.行驶系统检查车架及前后桥检查,车轮防护装置22.同一桥上的车轮轮胎的一致性23.轮胎中心花纹、胎面和胎壁24.轮辋完整性及安装25.转向系统检查方向盘位置 12.0 度26.车辆慢速行驶时,转动方向盘,观察左右转向力是否一致,是否有其它不正常现象存在27.检查方向盘的转动以及轴向的松动情况转向能力方向盘转向力28.制动系统检查慢速行驶车辆并踩下制动踏板检查制动效果。制动踏板踩下后,刹车灯亮。29.停车制动检查,确认拉上停车制动手柄后,慢速行驶的车辆能被制动停住30.踩下制动踏板确认踏板动作是否平稳且同样能不受干涉而复位31.点制动跑偏现象32.工作装置检查检查挡货架安装螺栓是否松动33.检查货叉定位销安装情况,货叉有无变形或开裂34.操作起升和倾斜手柄,确认货叉架起升、下降正常,门架倾斜平稳。35.货叉的下降速度36.货叉的外观质量37.货叉的两叉尖高度差38.叉车门架限位装置压 力 管 道 检 查 记 录管道位置: 序号检查项目检 查 结 果备注1.管道位置□正常 □碰撞 □摩擦2.管道结构□正常 □翘曲 □下沉 □异常变形3.绝热层□完好 □破损 □脱落 □跑冷 □不需此项4.防腐层□完好 □破损 □脱落 □不需此项5.支吊架□完好 □间距不合理 □脱落 □变形 □腐蚀□与管道接触处积水 □恒力弹簧支吊架转体移位指示越限□变力弹簧支吊架偏斜 □变力弹簧支吊架失载□刚性支吊架状态异常 □吊杆损坏 □吊杆异常□吊杆连接配件损...

1、当您付费下载文档后,您只拥有了使用权限,并不意味着购买了版权,文档只能用于自身使用,不得用于其他商业用途(如 [转卖]进行直接盈利或[编辑后售卖]进行间接盈利)。
2、本站所有内容均由合作方或网友上传,本站不对文档的完整性、权威性及其观点立场正确性做任何保证或承诺!文档内容仅供研究参考,付费前请自行鉴别。
3、如文档内容存在违规,或者侵犯商业秘密、侵犯著作权等,请点击“违规举报”。

碎片内容

特种设备检查记录

您可能关注的文档

确认删除?
VIP
微信客服
  • 扫码咨询
会员Q群
  • 会员专属群点击这里加入QQ群
客服邮箱
回到顶部