电脑桌面
添加小米粒文库到电脑桌面
安装后可以在桌面快捷访问

电力行业安技部安全副部长关键业绩考核指标

电力行业安技部安全副部长关键业绩考核指标_第1页
1/1
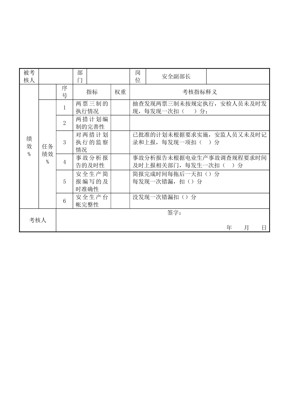
被考核人部门岗位安全副部长绩效%序号指标权重考核指标释义任务绩效%1两票三制的执行情况抽查发现两票三制未按规定执行,安检人员未及时发现,每发现一次扣( )分;2两措计划编制的完善性3对两措计划执行的监察情况已批准的计划未根据要求实施,安监人员又未及时记录和上报,每发现一项扣( )分4事故分析报告的及时性事故分析报告未根据电业生产事故调查规程要求时间及时上报相关部门,每发生一次扣( )分5安全生产简报编写的及时准确性简报完成时间每拖后一天扣()分每发现一次错漏,扣()分6安全生产台帐完整性没发现一次错漏扣()分考核人 签字:年 月 日

1、当您付费下载文档后,您只拥有了使用权限,并不意味着购买了版权,文档只能用于自身使用,不得用于其他商业用途(如 [转卖]进行直接盈利或[编辑后售卖]进行间接盈利)。
2、本站所有内容均由合作方或网友上传,本站不对文档的完整性、权威性及其观点立场正确性做任何保证或承诺!文档内容仅供研究参考,付费前请自行鉴别。
3、如文档内容存在违规,或者侵犯商业秘密、侵犯著作权等,请点击“违规举报”。

碎片内容

电力行业安技部安全副部长关键业绩考核指标

您可能关注的文档

确认删除?
VIP
微信客服
  • 扫码咨询
会员Q群
  • 会员专属群点击这里加入QQ群
客服邮箱
回到顶部