电脑桌面
添加小米粒文库到电脑桌面
安装后可以在桌面快捷访问

监理工作标准化指导书(沉入桩工程)VIP专享

监理工作标准化指导书(沉入桩工程)_第1页
1/8
监理工作标准化指导书(沉入桩工程)_第2页
2/8
监理工作标准化指导书(沉入桩工程)_第3页
3/8
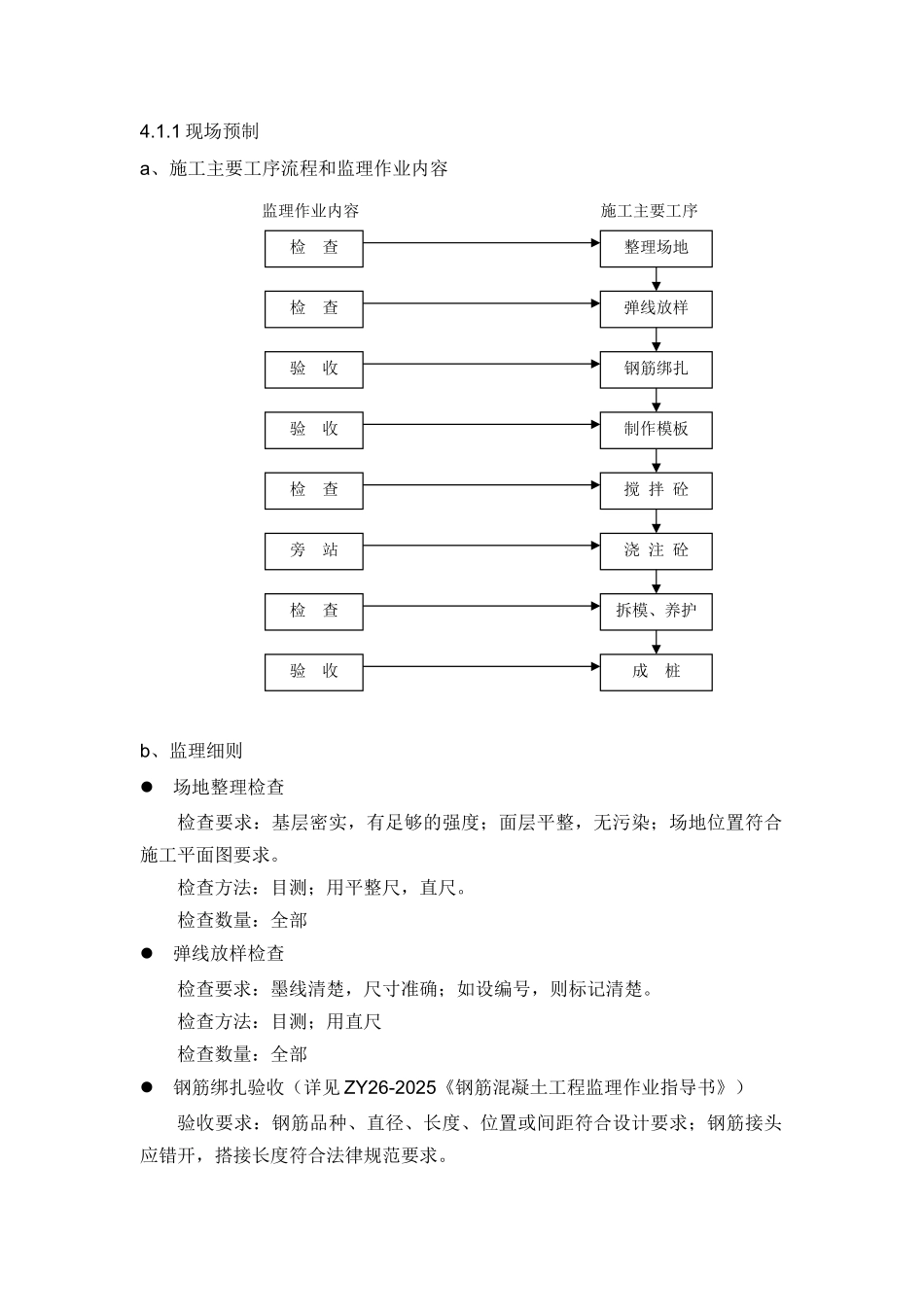
沉入桩工程监理作业指导书1、总则为了提高我监理公司对沉入桩的监理服务质量,特编制本作业指导书。2、作业指导对象2.1 本指导书适用于指导沉入桩工程的现场质量监理人员的监理工作。3、沉入桩工程监理依据3.1《地基与基础工程及验收法律规范》(GB50202—2000);3.2《建筑过程质量检验评定标准》(GBJ301-88);3.3《建筑桩基技术法律规范》(JGJ94-94);3.4 设计图纸和设计变更与设计相关并经设计和业主确认的会议纪要;3.5 经审查后的施工组织设计。4、沉入桩工程监理作业手册4.1 桩的预制 沉入桩的预制有两种情况:一种是承包商现场制桩,另一种是承包商向预制品厂家购买成品桩。4.1.1 现场预制a、施工主要工序流程和监理作业内容b、监理细则场地整理检查检查要求:基层密实,有足够的强度;面层平整,无污染;场地位置符合施工平面图要求。检查方法:目测;用平整尺,直尺。检查数量:全部弹线放样检查检查要求:墨线清楚,尺寸准确;如设编号,则标记清楚。检查方法:目测;用直尺检查数量:全部钢筋绑扎验收(详见 ZY26-2025《钢筋混凝土工程监理作业指导书》)验收要求:钢筋品种、直径、长度、位置或间距符合设计要求;钢筋接头应错开,搭接长度符合法律规范要求。施工主要工序监理作业内容检 查检 查验 收验 收检 查旁 站检 查验 收整理场地弹线放样钢筋绑扎成 桩拆模、养护浇 注 砼搅 拌 砼制作模板验收方法:目测;用直尺验收数量:总桩数的 20%制作模板验收(详见 ZY26-2025《钢筋混凝土工程监理作业指导书》)验收要求:模板表面光洁、牢固;尺寸符合图纸要求;构件居中,周边留有保护层厚度;验收方法:目测;用直尺验收数量:总桩数的 20%搅拌砼检查(详见 ZY26-2025《钢筋混凝土工程监理作业指导书》)检查要求:拌料质量符合要求;拌料数量符合配合比及法律规范允许偏差要求;放入顺序准确;搅拌均匀,充分;和易性良好。检查方法:目测;使用磅秤、坍落筒、直尺检查数量:每拌浇注砼旁站(详见 ZY26-2025《钢筋混凝土工程监理作业指导书》)旁站要求:浇注应根据顺序进行;振捣棒的插入间距、频率、深度符合要求;检查模板漏浆、钢筋移位情况;试块取样应合理。旁站方法:目测;使用直尺旁站数量:全部拆模、养护检查(详见 ZY26-2025《钢筋混凝土工程监理作业指导书》)检查要求:拆模时间、养护时间、养护条件符合要求;检查方法:目测检查数量:总桩数的 20%成桩验收验收要求...

1、当您付费下载文档后,您只拥有了使用权限,并不意味着购买了版权,文档只能用于自身使用,不得用于其他商业用途(如 [转卖]进行直接盈利或[编辑后售卖]进行间接盈利)。
2、本站所有内容均由合作方或网友上传,本站不对文档的完整性、权威性及其观点立场正确性做任何保证或承诺!文档内容仅供研究参考,付费前请自行鉴别。
3、如文档内容存在违规,或者侵犯商业秘密、侵犯著作权等,请点击“违规举报”。

碎片内容

监理工作标准化指导书(沉入桩工程)

确认删除?
VIP
微信客服
  • 扫码咨询
会员Q群
  • 会员专属群点击这里加入QQ群
客服邮箱
回到顶部