电脑桌面
添加小米粒文库到电脑桌面
安装后可以在桌面快捷访问

硬母线安装质量管理

硬母线安装质量管理_第1页
1/10
硬母线安装质量管理_第2页
2/10
硬母线安装质量管理_第3页
3/10
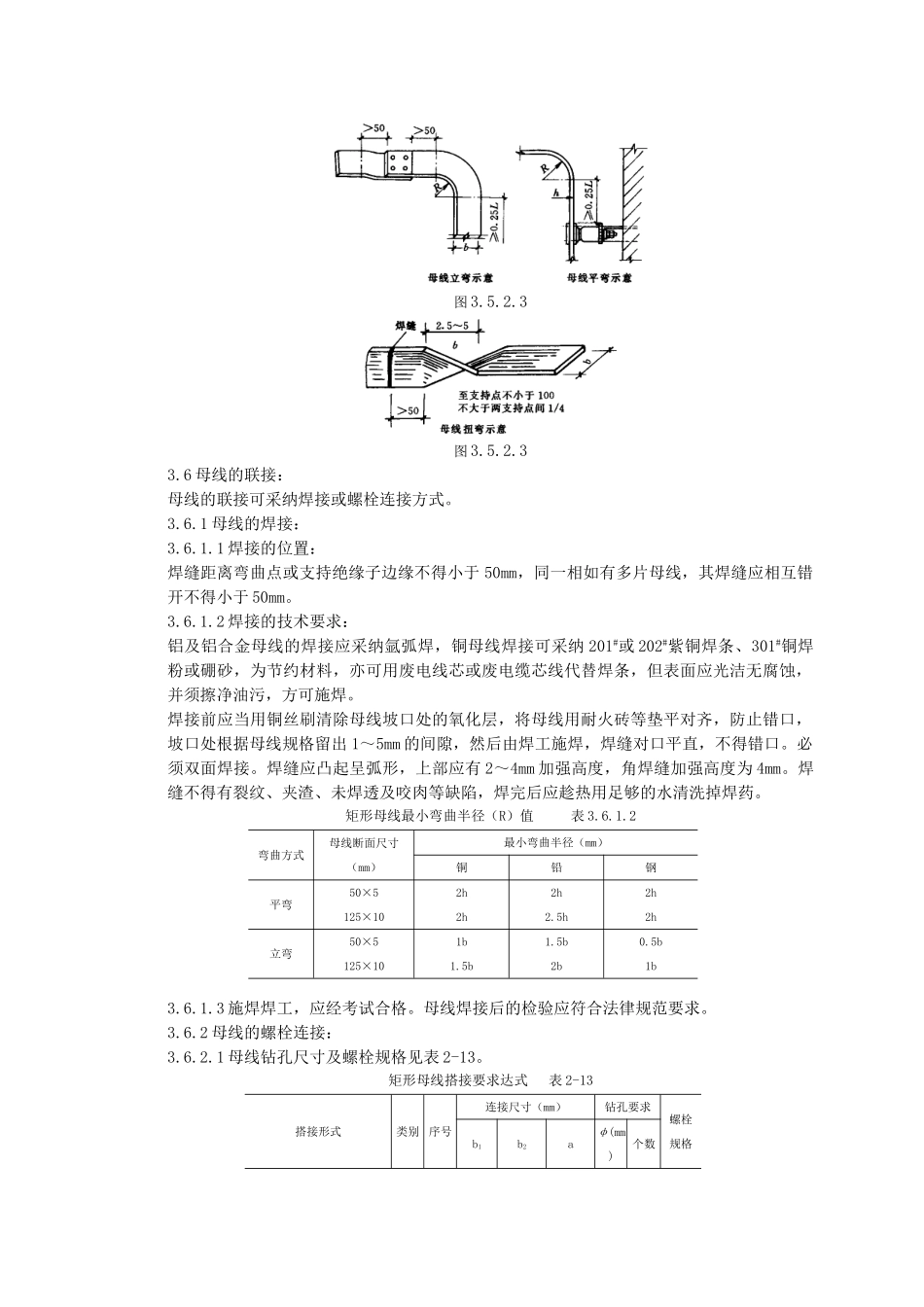
硬母线安装质量管理依据标准:《建筑工程施工质量验收统一标准》GB50300-2001《建筑电气工程施工质量验收法律规范》GB50303-20251、范围本工艺标准适用于 10kV 以下矩型母线安装。2、施工准备2.1 材料要求:2.1.1 铜、铝母线应有产品合格及材质证明,并符合表 2.1.1 的要求。母线的机械性能和电阻率 表 2.1.1母线名称母线型号最小抗拉强度(N/mm2)最小伸长率(%)20℃时最大电阻率(Ω·mm2/m)铜母线TMY25560.0177铝母线1MY11530.02902.1.2 母线表面应光洁平整,不应有裂纹、折皱、夹杂物及变形和扭曲现象。2.1.3 绝缘子及穿墙套管的瓷件,应符合执行国家标准和有关电瓷产品技术条件的规定,并有产品合格证。2.1.4 绝缘材料的型号、规格、电压等级应符合设计要求。外观无损伤及裂纹,绝缘良好。2.1.5 金属紧固件及卡具,均应采纳热镀锌件。2.1.6 其他辅料有调合漆,樟丹池、焊条、焊粉等。2.2 主要机具:2.2.1 母线煨弯器、电焊、汽焊工具、钢锯、电锤、砂轮、台钻、手电钻、板锉、钢丝刷 、木锤、力矩扳手、铜丝刷。2.2.2 测试器具:皮尺、钢卷尺、钢板尺、水平、线坠、摇表、万用表、细钢丝或小线。2.3 施工条件:2.3.1 母线安装对土建要求:屋顶不漏水,墙面喷浆完毕,场地清理洁净,并有一定的加工场所。高空作业脚手架搭设完毕,安全技术部门验收合格。合窗齐全。2.3.2 电气设备安装完毕,检验合格。2.3.3 预留孔洞及预埋件尺寸、强度均符合设计要求。2.3.4 施工图及技术资料齐全。3、操作工艺3.1 工艺流程:放线测量→支架及拉紧装置制作安装→绝缘子安装→母线的加工→母线的连接→母线安装→母线涂色刷油→检查送电3.2 放线测量:3.2.1 进入现场后根据母线及支架敷设的不同情况,核对是否与图纸相符。3.2.2 放线测量:核对沿母线敷设全长方向有无障碍物,有无与建筑结构或设备管道、通风等安装部件交叉现象。3.2.3 配电柜内安装母线,测量与设备上其它部件安全距离是否符合要求。3.2.4 放线测量出各段母线加工尺寸、支架尺寸,并划出支架安装距离及剔洞或固定件安装位置。3.3 支架及拉紧装置的制作安装3.3.1 母线支架用 50×50×5 角钢制作,膨胀螺栓固定在墙上(图 3.3.1)。图 3.3.13.3.2 母线拉紧装置按附图制作组装(图 3.3.2)。图 3.3.23.4 绝缘子安装:3.4.1 绝缘子安装前要摇测绝缘,绝缘电阻值大于 1 兆欧为合格。检查绝缘子外观无裂纹、缺损现象,绝缘子灌注的螺栓、螺母牢固后方可使...

1、当您付费下载文档后,您只拥有了使用权限,并不意味着购买了版权,文档只能用于自身使用,不得用于其他商业用途(如 [转卖]进行直接盈利或[编辑后售卖]进行间接盈利)。
2、本站所有内容均由合作方或网友上传,本站不对文档的完整性、权威性及其观点立场正确性做任何保证或承诺!文档内容仅供研究参考,付费前请自行鉴别。
3、如文档内容存在违规,或者侵犯商业秘密、侵犯著作权等,请点击“违规举报”。

碎片内容

硬母线安装质量管理

您可能关注的文档

确认删除?
VIP
微信客服
  • 扫码咨询
会员Q群
  • 会员专属群点击这里加入QQ群
客服邮箱
回到顶部