电脑桌面
添加小米粒文库到电脑桌面
安装后可以在桌面快捷访问

空压机节能估算

空压机节能估算_第1页
1/8
空压机节能估算_第2页
2/8
空压机节能估算_第3页
3/8
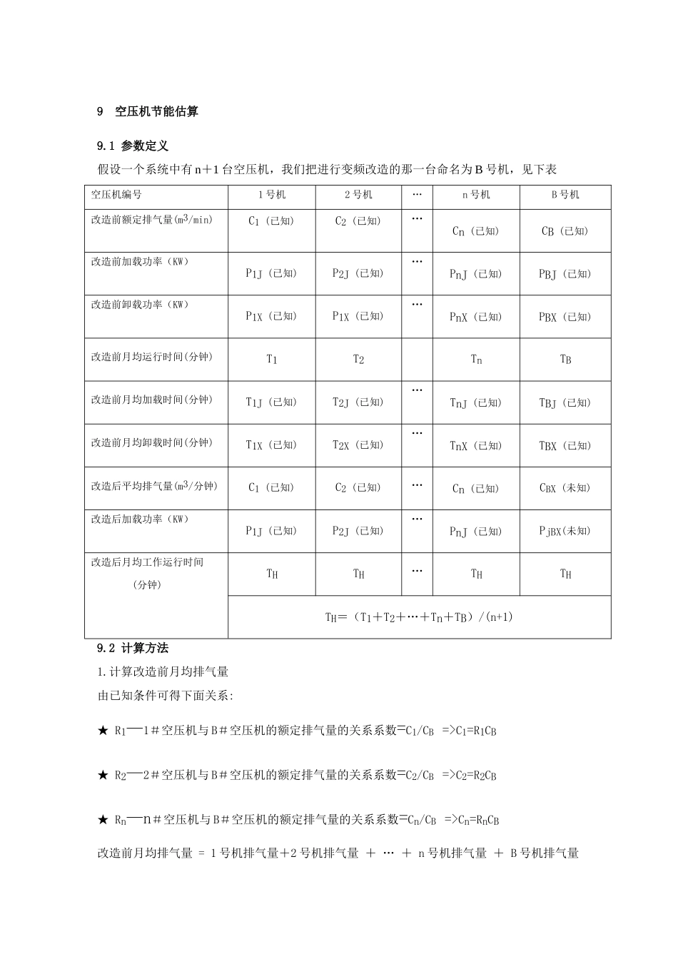
9 空压机节能估算9.1 参数定义假设一个系统中有 n+1 台空压机,我们把进行变频改造的那一台命名为 B 号机,见下表空压机编号1 号机2 号机…n 号机B 号机改造前额定排气量(m3/min)C1 (已知)C2 (已知)…Cn (已知)CB (已知)改造前加载功率(KW)P1J (已知)P2J (已知)…PnJ (已知)PBJ (已知)改造前卸载功率(KW)P1X (已知)P1X (已知)…PnX (已知)PBX (已知)改造前月均运行时间(分钟)T1T2TnTB改造前月均加载时间(分钟)T1J (已知)T2J (已知)…TnJ (已知)TBJ (已知)改造前月均卸载时间(分钟)T1X (已知)T2X (已知)…TnX (已知)TBX (已知)改造后平均排气量(m3/分钟)C1 (已知)C2 (已知)…Cn (已知)CBX (未知)改造后加载功率(KW)P1J (已知)P2J (已知)…PnJ (已知)PjBX(未知)改造后月均工作运行时间(分钟)THTH…THTHTH=(T1+T2+…+Tn+TB)/(n+1)9.2 计算方法1.计算改造前月均排气量由已知条件可得下面关系:★ R1—1#空压机与 B#空压机的额定排气量的关系系数=C1/CB =>C1=R1CB★ R2—2#空压机与 B#空压机的额定排气量的关系系数=C2/CB =>C2=R2CB★ Rn—n#空压机与 B#空压机的额定排气量的关系系数=Cn/CB =>Cn=RnCB改造前月均排气量 = 1 号机排气量+2 号机排气量 + … + n 号机排气量 + B 号机排气量= (T1J * C1) + (T2J * C2) + … + (TnJ * Cn) + (TBJ * CB)= (T1J * R1CB) + (T2J * R2CB) + … + (TnJ * RnCn) + (TBJ * CB)= (T1JR1 + T2JR2 + … + TnJRn + TBJ)CB2.计算改造后月均排气量为:◆ 改造后同时运行的 1#―n#工频机的加载率为 100%,排气量也为额定排气量的 100%。◆ 改造后的变频空压机的排气量和频率成正比,加载率为 100%。改造后月均排气量 = 1 号机排气量+2 号机排气量 + … + n 号机排气量 + B 号机排气量= (TH * C1) + (TH * C2) + … + (TH * Cn) + (TH * CBX)= (TH * R1CB) + (TH * R2CB) + … + (TH * RnCB) + (TH * CBX)= (THR1 + THR2 + … + THRn)CB + (TH * CBX)3.由:改造前的平均耗气量=改造后的平均耗气量得:改造前的月均排气量=改造后的月均排气量(T1JR1 + T2JR2 + … + TnJRn + TBJ)CB = (THR1 + THR2 + … + THRn)CB + (TH * CBX)所以:CBX= [(T1JR1 + T2JR2 + … + TnJRn + TBJ)-( T...

1、当您付费下载文档后,您只拥有了使用权限,并不意味着购买了版权,文档只能用于自身使用,不得用于其他商业用途(如 [转卖]进行直接盈利或[编辑后售卖]进行间接盈利)。
2、本站所有内容均由合作方或网友上传,本站不对文档的完整性、权威性及其观点立场正确性做任何保证或承诺!文档内容仅供研究参考,付费前请自行鉴别。
3、如文档内容存在违规,或者侵犯商业秘密、侵犯著作权等,请点击“违规举报”。

碎片内容

空压机节能估算

您可能关注的文档

确认删除?
VIP
微信客服
  • 扫码咨询
会员Q群
  • 会员专属群点击这里加入QQ群
客服邮箱
回到顶部