电脑桌面
添加小米粒文库到电脑桌面
安装后可以在桌面快捷访问

第7章-采购物品的验收、结算与库存管理

第7章-采购物品的验收、结算与库存管理_第1页
1/14
第7章-采购物品的验收、结算与库存管理_第2页
2/14
第7章-采购物品的验收、结算与库存管理_第3页
3/14
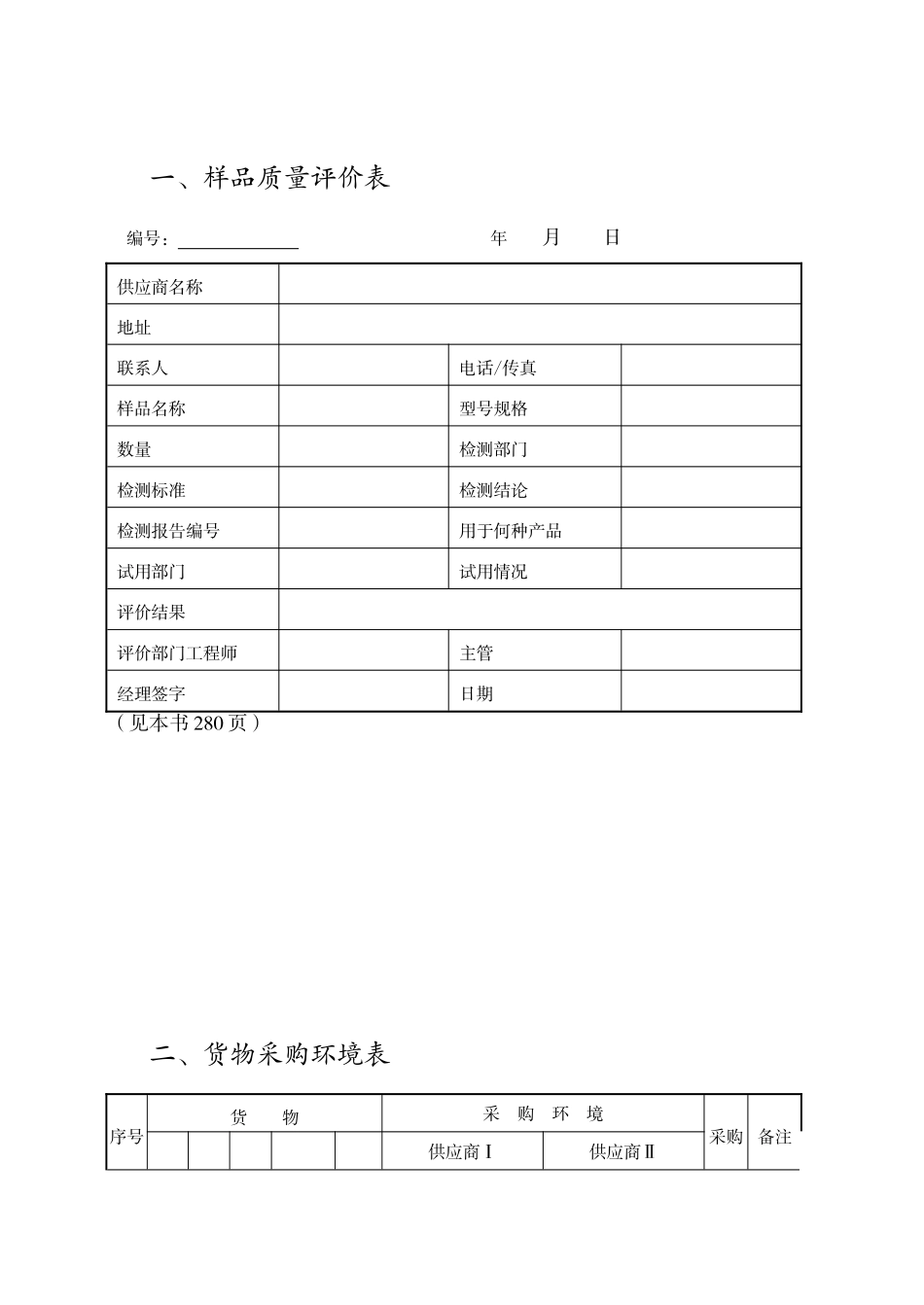
采购物品的验收、结算与库存管理表格一、样品质量评价表编号: 年 月 日供应商名称地址联系人电话/传真样品名称型号规格数量检测部门检测标准检测结论检测报告编号用于何种产品试用部门试用情况评价结果评价部门工程师主管经理签字日期(见本书 280 页)二、货物采购环境表序号货 物采 购 环 境采购备注供应商Ⅰ供应商Ⅱ编号 型号 名称 需求量 单位环境容量比例 价格 期限 合同 比例 价格 期限 合同1234567891011121314合计制订会签开发人员质量管理人员认证人员批准日期工艺人员采购计划制订人员订单提交人员日期采购认证编号制订部门任务来源说明来源部门(见本书 280~281 页)三、物料订购跟催表编号: 跟催员: 分类: 跟催员: 订购日期 订购单号料 号(规格)数量单价总价供应商(编号)计 划进料日期实际进料日期123审核人: 审批人:(见本书 282 页)四、催货通知单制单人: 日期: 年 月 日 :贵公司与本公司签订的下列合同已到期,至今尚未交货,请于收到本通知后一周内办理为荷!此致 敬礼 公司到期未交货物料一览表订约日期合同编号物料名称与法律规范数量单位约定交货日期备注注 本单一式三联,一联送生产部门,一联送仓储部转请购部门,一联存查。(见本书 283 页)五、采购物品验收表编号: 日期: 年 月 日编 号名 称订货数量规格符合单 位实收数量单 价总 价是否是否分批交货□是 □否会计科目供应商合计检 查验收结果检查主管检查员抽样: %不良全数: 个不良总经理成本合计库 房采 购主管核算主管收料主管制单(见本书 284 页)六、物品检验报告单编号: 日期: 年 月 日订单编号商号供应商代码验收日期借方科目贷方科目入库单位需求日期交货日期件号品名规格厂牌单位收货数单价金 额拒收数拒收数现状本订单未交量再交不交合计打卡(1)(2)人民币(大写): 佰 拾 万 仟 佰 拾 元整发票号码使用单位用途备注收货主管验收人员检查人员制单人员(见本书 285 页)七、物品质量控制表编号: 填表人: 日期: 年 月 日供应商交易情况采购 物品 采购 发货 检验 批抽 总抽 质量A 类B 类C 类退货 备注单号 名称 数量 批数 批数 检率 检率 水平不良品不良品不良品记录(见本书 286 页)八、预付款申请表申请时间: 年 月 日申请部门申请人付款类别□定金(尚未开发票)□分批交货暂支款付款金额说 明审核: 财务部: 总经...

1、当您付费下载文档后,您只拥有了使用权限,并不意味着购买了版权,文档只能用于自身使用,不得用于其他商业用途(如 [转卖]进行直接盈利或[编辑后售卖]进行间接盈利)。
2、本站所有内容均由合作方或网友上传,本站不对文档的完整性、权威性及其观点立场正确性做任何保证或承诺!文档内容仅供研究参考,付费前请自行鉴别。
3、如文档内容存在违规,或者侵犯商业秘密、侵犯著作权等,请点击“违规举报”。

碎片内容

第7章-采购物品的验收、结算与库存管理

一二三四传媒+ 关注
实名认证
内容提供者

大量资料供您选择,没有合适的可以联系小二。

确认删除?
VIP
微信客服
  • 扫码咨询
会员Q群
  • 会员专属群点击这里加入QQ群
客服邮箱
回到顶部