电脑桌面
添加小米粒文库到电脑桌面
安装后可以在桌面快捷访问

第一篇光学材料

第一篇光学材料_第1页
1/4
第一篇光学材料_第2页
2/4
第一篇光学材料_第3页
3/4
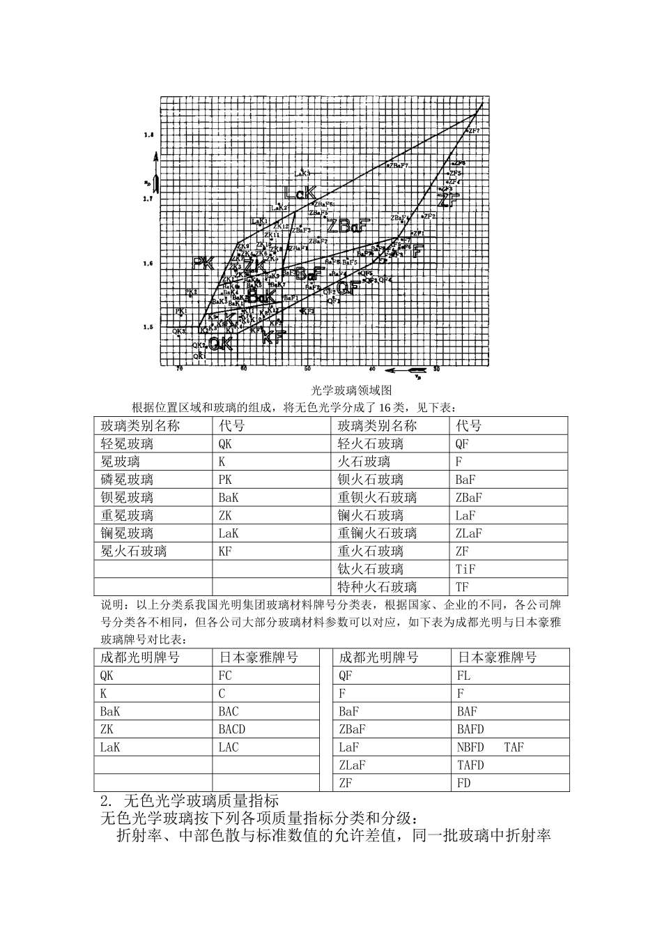
第一篇 光学材料光学材料包含光学玻璃、光学晶体、光学塑料三大类,光学玻璃是用的最广泛的光学材料,属于无机物,是高分子的凝聚态物质;光学晶体是有规则排列结构的固体,由于人工晶体的培育比较困难,生产量远不如光学玻璃大;光学塑料属于有机物,是有机高分子化合物,由于其价格低廉、成型方便、质轻、抗震等优点,近年来取得了很大的进展。结合我公司产品特点,在此着重介绍光学玻璃的基本概念。一、 玻璃的定义不论化学成分和固化温度范围如何,一切由熔体过冷却所得的无定形体,由于黏度逐渐增加而具有固体的机械性质的,均成为玻璃。而且由液态变为玻璃态的过程应当是可逆的。二、 玻璃的分类我司产品主要围绕无色光学玻璃进行加工,因此主要介绍无色光学玻璃。1.无色光学玻璃分类根据各种玻璃材料的光学常数,即折射率 nd、色散系数 vd 的不同分成了不同的玻璃牌号,每一种牌号在 nd-vd 图上都各占有各自的位置,如图:光学玻璃无色光学玻璃有色光学玻璃耐辐射光学玻璃其他光学玻璃 光学玻璃领域图根据位置区域和玻璃的组成,将无色光学分成了 16 类,见下表:玻璃类别名称代号玻璃类别名称代号轻冕玻璃QK轻火石玻璃QF冕玻璃K火石玻璃F磷冕玻璃PK钡火石玻璃BaF钡冕玻璃BaK重钡火石玻璃ZBaF重冕玻璃ZK镧火石玻璃LaF镧冕玻璃LaK重镧火石玻璃ZLaF冕火石玻璃KF重火石玻璃ZF钛火石玻璃TiF特种火石玻璃TF说明:以上分类系我国光明集团玻璃材料牌号分类表,根据国家、企业的不同,各公司牌号分类各不相同,但各公司大部分玻璃材料参数可以对应,如下表为成都光明与日本豪雅玻璃牌号对比表:成都光明牌号日本豪雅牌号成都光明牌号日本豪雅牌号QKFCQFFLKCFFBaKBACBaFBAFZKBACDZBaFBAFDLaKLACLaFNBFD TAFZLaFTAFDZFFD2. 无色光学玻璃质量指标无色光学玻璃按下列各项质量指标分类和分级: 折射率、中部色散与标准数值的允许差值,同一批玻璃中折射率和中部色散的一致性,光学均匀性,应力双折射,光吸收系数,条纹度,气泡度。例如: 根据折射率nd和阿贝系数vd与标准数值的允许差值,光学玻璃分为三级见表。级别 折射率允许偏差Δnd 级别阿贝数允许偏差Δvd%1±30×10-31±0.52±50×10-32±0.83±100×10-33±1.03. 光学玻璃的化学稳定性玻璃抵抗潮湿空气、水、酸、碱、盐的侵蚀能力,称为玻璃的化学稳定性,目前我司使用较多的指标是耐酸性和耐水性。a. 耐酸性采纳粉末法测试耐酸作用稳定性 Da:按 GB/T17192 的测试方法,...

1、当您付费下载文档后,您只拥有了使用权限,并不意味着购买了版权,文档只能用于自身使用,不得用于其他商业用途(如 [转卖]进行直接盈利或[编辑后售卖]进行间接盈利)。
2、本站所有内容均由合作方或网友上传,本站不对文档的完整性、权威性及其观点立场正确性做任何保证或承诺!文档内容仅供研究参考,付费前请自行鉴别。
3、如文档内容存在违规,或者侵犯商业秘密、侵犯著作权等,请点击“违规举报”。

碎片内容

第一篇光学材料

您可能关注的文档

确认删除?
VIP
微信客服
  • 扫码咨询
会员Q群
  • 会员专属群点击这里加入QQ群
客服邮箱
回到顶部