电脑桌面
添加小米粒文库到电脑桌面
安装后可以在桌面快捷访问

第六章--技术交底相关规定

第六章--技术交底相关规定_第1页
1/5
第六章--技术交底相关规定_第2页
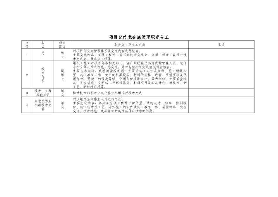
2/5
第六章--技术交底相关规定_第3页
3/5
第六章 技术交底相关规定一、技术交底管理体系及职责1、管理体系公司成立技术交底监督指导小组,公司总工任组长,技术部部长任副组长,技术部其他成员为组员。项目部成立技术交底管理小组,项目部总工任组长,项目部技术部长任副组长,项目部技术、工程部其他成员及各分包技术主管为组员。2、职责分工公司技术交底监督指导小组定期不定期监督检查项目技术交底管理工作。项目技术交底管理小组职责人工如下:项目部技术交底管理职责分工序号职务组内职务职责分工及交底内容备注1总工组长对项目部交底管理体系及交底内容进行检查。主要交底内容:首件工程开工前召开技术交底会、分项工程开工前召开技术交底会、重难点工程等。2技术部长副组长组织工程部对项目部各相关部门、生产副经理及其他现场管理人员、包保小组全体人员进行施工总交底,并对包保小组交底情况进行检查。主要内容包括:现场测量控制网;主要的施工方法及步骤;施工场地布置;施工准备工作;使用的机具设备;材料的规格、数量、质量要求及使用部位;混凝土的强度等级、使用部位及配合比;劳力组织;主要质量措施;安全措施;文明施工及环保措施;科研项目及实施计划;新技术、新工艺、新材料应用等。3技术、工程其他成员组员协助技术部长对分包及作业小组进行技术交底4分包及作业小组技术主管组员对班组及全体作业人员进行交底。主要交底内容:各分部分项工程的平面位置、结构尺寸、标高、控制桩位、施工技术及工艺、开始施工的条件及施工准备工作、质量标准、安全交底、技术措施、成品保护措施及其他应注意的问题。二、技术交底相关要求1、技术交底的编制1.1 技术交底前,要作充分的准备(熟悉设计图纸、有关的法律规范规程及技术安全标准),拟定交底提纲,向接受交底的人员分发书面资料,认真核对交底内容范围,所有的技术交底须执行技术复核制。1.2 技术交底前技术人员应认真阅读设计图纸及法律规范、规程,不得将设计文件、标准图不加标注、审核、分解而简单地复印下发。应对原图和资料分解,重新组合并附加解释,对可能疏忽的细节要特别说明,提出工艺标准、质量标准和克服通病的措施。1.3 技术交底时,须附有相应的安全、文明、环保及质量要求。2、技术交底的交接和记录1.1 项目经理部技术交底按三级交底执行,即一级交底总工程师对技术部、工程部进行交底,二级交底项目部技术部对各分包、作业队技术主管进行交底,三级交底各分包、作业队技术主管对施工班组进行交底。1....

1、当您付费下载文档后,您只拥有了使用权限,并不意味着购买了版权,文档只能用于自身使用,不得用于其他商业用途(如 [转卖]进行直接盈利或[编辑后售卖]进行间接盈利)。
2、本站所有内容均由合作方或网友上传,本站不对文档的完整性、权威性及其观点立场正确性做任何保证或承诺!文档内容仅供研究参考,付费前请自行鉴别。
3、如文档内容存在违规,或者侵犯商业秘密、侵犯著作权等,请点击“违规举报”。

碎片内容

第六章--技术交底相关规定

办公文档专营+ 关注
实名认证
内容提供者

大量办公文档,欢迎选择

确认删除?
VIP
微信客服
  • 扫码咨询
会员Q群
  • 会员专属群点击这里加入QQ群
客服邮箱
回到顶部