电脑桌面
添加小米粒文库到电脑桌面
安装后可以在桌面快捷访问

第十五章--天棚工程

第十五章--天棚工程_第1页
1/3
第十五章--天棚工程_第2页
2/3
第十五章--天棚工程_第3页
3/3
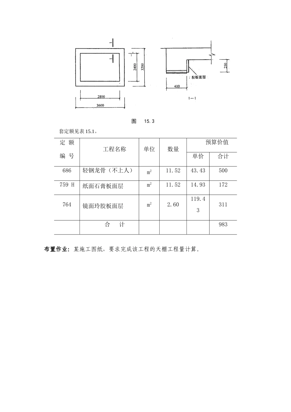
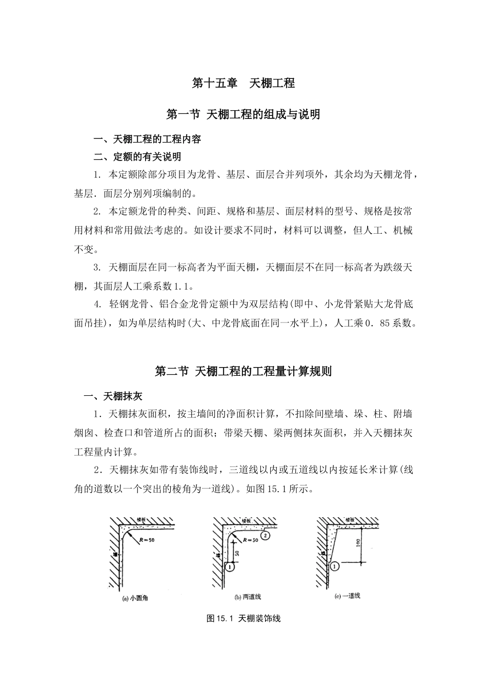
第十五章 天棚工程第一节 天棚工程的组成与说明一、天棚工程的工程内容二、定额的有关说明1. 本定额除部分项目为龙骨、基层、面层合并列项外,其余均为天棚龙骨,基层.面层分别列项编制的。 2. 本定额龙骨的种类、间距、规格和基层、面层材料的型号、规格是按常用材料和常用做法考虑的。如设计要求不同时,材料可以调整,但人工、机械不变。 3. 天棚面层在同一标高者为平面天棚,天棚面层不在同一标高者为跌级天棚,其面层人工乘系数 1.1。 4. 轻钢龙骨、铝合金龙骨定额中为双层结构(即中、小龙骨紧贴大龙骨底面吊挂),如为单层结构时(大、中龙骨底面在同一水平上),人工乘 0.85 系数。 第二节 天棚工程的工程量计算规则 一、天棚抹灰 1.天棚抹灰面积,按主墙间的净面积计算,不扣除间壁墙、垛、柱、附墙烟囱、检查口和管道所占的面积;带梁天棚、梁两侧抹灰面积,并入天棚抹灰工程量内计算。 2.天棚抹灰如带有装饰线时,三道线以内或五道线以内按延长米计算(线角的道数以一个突出的棱角为一道线)。如图 15.1 所示。图 15.1 天棚装饰线3.檐口天棚抹灰,按相应天棚抹灰定额执行。 4.天棚中的折线、灯槽线、圆弧形线、拱形线等艺术形式的抹灰按展开面积计算。 二、各种吊顶天棚龙骨如图 15.2 所示, 按主墙间净空面积计算,不扣除间壁墙、检查洞、附墙烟囱、柱、垛和管道所占面积。 三、天棚基层按展开面积计算。 四、天棚装饰面层,按主墙间实钉(胶)面积以平方米计算,不扣除间壁墙、检查口,附墙烟囱、垛和管道所占面积,但应扣除 0.3m2以上的孔洞,独立柱、灯槽及与天棚相连的窗帘盒所占的面积。 五、本章定额中,龙骨、基层、面层合并列项的子目,工程量计算规则同第二条。 六、板式楼梯底面的装饰工程量按水平投影面积乘 1.15 系数计算,梁式楼梯底面按展开面积计算 七、镶贴镜面按实贴面积以平方米计算。 八、灯光槽按延长米计算。 九、保温层按实铺面积计算。 十、网架按水平投影面积计算。十一、嵌缝按延长米计算。第三节 天棚工程实例分析[例 15.1] 某房间平面净尺寸如图 15.3 所示,设计要求进行轻钢龙骨纸面石膏板吊顶(龙骨间距 450 ×450mm,不上人)并在中间做 2400 ×2800mm的天池,天池侧面贴镜面玲珑胶板,饰面立面高 250mm,试计算其工程量及直接工程费。[解] 由图可见,该天棚有高低面,不在同一标高内,因此,执行跌级天棚,其面层人工乘系数 1.1。(1)轻钢龙骨工程...

1、当您付费下载文档后,您只拥有了使用权限,并不意味着购买了版权,文档只能用于自身使用,不得用于其他商业用途(如 [转卖]进行直接盈利或[编辑后售卖]进行间接盈利)。
2、本站所有内容均由合作方或网友上传,本站不对文档的完整性、权威性及其观点立场正确性做任何保证或承诺!文档内容仅供研究参考,付费前请自行鉴别。
3、如文档内容存在违规,或者侵犯商业秘密、侵犯著作权等,请点击“违规举报”。

碎片内容

第十五章--天棚工程

确认删除?
VIP
微信客服
  • 扫码咨询
会员Q群
  • 会员专属群点击这里加入QQ群
客服邮箱
回到顶部