电脑桌面
添加小米粒文库到电脑桌面
安装后可以在桌面快捷访问

管与稳管施工安全技术交底

管与稳管施工安全技术交底_第1页
1/2
管与稳管施工安全技术交底_第2页
2/2
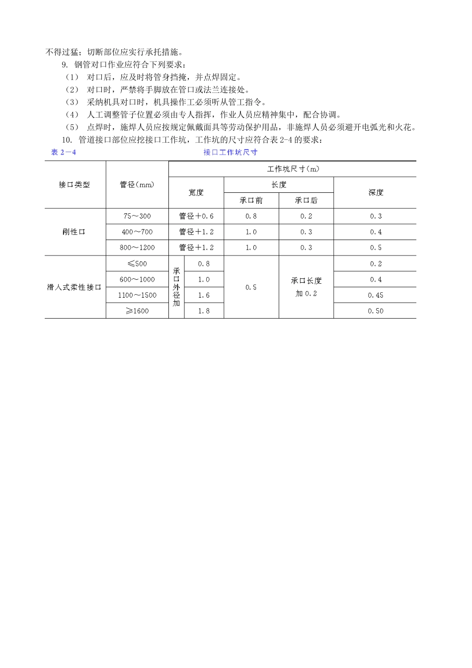
2.3.1 管与稳管施工安全技术交底1. 施工过程中,临时中断作业应将管口两端临时封堵。2. 排管应根据管道设计及其沿线变坡点、折点、附件等的位置结合现场环境状况安排管子,并放置稳定,挡掩牢固。3. 钢管段较长采纳多个三角架倒链等起重机具下管时,应由一个信号工统一指挥,同步作业,保持管段水平下落。4. 在沟槽外排管时,场地应平坦、不积水,并应根据土质、槽深确定管子与沟槽边缘的距离,且不得小于 1m,管子应挡掩牢固。5. 使用手持电动砂轮机打磨管子坡口时,现场应划定作业区,非作业人员不得靠近。使用坡口机作业中,不得俯身近视工件,严禁用手触摸坡口和擦拭铁屑;工件过长时,应加装辅助托架; 检查坡口质量时必须停机、断电;刀排、刀具安装必须吻合、牢固。6. 在沟槽上方架空排管时,应符合下列要求:(1) 排管下方严禁有人。(2) 沟槽顶部宽度不宜大于 2m。(3) 支承每根管子的横梁顶面高程应相同。(4) 排管用的横梁两端在沟槽上与土基的搭接长度,每侧不得小于 80cm。(5) 排管所使用的横梁断面尺寸、长度、间距应经计算确定;严禁使用糟朽、劈裂、有疖疤的木材作横梁。横梁安设后应检查,确认符合施工设计要求,并形成文件。7. 使用三角架倒链吊装应符合下列要求:(1) 三角架支搭应根据被吊装管子的质量进行受力验算,确认符合要求;三角架应立于坚实的地基上,支垫稳固,底脚宜呈等边三角形,支腿应用横杆连成整体,底脚处应加设垫板; 三支腿顶部连接必须牢固。(2) 吊装过程中,管子下方严禁有人;暂停作业应将倒链降至地面或平台等安全处;拆除三角架时,应先摘除倒链。(3) 人工移动三角架前应拆除倒链,移动时,必须由作业组长指挥,每支脚必须设人控制,移动应平稳、步调一致。(4) 倒链安装应牢固,并符合下列要求:1) 吊物需临时在空间停留时,必须将小链拴在大链上。2) 使用前应检查吊架、吊钩、链条、轮轴、链盘等部件,确认完好。3) 使用时应常常检查棘爪、棘爪弹簧和齿轮状况,确认制动有效。齿轮应常常加油润滑。4) 使用的链葫芦外壳应有额定吨位标记,严禁超载;气温在-10℃以下,不得超过其额定起重量的一半。5) 倒链使用完毕,应拆卸清洗洁净,重新注加润滑油,组装完好,放至库房妥善保管,保持链条不锈蚀。6) 拉动链条必须一人操作,严禁两人以上猛拉;作业时应均匀缓进,并与链轮方向一致,不得斜向拽动;严禁人员站在倒链的正下方。7) 使用时,应先松链条、挂牢起...

1、当您付费下载文档后,您只拥有了使用权限,并不意味着购买了版权,文档只能用于自身使用,不得用于其他商业用途(如 [转卖]进行直接盈利或[编辑后售卖]进行间接盈利)。
2、本站所有内容均由合作方或网友上传,本站不对文档的完整性、权威性及其观点立场正确性做任何保证或承诺!文档内容仅供研究参考,付费前请自行鉴别。
3、如文档内容存在违规,或者侵犯商业秘密、侵犯著作权等,请点击“违规举报”。

碎片内容

管与稳管施工安全技术交底

确认删除?
VIP
微信客服
  • 扫码咨询
会员Q群
  • 会员专属群点击这里加入QQ群
客服邮箱
回到顶部