电脑桌面
添加小米粒文库到电脑桌面
安装后可以在桌面快捷访问

综合培训楼工程质量计划

综合培训楼工程质量计划_第1页
1/27
综合培训楼工程质量计划_第2页
2/27
综合培训楼工程质量计划_第3页
3/27
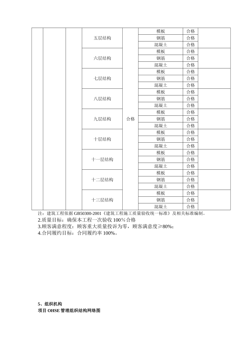
上海市****有限公司南京**学院上海分院综合培训楼工程质 量 计 划编制单位:上海市 **** 有限公司总承包部 编 号: 1 1 编制人员: *** 编制日期:2025 年 12 月 1、编制依据a)工程项目施工合同、适用法律法规、建设工程标准强制性条文等相关资料规定;b)公司现行质量管理体系文件:GB/T19001:2000 idt ISO9001∶2000《质量管理体系 要求》;公司质量手册新 A 版 QG/SHQJ ZLSC01—2025;公司程序文件新 A 版 QG/SHQJ CXHB01~3—2025。c)公司现行《施工组织设计编制和管理规定》及《工程项目质量计划编制和管理规定》。引用施工组织设计相应内容。2、目的和范围目的:对项目的质量管理体系的过程和资源作出规定,保证过程受控。范围:本质量管理计划适用于施工准备到竣工交付阶段的质量控制。3、工程概况南京**学院上海分院综合培训楼建设工程项目位于五角场地区邯郸路以南,四平路以西的蓝天小区内,小区正门位于四平路上。本工程底层室内地坪设计标高±0.000,相当于绝对标高 4.600m。室外地面设计标高-0.450,相当于绝对标高 4.150m。根据本工程的岩土工程勘察报告,本工程目前场地相对标高在-0.50m 左右。本工程桩基采纳直径为 550mm 的钻孔灌注桩,潜基坑内桩顶设计标高为-2.9m,深基坑内桩顶设计标高为-4.5m。由业主指定的专业单位施工完毕;基础形式为条形基础,条基承台坑底面标高分别-1.8m,高 1200mm。1-12 轴/C-D轴处集水井底板面标高-3.300m,平面尺寸为 1450×2975mm,集水井底板厚度为1300mm。基础梁无后浇带。上部结构为 13 层框架-剪力墙结构体系。一至十一层层高为 3.2m,十二层层高为 3.7m,十三层层高为 5m。本工程结构抗震设防烈度为 7 度,设计基本地震加速度值为 0.10g,设计地震分组为第一组;建筑场地类别为上海Ⅳ类场地,建筑物重要性类别为丙类;建筑基本风压 W=0.55KN/㎡;结构设计使用年限为 50 年,建筑结构安全等级为二级;结构抗震等级:框架为三级,剪力墙为二级; 4、质量目标1.工程质量目标:本工程一次验收合格率为 100%,通过备案制验收;序号分部工程子分部工程分项工程名称目标名称目标名称目标指标1基础工程合格条形基础承台及基础梁合格模板合格钢筋合格混凝土2上部结构合格一层结构合格模板合格钢筋合格混凝土二层结构合格模板合格钢筋混凝土合格三层结构合格模板合格钢筋合格混凝土合格四层结构合格模板合格钢筋合格混凝土合格五层结构合格模板合...

1、当您付费下载文档后,您只拥有了使用权限,并不意味着购买了版权,文档只能用于自身使用,不得用于其他商业用途(如 [转卖]进行直接盈利或[编辑后售卖]进行间接盈利)。
2、本站所有内容均由合作方或网友上传,本站不对文档的完整性、权威性及其观点立场正确性做任何保证或承诺!文档内容仅供研究参考,付费前请自行鉴别。
3、如文档内容存在违规,或者侵犯商业秘密、侵犯著作权等,请点击“违规举报”。

碎片内容

综合培训楼工程质量计划

您可能关注的文档

确认删除?
VIP
微信客服
  • 扫码咨询
会员Q群
  • 会员专属群点击这里加入QQ群
客服邮箱
回到顶部