电脑桌面
添加小米粒文库到电脑桌面
安装后可以在桌面快捷访问

背栓式石材幕墙施工工法

背栓式石材幕墙施工工法_第1页
1/4
背栓式石材幕墙施工工法_第2页
2/4
背栓式石材幕墙施工工法_第3页
3/4
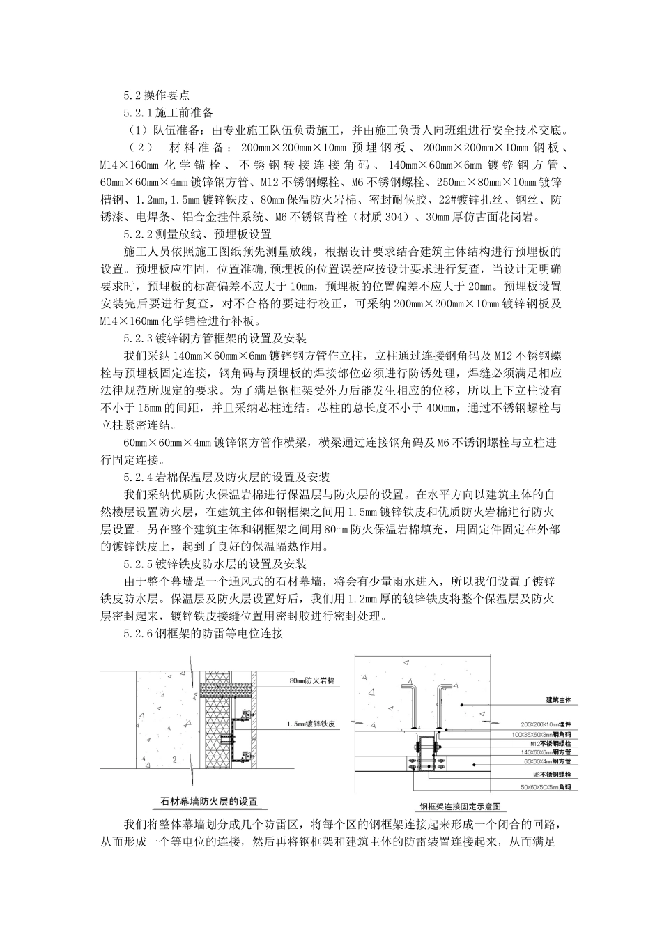
背栓式石材幕墙施工工法一、前言:随着科技的进展,在建筑领域内各种施工技术也得到了迅速的进展。石板的背栓式连接法是石材幕墙的一种施工方法,背栓式连接最早是由德国慧鱼公司(Fischer)提出来的一种石板连接方式,获专利技术。二、特点:采纳背栓式连接的石材幕墙,石板之间的缝隙一般不打密封胶,是一种通风式的石材幕墙。背栓式连接的石材幕墙抗震性及抵抗风压的能力极强,稳定性能高,安全性强,施工强度低,机械化施工程度高,在施工过程中石板安装方便灵活。 三、适用范围石板的背栓式连接法广泛适用于各种石材幕墙。石板的背栓式连接法是一种先进的施工技术,可广泛推广。四、工艺原理背栓式连接首先是在石板表面用专业打眼机器打出锥形扩大孔,然后植入背栓,再将背栓用专业铝合金连接件连接在主体框架上。采纳背栓式连接的石材幕墙,石板之间的缝隙一般不打密封胶,是一种通风式的石材幕墙,板缝是开敞式的,所以石板的后面空间与室外是连通的,形成了内外的等压腔,减少了雨水的渗入,便于空气的流通和潮湿的蒸发。另外,空缝不打胶,在立面上形成了较深的阴影线条,强调了石材的立面效果,富于立体感。背栓式连接法具有以下优点:1、通过底部拓孔技术达到无膨胀力固定。2、无粘结的饰面转角挂板的机械固定。3、所有锚固受力系统明确,有着可靠的力学计算保证。4、锚固件为背部固定,不影响表面美观效果。5、破坏荷载高,安全度高。6、板的大小不是由锚栓承载能力决定,而是由板的抗弯能力决定。五、工艺流程及操作要点5.1 工艺流程施工准备→测量放线→预埋钢板的定位及设置→镀锌钢方管框架的制作及安装(角码及不锈钢螺栓连接镀锌钢方管立柱→角码及不锈钢螺栓连接镀锌钢方管横梁)→岩棉保温层及防火层的设置安装→镀锌铁皮防水层的设置及安装→钢框架的防雷等电位连接→铝合金挂件系统的设置安装(包括热镀锌槽钢的设置)→石板打眼及石板养护→不锈钢背栓连接石板→石板表面清理。5.2 操作要点5.2.1 施工前准备(1)队伍准备:由专业施工队伍负责施工,并由施工负责人向班组进行安全技术交底。( 2 ) 材 料 准 备 : 200mm×200mm×10mm 预 埋 钢 板 、 200mm×200mm×10mm 钢 板 、M14×160mm 化 学 锚 栓 、 不 锈 钢 转 接 连 接 角 码 、 140mm×60mm×6mm 镀 锌 钢 方 管 、60mm×60mm×4mm 镀锌钢方管、M12 不锈钢螺栓、M6 不锈钢螺栓、250mm×80mm×10mm 镀锌槽钢、1....

1、当您付费下载文档后,您只拥有了使用权限,并不意味着购买了版权,文档只能用于自身使用,不得用于其他商业用途(如 [转卖]进行直接盈利或[编辑后售卖]进行间接盈利)。
2、本站所有内容均由合作方或网友上传,本站不对文档的完整性、权威性及其观点立场正确性做任何保证或承诺!文档内容仅供研究参考,付费前请自行鉴别。
3、如文档内容存在违规,或者侵犯商业秘密、侵犯著作权等,请点击“违规举报”。

碎片内容

背栓式石材幕墙施工工法

您可能关注的文档

确认删除?
VIP
微信客服
  • 扫码咨询
会员Q群
  • 会员专属群点击这里加入QQ群
客服邮箱
回到顶部