电脑桌面
添加小米粒文库到电脑桌面
安装后可以在桌面快捷访问

苯原料罐上封头

苯原料罐上封头_第1页
1/1
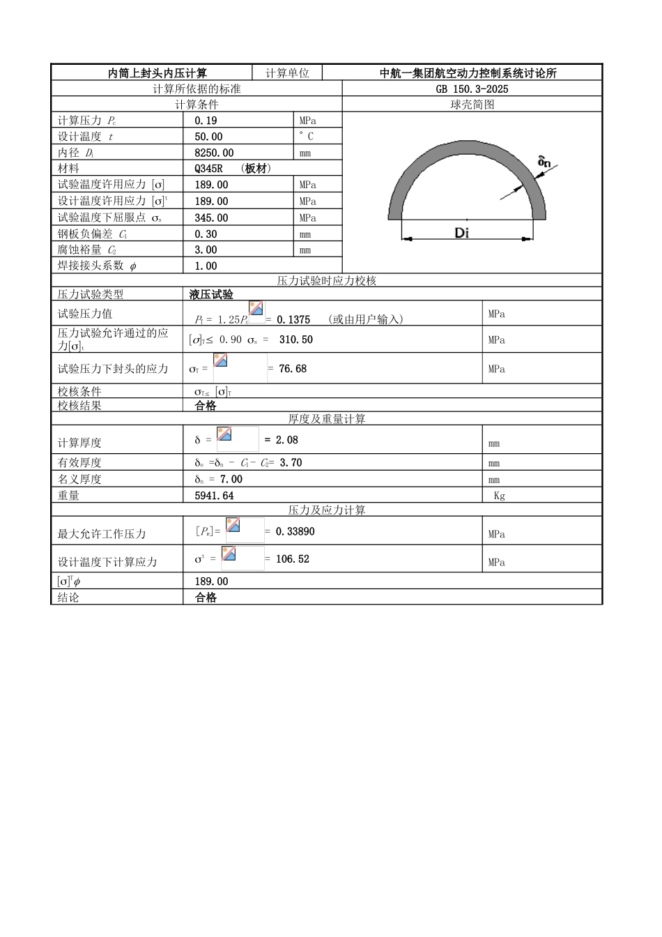
内筒上封头内压计算计算单位 中航一集团航空动力控制系统讨论所计算所依据的标准GB 150.3-2025 计算条件球壳简图计算压力 Pc 0.19MPa设计温度 t 50.00 C内径 Di 8250.00mm材料 Q345R (板材)试验温度许用应力  189.00MPa设计温度许用应力 t 189.00MPa试验温度下屈服点 s 345.00MPa钢板负偏差 C1 0.30mm腐蚀裕量 C2 3.00mm焊接接头系数  1.00压力试验时应力校核压力试验类型液压试验试验压力值 PT = 1.25Pc= 0.1375 (或由用户输入)MPa压力试验允许通过的应力tT 0.90 s = 310.50MPa试验压力下封头的应力T = = 76.68MPa校核条件T T校核结果合格厚度及重量计算计算厚度  = = 2.08mm有效厚度 e =n - C1- C2= 3.70mm名义厚度 n = 7.00mm重量 5941.64 Kg压力及应力计算最大允许工作压力 [Pw]= = 0.33890MPa设计温度下计算应力 t = = 106.52MPaT 189.00结论 合格

1、当您付费下载文档后,您只拥有了使用权限,并不意味着购买了版权,文档只能用于自身使用,不得用于其他商业用途(如 [转卖]进行直接盈利或[编辑后售卖]进行间接盈利)。
2、本站所有内容均由合作方或网友上传,本站不对文档的完整性、权威性及其观点立场正确性做任何保证或承诺!文档内容仅供研究参考,付费前请自行鉴别。
3、如文档内容存在违规,或者侵犯商业秘密、侵犯著作权等,请点击“违规举报”。

碎片内容

苯原料罐上封头

您可能关注的文档

确认删除?
VIP
微信客服
  • 扫码咨询
会员Q群
  • 会员专属群点击这里加入QQ群
客服邮箱
回到顶部