电脑桌面
添加小米粒文库到电脑桌面
安装后可以在桌面快捷访问

辅助设备及管道安装检验批质量验收记录

辅助设备及管道安装检验批质量验收记录_第1页
1/3
辅助设备及管道安装检验批质量验收记录_第2页
2/3
辅助设备及管道安装检验批质量验收记录_第3页
3/3
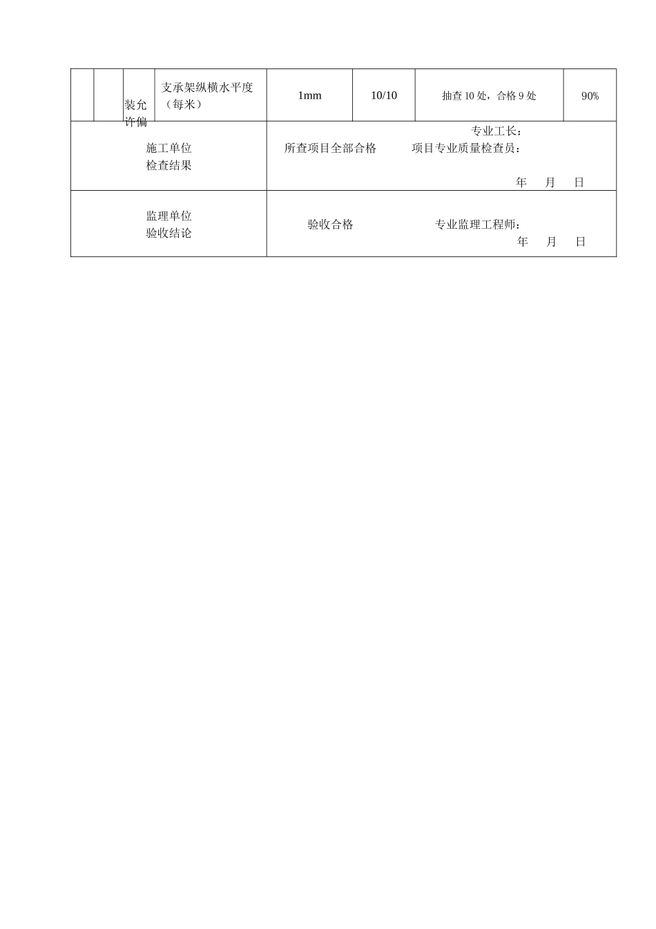
辅助设备及管道安装检验批质量验收记录 05130201 ____ 单位(子单位)工程名称智多星分部(子分部)工程名称建筑给水排水及供暖/热源及辅助设备分项工程名称辅助设备及管道安装施工单位智多星项目负责人田思思检验批容量10 台分包单位/分包单位项目负责人检验批部位锅炉房施工依据锅炉安装施工方案验收依据《建筑给水排水及采暖工程质量验收法律规范》GB50242-2025验收项目设计要求及法律规范规定最小/实际抽样数量检查记录检查结果主控项目1辅助设备基础验收设计要求10/10基础外观尺寸符合要求,强度检查,试验合格,报告编号××××√2风机试运转第 13.3.2 条///3分汽缸、分水器、集水器水压试验第 13.3.3 条///4敞口水箱、密闭水箱、满水或压力试验第 13.3.4 条///5地下直埋油罐气密性试验第 13.3.5 条///6工艺管道水压试验第 13.3.6 条///7各种设备的操作通道第 13.3.7 条10 10抽查 10 处,合格 10 处√8仪表、阀门的安装第 13.3.8 条10 10抽查 10 处,合格 10 处√9管道焊接第 13.3.9 条10 10抽查 10 处,合格 10 处√一般项目1单斗式提升机安装第 13.3.12 条10/10抽查 10 处,合格 10 处100%2风机传动部位安全防护装置第 13.3.13 条10/10抽查 10 处,合格 10 处100%3手摇泵、注水器安装高度第 13.3.15 条第 13.3.17 条10/10抽查 10 处,合格 10 处100%4水泵安装及试运转第 13.3.14 条第 13.3.16 条///5除尘器安装第 13.3.18 条10/10抽查 10 处,合格 10 处100%6除氧器排汽管第 13.3.19 条10/10抽查 10 处,合格 10 处100%7软化水设备安装第 13.3.20 条10/10抽查 10 处,合格 10 处100%8管道及设备表面涂漆第 13.3.22 条10/10抽查 10 处,合格 10 处100%续表验收项目设计要求及法律规范规定最小/实际抽样数量检查记录检查结果9安装允许偏差送、引风机坐标10mm10/10抽查 10 处,合格 9 处90%标高±5mm10/10抽查 10 处,合格 9 处90%各种静置设备坐标15mm10/10抽查 10 处,合格 9 处90%标高±5mm10/10抽查 10 处,合格 9 处90%垂直度(每米)2mm10/10抽查 10 处,合格 9 处90%离心式水泵泵体水平度(每米)0.1mm10/10抽查 10 处,合格 9 处90%联轴同心度轴向倾斜(每米)0.8mm10/10抽查 10 处,合格 9 处90%径向位移0.1mm10/10抽查 10 处,合格 9 处90%10链条炉排安装炉排中心位置2mm10/10抽查 10 处,合格 9 处90%前...

1、当您付费下载文档后,您只拥有了使用权限,并不意味着购买了版权,文档只能用于自身使用,不得用于其他商业用途(如 [转卖]进行直接盈利或[编辑后售卖]进行间接盈利)。
2、本站所有内容均由合作方或网友上传,本站不对文档的完整性、权威性及其观点立场正确性做任何保证或承诺!文档内容仅供研究参考,付费前请自行鉴别。
3、如文档内容存在违规,或者侵犯商业秘密、侵犯著作权等,请点击“违规举报”。

碎片内容

辅助设备及管道安装检验批质量验收记录

您可能关注的文档

津创媒+ 关注
实名认证
内容提供者

欢迎交流文创,小店资料希望满足您的需要。

确认删除?
VIP
微信客服
  • 扫码咨询
会员Q群
  • 会员专属群点击这里加入QQ群
客服邮箱
回到顶部