电脑桌面
添加小米粒文库到电脑桌面
安装后可以在桌面快捷访问

钢结构工程特殊过程施工作业指导书

钢结构工程特殊过程施工作业指导书_第1页
1/14
钢结构工程特殊过程施工作业指导书_第2页
2/14
钢结构工程特殊过程施工作业指导书_第3页
3/14
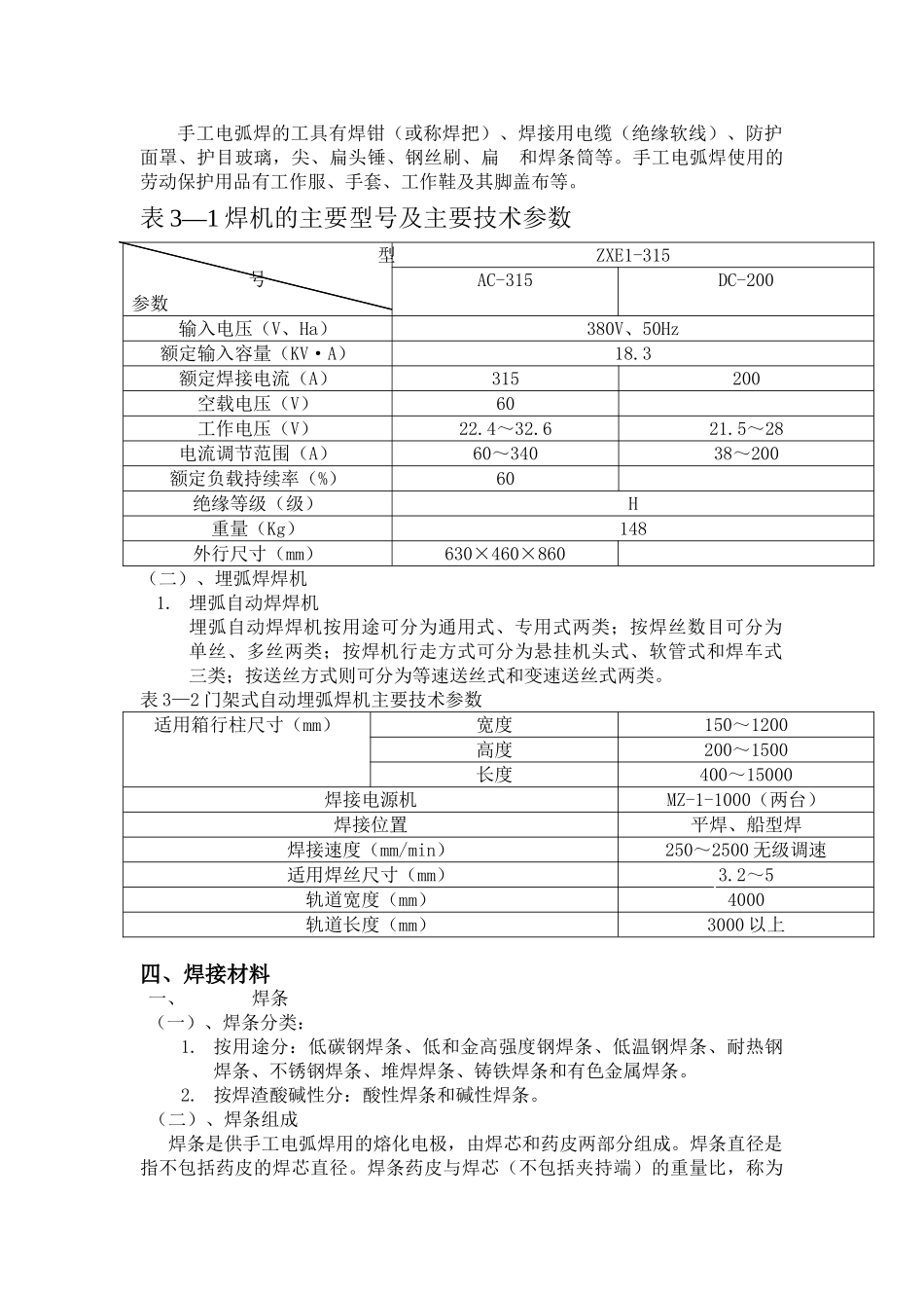
特别过程作业指导书 编号:HH-C-JJB-01批 准: 审 核:编 制:生效日期:受控状态:特别过程作业指导书1、目的确保制作、安装过程中特别过程得到有效控制,以保证产品质量。2、范围适用于各制作、安装过程中的特别过程。3、职责3.1 技术部负责编制本规定,并监督、检查、实施。3.2 各钢构件均按本规定执行。手工电弧焊、埋弧焊作业指导书一、钢结构制作特点钢结构的含义极为广泛。广义地说,凡以钢铁为基材,经过机械加工组装而成的结构件,均可属钢结构制造的范畴。但是,一般钢结构制造厂所从事的钢结构仅限于工业厂房、 高层建筑、塔桅等钢结构件的制作。这种结构件也称为建筑钢结构。其制作特点如下:钢结构制造的基本元件大多系热扎型材和板材。完整的钢结构产品,需要通过将基本元件使用机械设备和成熟的工艺方法,进行各种操作处理,达到规定产品的预定要求目标。现代化的钢结构制造厂应具有进行剪、冲、切、折、割、钻、铆、焊、喷、压、滚、弯、卷、刨、铣、磨、锯、涂、抛、热处理、 无损检测等加工能力的设备,并辅之各种专业胎具、模具、夹具、吊具等装备,对所设计的钢结构件,几乎所有形状和尺寸都能按设计达到要求,而且制造逐渐趋向高精度、高水平。目前钢结构件的连接,大都为混合式的以焊栓为主;一般在工厂的制作均以焊接速接居多,现场的螺栓速接居多,或者部分相互交叉使用。二 、钢结构制作安全 钢结构生产的现场环境,不管是室内或者室外,往往处于一个立体的操作空间之下,这对安全生产应极为重视,须做必要的防护和保护。安全防护包括:提高操作人员自身防范意识:必须按国家规定有关的劳动法规条例,对各类操作人员进行安全学习和安全教育,特别工种必须持证上岗。对生产场地必须留有安全通道,设备之间的最小间距不宜小于 2 米;进入现场,无论是操作者或生产管理人员,均应穿戴好劳动防护用品,并应注意观察和检查周围的环境;加工设备之间要留有一定的间距作为工作平台和堆放材料、工件等之用。他人防范:操作者必须严格遵守各岗位的操作规程,以免损及自身和损害他人,对危险源应做出相应的标志、信号、警戒等,以免现场人员遭受无意的损害。锁具、吊具要定时检查,不得超过额定荷载。焊接构件时不得留存、连接起吊锁具。被碰甩过的钢绳,一律不得使用。正常磨损股丝应按规定更新。所有构件的堆放、搁置应十分稳固,欠稳定的构件应设支撑或固结定位,超过自身高度构件的并列间距底大于自身高度,(如吊...

1、当您付费下载文档后,您只拥有了使用权限,并不意味着购买了版权,文档只能用于自身使用,不得用于其他商业用途(如 [转卖]进行直接盈利或[编辑后售卖]进行间接盈利)。
2、本站所有内容均由合作方或网友上传,本站不对文档的完整性、权威性及其观点立场正确性做任何保证或承诺!文档内容仅供研究参考,付费前请自行鉴别。
3、如文档内容存在违规,或者侵犯商业秘密、侵犯著作权等,请点击“违规举报”。

碎片内容

钢结构工程特殊过程施工作业指导书

您可能关注的文档

确认删除?
VIP
微信客服
  • 扫码咨询
会员Q群
  • 会员专属群点击这里加入QQ群
客服邮箱
回到顶部