电脑桌面
添加小米粒文库到电脑桌面
安装后可以在桌面快捷访问

钢结构课程设计11

钢结构课程设计11_第1页
1/21
钢结构课程设计11_第2页
2/21
钢结构课程设计11_第3页
3/21
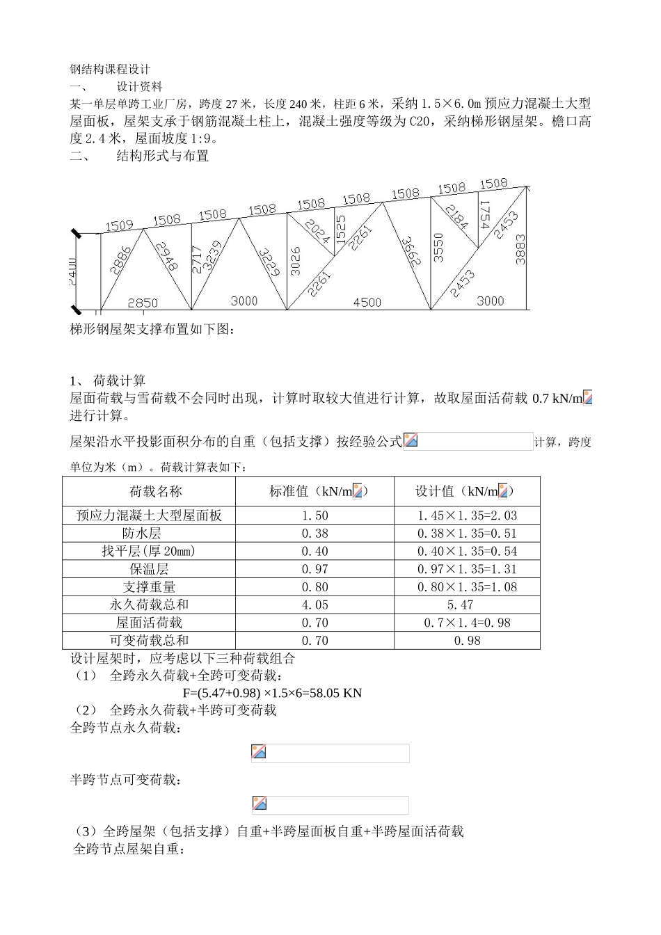
钢结构课程设计一、设计资料某一单层单跨工业厂房,跨度 27 米,长度 240 米,柱距 6 米,采纳 1.5×6.0m 预应力混凝土大型屋面板,屋架支承于钢筋混凝土柱上,混凝土强度等级为 C20,采纳梯形钢屋架。檐口高度 2.4 米,屋面坡度 1:9。二、结构形式与布置梯形钢屋架支撑布置如下图:1、 荷载计算屋面荷载与雪荷载不会同时出现,计算时取较大值进行计算,故取屋面活荷载 0.7 kN/m进行计算。屋架沿水平投影面积分布的自重(包括支撑)按经验公式计算,跨度单位为米(m)。荷载计算表如下: 荷载名称 标准值(kN/m )设计值(kN/m ) 预应力混凝土大型屋面板1.501.45×1.35=2.03 防水层0.380.38×1.35=0.51找平层(厚 20mm) 0.400.40×1.35=0.54保温层0.970.97×1.35=1.31支撑重量0.800.80×1.35=1.08永久荷载总和4.05 5.47屋面活荷载0.700.7×1.4=0.98可变荷载总和0.700.98设计屋架时,应考虑以下三种荷载组合(1) 全跨永久荷载+全跨可变荷载:F=(5.47+0.98) ×1.5×6=58.05 KN(2) 全跨永久荷载+半跨可变荷载全跨节点永久荷载:半跨节点可变荷载: (3)全跨屋架(包括支撑)自重+半跨屋面板自重+半跨屋面活荷载 全跨节点屋架自重:半跨接点屋面板自重及活荷载:(1)、(2)为使用节点荷载情况,(3)为施工阶段荷载情况。4、内力计算本设计采纳程序计算杆件在单位节点力作用下各杆件的内力系数,见下表。由表内三种组合可见:组合一,对杆件计算主要起控制作用;组合三,可能引起中间几根斜腹杆发生内力变号。假如施工过程中,在屋架两侧对称均匀铺设面板,则可避开内力变号而不用组合三由数解法解得 F=1 时的屋架各杆件的内力系数(F=1 作用于全跨\左半跨和右半跨).然后进行组合,如下表:` 杆 件 名称内力系数(F=1)第 一 种 组合第二种组合第三种组合计 算 杆 件内力(kN) 全跨①左 半跨②右 半跨③F×①×①+×①+×①+×①+ ×②×③×②×③上AB 00 0000弦BC、CD0-6.06-2.350-20.727-20.727-336.51-130.5-336.51 DE-8.41-9.14-4.3-488.2-494.64-451.95-589.29-320.52-589.29 EF,-13.44-9.63-4.3-780.19-746.59-699.58-665.39-369.42-780.19 FG-13.92-9.63-4.3-808.06-770.22-723.21-670.06-374.08-808.06 GH-13.92-9.47-6.53-808.06-768.81-742.88-661.17-497.91-808.06 HI-16-9.9-6.54-832.44-24.56-803.54-705.27-518.69-832.44 IJ-16.44-9.9-6.54-859.20-812.66-806.02-709.54-52...

1、当您付费下载文档后,您只拥有了使用权限,并不意味着购买了版权,文档只能用于自身使用,不得用于其他商业用途(如 [转卖]进行直接盈利或[编辑后售卖]进行间接盈利)。
2、本站所有内容均由合作方或网友上传,本站不对文档的完整性、权威性及其观点立场正确性做任何保证或承诺!文档内容仅供研究参考,付费前请自行鉴别。
3、如文档内容存在违规,或者侵犯商业秘密、侵犯著作权等,请点击“违规举报”。

碎片内容

钢结构课程设计11

确认删除?
VIP
微信客服
  • 扫码咨询
会员Q群
  • 会员专属群点击这里加入QQ群
客服邮箱
回到顶部