电脑桌面
添加小米粒文库到电脑桌面
安装后可以在桌面快捷访问

钢铁公司热电工程水处理技术协议

钢铁公司热电工程水处理技术协议_第1页
1/19
钢铁公司热电工程水处理技术协议_第2页
2/19
钢铁公司热电工程水处理技术协议_第3页
3/19
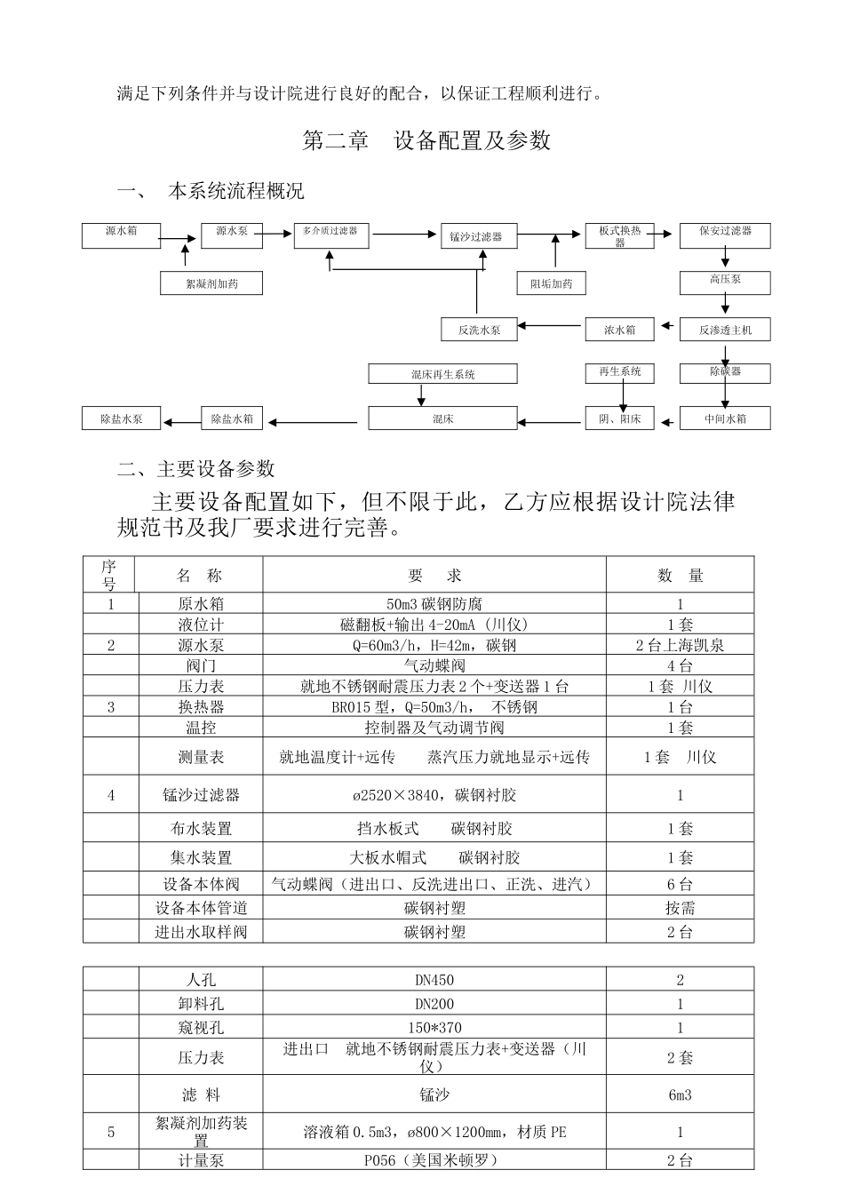
**县**钢铁有限公司热电工程水处理技术协议甲方:**县**钢铁有限公司乙方:目 录第一章前言第二章设备配置及参数第三章 主要技术要求第四章性能及质量保证第五章技术资料第六章 包装及运输第七章其它第一章 前言****钢铁有限公司(简称甲方)根据煤气发电工程需要,需向 (简称乙方)订购水处理设备一套,2025 年 月 日甲乙双方在公平、自愿的基础上,就甲方所购水处理设备有关事宜,达成以下技术协议,同时乙方保证所提供的设备能满足下列条件并与设计院进行良好的配合,以保证工程顺利进行。第二章 设备配置及参数一、 本系统流程概况源水箱源水泵多介质过滤器锰沙过滤器板式换热器保安过滤器絮凝剂加药阻垢加药高压泵反洗水泵浓水箱反渗透主机 混床再生系统再生系统除碳器除盐水泵除盐水箱混床阴、阳床中间水箱二、主要设备参数主要设备配置如下,但不限于此,乙方应根据设计院法律规范书及我厂要求进行完善。序 号名 称要 求数 量1原水箱50m3 碳钢防腐1液位计磁翻板+输出 4-20mA (川仪)1 套2源水泵Q=60m3/h,H=42m,碳钢2 台上海凯泉阀门气动蝶阀4 台压力表就地不锈钢耐震压力表 2 个+变送器 1 台1 套 川仪3换热器BR015 型,Q=50m3/h, 不锈钢1 台 温控控制器及气动调节阀1 套测量表就地温度计+远传 蒸汽压力就地显示+远传1 套 川仪4锰沙过滤器ø2520×3840,碳钢衬胶1布水装置挡水板式 碳钢衬胶1 套集水装置大板水帽式 碳钢衬胶1 套设备本体阀气动蝶阀(进出口、反洗进出口、正洗、进汽)6 台设备本体管道碳钢衬塑按需进出水取样阀碳钢衬塑2 台人孔DN4502卸料孔DN2001窥视孔150*3701压力表进出口 就地不锈钢耐震压力表+变送器(川仪)2 套滤 料锰沙6m35絮凝剂加药装置溶液箱 0.5m3,ø800×1200mm,材质 PE 1 计量泵P056(美国米顿罗)2 台 6管道混合器管道式 CH-100×1250,Q=100m3/h,不锈钢17多介质过滤器2520*5040,碳钢衬胶1 台布水装置挡水板式 碳钢衬胶1 套集水装置大板水帽式 碳钢衬胶1 套 设备本体阀气动蝶阀(进出口、反洗进出口、正洗、进汽)6 台设备本体管道碳钢衬塑按需进出水取样阀碳钢衬塑2 台人孔DN4502卸料孔DN2001窥视孔150*3701压力表进出口 就地不锈钢耐震压力表+变送器(川仪)2 套填料无烟煤 ø0.8-1.8 H=1500mm4m3石英砂 ø1.0-2.0 H=500mm2m38反洗水泵KQW125/150-18.5/2 Q=150m3 H=28m2 台压力表进出口 就地不锈钢耐震压力表 2 块+变送器(...

1、当您付费下载文档后,您只拥有了使用权限,并不意味着购买了版权,文档只能用于自身使用,不得用于其他商业用途(如 [转卖]进行直接盈利或[编辑后售卖]进行间接盈利)。
2、本站所有内容均由合作方或网友上传,本站不对文档的完整性、权威性及其观点立场正确性做任何保证或承诺!文档内容仅供研究参考,付费前请自行鉴别。
3、如文档内容存在违规,或者侵犯商业秘密、侵犯著作权等,请点击“违规举报”。

碎片内容

钢铁公司热电工程水处理技术协议

不二商店+ 关注
实名认证
内容提供者

我是你的不二选择

确认删除?
VIP
微信客服
  • 扫码咨询
会员Q群
  • 会员专属群点击这里加入QQ群
客服邮箱
回到顶部