电脑桌面
添加小米粒文库到电脑桌面
安装后可以在桌面快捷访问

长沙某休闲中心中央空调施工组织设计

长沙某休闲中心中央空调施工组织设计_第1页
1/23
长沙某休闲中心中央空调施工组织设计_第2页
2/23
长沙某休闲中心中央空调施工组织设计_第3页
3/23
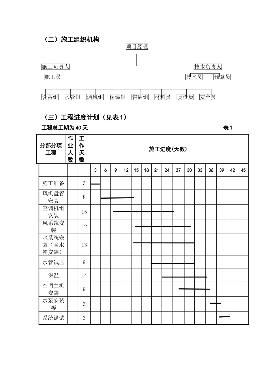
施工组织方案(一)编制说明本施工方案系以《长沙 XX 休闲中心中央空调、中央热水系统设计方案图》为依据,以国家现行建筑安装施工法律规范为基础,以国家现行有关建筑安装施工、验收法律规范及质量评定标准为标准,为确保工程施工优质、安全进行,创优良工程、文明工程而编制完成的。1.工程概况长沙 XX 休闲中心中央空调工程空调总面积约 2000m2,冷热源配置“菲达斯”风冷热泵中央空调机组。2.施工中采纳的法律规范及技术标准1.GB50243-97《通风与空调工程施工及验收法律规范》2.GB242-82《采暖与卫生工程施工及验收法律规范》3.GBJ23-96《机械设备安装施工及验收通用法律规范》4.TJ304-74《建筑安装工程质量检验评定标准》5.TB1223-86《通风空调机安装技术标准》6.GB50235-97《工业管道工程施工及验收法律规范》3.主要设备主机:PHACWH220HE 4 台 水泵: 3 台末端: 风机盘管机组 58 台 吊顶空调机组 台 保温水箱: 3 台(二)施工组织机构项目经理施工负责人 技术负责人 施工员 技术员 预算员设备组 水管组 通风组 保温组 售后组 材料员 质检员 安全员(三)工程进度计划(见表 1)工程总工期为 40 天 表 1分部分项工程作业人数工作天数施工进度(天数)369121518212427303336394245施工准备3风机盘管 安装8空调机组安装15风系统安装12水系统安装(含水箱安装)13水管试压9保温14空调主机安装9水泵安装等3系统调试3(四)施工准备1.现场临时设施仓库:利用现有建筑设施,在建筑物内占用 150 ㎡左右的临时场地,用于堆放材料和施工机具。办公:利用 2~3 间空置房作现场办公用房。2.电源、水源计划进 6 台交直流电焊机,2 台电动试压泵,4 台套丝机等。4 台切割机,4套气割气焊设备,起重提升设备,电动工具适量配备等,估计有 80~100KW 用电负荷,要求电源接至施工场地 10m 以内。3.道路保持通道、楼下、楼上、电梯或楼梯畅通,确保设备及材料可以顺利运至安装位置。(五)主要施工方法及技术措施1.设备安装施工程序及技术要求1)设备安装施工程序: 清洗调整 无负荷试车 投运联动试车 交出验收2)安装技术要求:① 平面位置允差 10mm,标高±20―10mm。② 纵横水平度安装偏差不应大于 1/1000;③ 整体安装的制冷机组一般进行外表清洗,并检查机组内真空情况,符合设备文件规定的设备,其内部零件可不拆洗,但如超过保险期或有明显缺陷应进行拆洗。④ 制冷机组安装根据现...

1、当您付费下载文档后,您只拥有了使用权限,并不意味着购买了版权,文档只能用于自身使用,不得用于其他商业用途(如 [转卖]进行直接盈利或[编辑后售卖]进行间接盈利)。
2、本站所有内容均由合作方或网友上传,本站不对文档的完整性、权威性及其观点立场正确性做任何保证或承诺!文档内容仅供研究参考,付费前请自行鉴别。
3、如文档内容存在违规,或者侵犯商业秘密、侵犯著作权等,请点击“违规举报”。

碎片内容

长沙某休闲中心中央空调施工组织设计

您可能关注的文档

确认删除?
VIP
微信客服
  • 扫码咨询
会员Q群
  • 会员专属群点击这里加入QQ群
客服邮箱
回到顶部