电脑桌面
添加小米粒文库到电脑桌面
安装后可以在桌面快捷访问

隐胶缝蜂窝铝板幕墙施工工艺

隐胶缝蜂窝铝板幕墙施工工艺_第1页
1/9
隐胶缝蜂窝铝板幕墙施工工艺_第2页
2/9
隐胶缝蜂窝铝板幕墙施工工艺_第3页
3/9
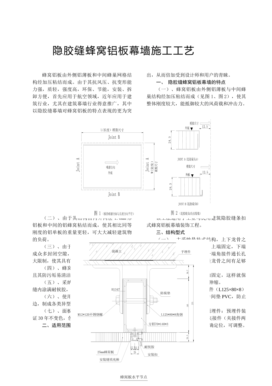
隐胶缝蜂窝铝板幕墙施工工艺蜂窝铝板由外侧铝薄板和中间蜂巢网格结构经加压粘结而成。由于其抗风压、抗变形能力强,质轻,强度高,环保、节能,安装、拆卸方便,首先应用于航空领域,近年应用于建筑行业,尤其在建筑幕墙行业得意推广,其中以隐胶缝幕墙对蜂窝铝板的特点表现的更为突出,从而倍加受到设计师和用户的青睐。一、 隐胶缝蜂窝铝板幕墙的特点(一)、蜂窝铝板由外侧铝薄板与中间蜂巢结构经加压粘结而成(见图 1、图 2),使其整体刚度较大,能抵御较大的风荷载和冲击力。(二)、由于其结构由内外两层 1.0mm 厚铝板和中间的铝蜂窝粘结而成,使其相比同等刚度的铝单板的重量更轻,可大大减轻建筑物的负荷。(三)、由于两板面之间空气层被蜂窝分成众多封闭空隙,使声音和热量的传播受到很大限制,使其具有更好的隔音、隔热性能。(四)、蜂窝铝板本身不会散发任何气体,且其防污垢易清洁可回收再利用。(五)、采纳独特的隐胶缝封盖条系统,缝内涂满耐候胶,外扣装饰条,即美观又防水。(六)、使用安装方便,可任意切割,折边,制成各类异型板。(七)、面板采纳氟碳喷涂工艺,可以保证 30 年不变色,色彩可供选择的很多。二、适用范围该工法适用于工业与民用建筑隐胶缝条扣式蜂窝铝板幕墙装饰工程。三、结构型式(一)、主采纳悬挂式结构,上下龙骨之间(楼层处)用铝插芯连接,上端固定,下端自由;横龙骨一端固定,另一端角接件通长孔活动连接;这样就保证了横竖龙骨之间有足够的活动量。(二)、铝板采纳止滑扣固定,这样就保证了铝板和龙骨之间有微量的伸缩。(三)、主龙骨通过夹接件(L125×80×8)与墙体固定,主龙骨与夹接件间垫 PVC,防止电化学腐蚀。(四)、夹接件和墙体预埋件:预埋件装M12 螺栓 2 个,用于临时固定夹接件(夹接件两侧均为通长孔),保证龙骨准确定位,可调整。 四、施工工艺(一)、工艺流程测量放线预埋件(后置件)龙骨安装避雷系统安装层间防火层安装蜂窝铝板安装泡沫填充条及耐候胶扣装饰条清洁及成品保护竣工验收预埋件抗拔试验及隐检变形缝、墙角连接隐检避雷系统隐检层间防火隐检幕墙封口验收铁件及连接点防腐隐检(二)、测量放线1、以结构边梁控制线作为幕墙安装基准线,向外放出 10cm 作为借出线,将各转角作为竖向控制基准点,根据幕墙设计分格将每条立柱中线基准点引到首层和顶层的借出线上。再用激光经纬仪将每条立柱的垂直线引到每层幕墙预埋铁件上。2、幕墙分格轴线的测量放...

1、当您付费下载文档后,您只拥有了使用权限,并不意味着购买了版权,文档只能用于自身使用,不得用于其他商业用途(如 [转卖]进行直接盈利或[编辑后售卖]进行间接盈利)。
2、本站所有内容均由合作方或网友上传,本站不对文档的完整性、权威性及其观点立场正确性做任何保证或承诺!文档内容仅供研究参考,付费前请自行鉴别。
3、如文档内容存在违规,或者侵犯商业秘密、侵犯著作权等,请点击“违规举报”。

碎片内容

隐胶缝蜂窝铝板幕墙施工工艺

您可能关注的文档

人从众+ 关注
实名认证
内容提供者

欢迎光临小店,本店以公文和教育为主,希望符合您的需求。

确认删除?
VIP
微信客服
  • 扫码咨询
会员Q群
  • 会员专属群点击这里加入QQ群
客服邮箱
回到顶部