电脑桌面
添加小米粒文库到电脑桌面
安装后可以在桌面快捷访问

高大模架在建筑工程中的应用

高大模架在建筑工程中的应用_第1页
1/33
高大模架在建筑工程中的应用_第2页
2/33
高大模架在建筑工程中的应用_第3页
3/33
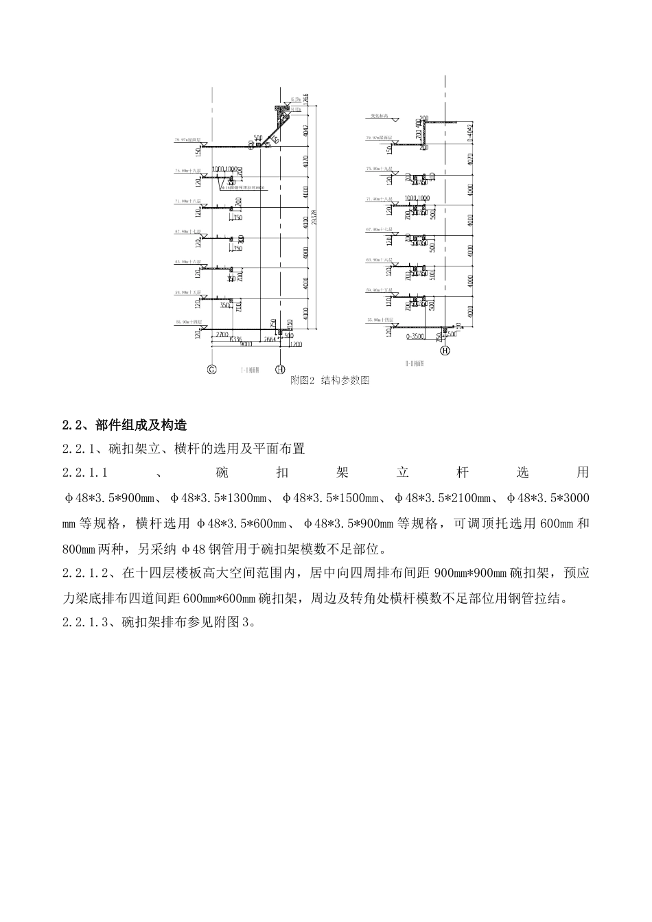
高大模架在建筑工程中的应用 通过北京**国际中心-东塔楼工程施工中应用高大模架的工程实例,介绍了碗扣架和钢管扣件脚手架在特别建筑构造中的应用,特别是根据建筑造型结构标高、层高进行了楼板承载力、架体稳定性验算,在施工中取得了良好效果。 1、工程概况北京**国际中心-东塔楼工程位于北京市朝阳区**大街 4 号(北京**厂现址 7 号)。基础形式为筏板基础,主体结构形式为框架剪力墙结构。总建筑面积 94448㎡,其中地上建筑面积 55766㎡, 地下建筑面积 38682㎡。其中地上 19 层,地下 5 层,檐高 87.95m,东段北侧地上十四层至屋面层楼板收缩形成高大空间,外观呈内凹“喇叭口”状。结构北侧地上十五层至地上十九层每一层楼板向南收缩,收缩后每层楼板结构边缘距 H轴 6300mm;东、西两侧楼板分别以 45°角向内对称收缩,收缩后楼板结构边缘距 H 轴最大距离为 6000mm,收缩层数与北侧相同,东、西、北三侧楼板收缩后平面呈倒梯形状;高大空间范围内屋面为 45°挑檐板,板厚 150m,挑檐高差 2.5m。挑檐顶 H 轴处为一根高2.7m“T”型预应力梁,跨度为 29m,梁顶标高 85.278m。 2、高大空间模架的组成、构造及施工2.1、总体设计本工程北侧高大空间范围内屋面楼板为 45°挑檐,板厚 150mm 挑檐顶 H 处轴为一根高2.7m“T”型预应力梁,跨度为 29m,梁顶标高 85.278m,高大空间及挑檐造型参见附图 1 和附图 2。挑檐楼板支撑采纳碗扣架,除预应力梁下碗扣架间距为 600mm*600mm*1200mm 外,其余部分间距为 900mm*900mm*1200mm。支撑从十四层楼板至屋面挑檐最高点近 28m,支撑体系采纳斜抛撑、水平拉结、钢丝绳拉结等稳定性措施,挑檐板做特别加固。2.2、部件组成及构造2.2.1、碗扣架立、横杆的选用及平面布置2.2.1.1、碗扣架立杆选用φ48*3.5*900mm、φ48*3.5*1300mm、φ48*3.5*1500mm、φ48*3.5*2100mm、φ48*3.5*3000mm 等规格,横杆选用 φ48*3.5*600mm、φ48*3.5*900mm 等规格,可调顶托选用 600mm 和800mm 两种,另采纳 φ48 钢管用于碗扣架模数不足部位。2.2.1.2、在十四层楼板高大空间范围内,居中向四周排布间距 900mm*900mm 碗扣架,预应力梁底排布四道间距 600mm*600mm 碗扣架,周边及转角处横杆模数不足部位用钢管拉结。2.2.1.3、碗扣架排布参见附图 3。2.2.2、十五至十九层预埋拉环2.2.2.1、在施工十五至十九层楼板过程中,在楼板边缘用 φ16 圆钢预埋拉环两道,每列两个拉环正...

1、当您付费下载文档后,您只拥有了使用权限,并不意味着购买了版权,文档只能用于自身使用,不得用于其他商业用途(如 [转卖]进行直接盈利或[编辑后售卖]进行间接盈利)。
2、本站所有内容均由合作方或网友上传,本站不对文档的完整性、权威性及其观点立场正确性做任何保证或承诺!文档内容仅供研究参考,付费前请自行鉴别。
3、如文档内容存在违规,或者侵犯商业秘密、侵犯著作权等,请点击“违规举报”。

碎片内容

高大模架在建筑工程中的应用

您可能关注的文档

元素商铺+ 关注
实名认证
内容提供者

欢迎挑选合适的文档

确认删除?
VIP
微信客服
  • 扫码咨询
会员Q群
  • 会员专属群点击这里加入QQ群
客服邮箱
回到顶部