电脑桌面
添加小米粒文库到电脑桌面
安装后可以在桌面快捷访问

高层住宅木模板施工计算说明书

高层住宅木模板施工计算说明书_第1页
1/28
高层住宅木模板施工计算说明书_第2页
2/28
高层住宅木模板施工计算说明书_第3页
3/28
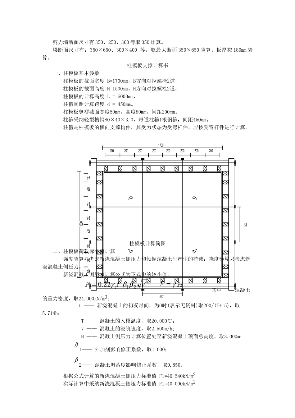
X X · X X I 期 工 程模板专项施工方案福建 XX 建设工程限公司二 00 八年九月二十八日施工组织设计(施工方案)报审表施表 7.1 共 页第 页工程名称XX·XXI 期工程施工单位福建 XX 建设工程有限公司编制单位现报上 XX·XX I 期 工程模板专项 施工组织总设计/施工组织设计/施工方案文件,请予以审查。主 编编制人工程项目部/专业分包施工单位 (盖章)技术负责人审核单位总承包单位审核意见:年 月 日总承包单位 (盖章)审核人审批人审查单位监理审查意见:监理审查结论: □同意实施 □施修改后 □报重新编制监理单位 (盖章)专业监理工程师日期:总监理工程师日期:工程概况XX•XXI 期工程工程是万宇(福建)建设进展有限公司为莆田人民营造一个现代化的高层住宅小区而投资兴建的,是集多种功能于一体的高档商住建筑群。1#-4#楼地下室为一层,±0.00 地面以上为 18 层住宅、7#、8#楼为 18 层。建筑物内除设计有完善的给水、排水及电气系统外,还设有通讯及计算机网络、闭路电视、安全监控报警、楼宇设备自动化、地下车库管理系统等建筑智能系统。工程位于莆田市中心市区荔园路片区下店路北侧。本工程建筑造型独特、别致、总平面布局合理,是人文居住的理想之地。二 建筑和结构特征工程地上总建筑面积 52684.2m2,阳台及入户花园面积 3672m2,建筑占地面积 5012.1 m2,地下室面积 10536m2;建筑高度 1#、2#楼 54.95m,3#楼 55.15m,4#楼 55.55m,7#、8#楼 55.35m。建筑±0.00 相当于黄海标高 8.400。工程为一级建筑,建筑耐火等级为一级,抗震设防烈度为 7 度。一、结构情况本工程采纳预应力离心管桩,主体结构体系为框剪结构,抗震等级为七度三级。本工程柱子断面尺寸有:1100×600、550×550、450×450、500×500 等,取最大断面600×1100 验算。最大柱高 4500。剪力墙断面尺寸有 350、250、300 等取 350 计算。梁断面尺寸有:350×650、300×400 等,取最大断面 350×650 验算。板厚按 180mm 验算。柱模板支撑计算书 一、柱模板基本参数 柱模板的截面宽度 B=1700mm,B方向对拉螺栓2道, 柱模板的截面高度 H=1500mm,H方向对拉螺栓2道, 柱模板的计算高度 L = 6000mm, 柱箍间距计算跨度 d = 450mm。 柱模板竖楞截面宽度50mm,高度80mm,间距200mm。 柱箍采纳轻型槽钢80×40×3.0,每道柱箍1根钢箍,间距450mm。 柱箍是柱模板的横向支撑构件,其受力状态为...

1、当您付费下载文档后,您只拥有了使用权限,并不意味着购买了版权,文档只能用于自身使用,不得用于其他商业用途(如 [转卖]进行直接盈利或[编辑后售卖]进行间接盈利)。
2、本站所有内容均由合作方或网友上传,本站不对文档的完整性、权威性及其观点立场正确性做任何保证或承诺!文档内容仅供研究参考,付费前请自行鉴别。
3、如文档内容存在违规,或者侵犯商业秘密、侵犯著作权等,请点击“违规举报”。

碎片内容

高层住宅木模板施工计算说明书

确认删除?
VIP
微信客服
  • 扫码咨询
会员Q群
  • 会员专属群点击这里加入QQ群
客服邮箱
回到顶部