电脑桌面
添加小米粒文库到电脑桌面
安装后可以在桌面快捷访问

高层住宅楼工程型钢悬挑脚手架计算书

高层住宅楼工程型钢悬挑脚手架计算书_第1页
1/17
高层住宅楼工程型钢悬挑脚手架计算书_第2页
2/17
高层住宅楼工程型钢悬挑脚手架计算书_第3页
3/17
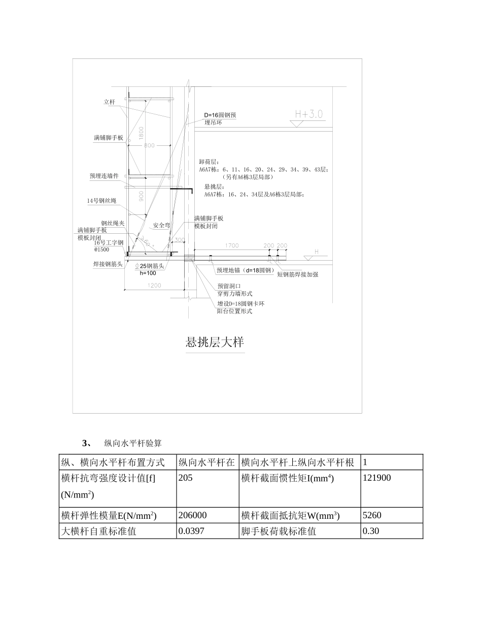
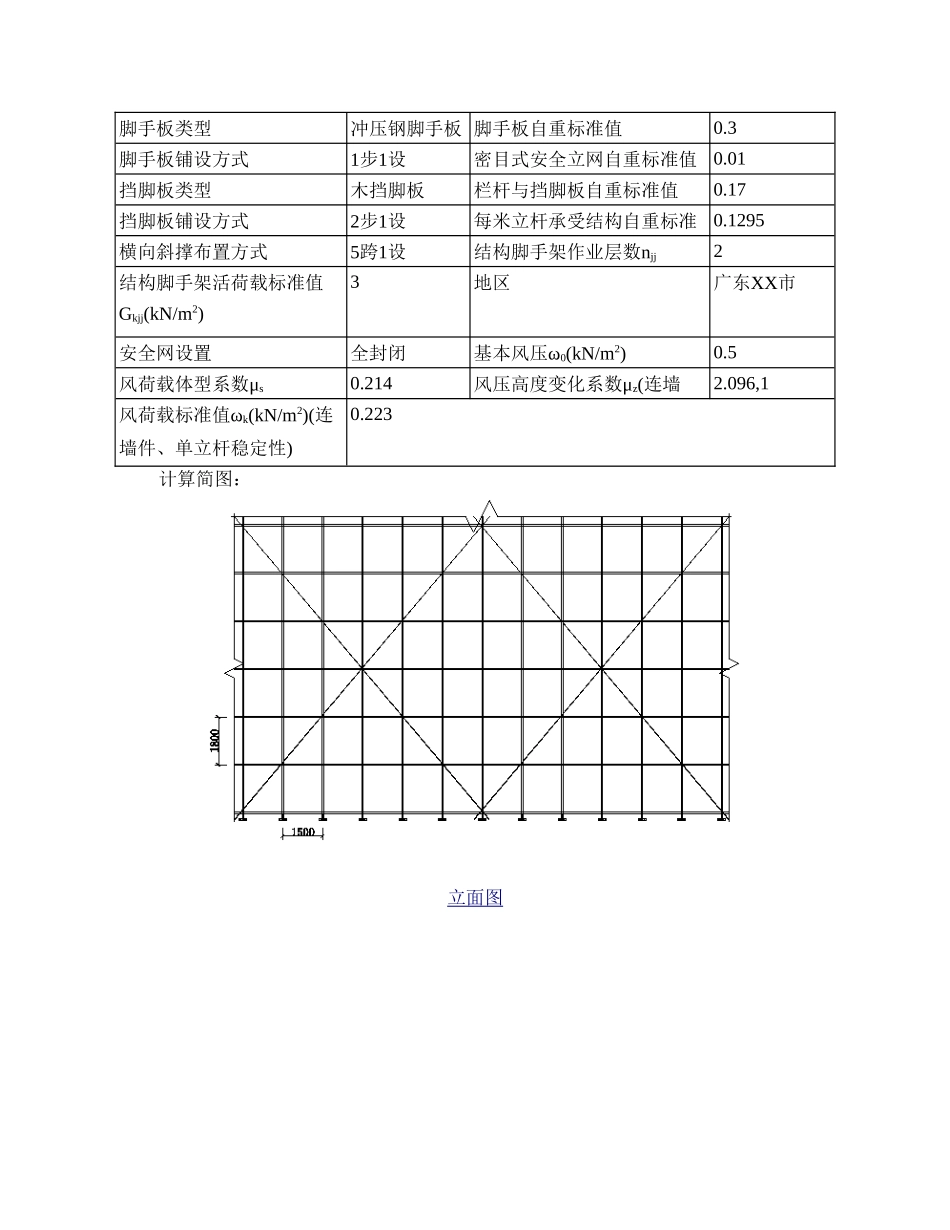
附件:《型钢悬挑脚手架计算书》一、 工程简介二、 架体验算1、脚手架参数脚手架搭设方式双排脚手架脚手架钢管类型Ф48×3.5脚手架最大搭设高度H(m)48脚手架沿纵向搭设长度L(m)335立杆步距h(m)1.8立杆纵距或跨距la(m)1.5立杆横距lb(m)0.85内立杆离建筑物距离a(m)0.3双立杆计算方法不设置双立杆2、荷载设计工程名称XX 开发区 SDK-D-2 地块住宅(自编 A6、A7 栋)工程地点XX 开发区开源大道以南建设单位XXXX 有限公司设计单位XX(深圳)有限公司监理单位XXXX 有限公司勘察单位XX 勘察院施工单位XX 有限公司层数(地上/地下)A6、A7 栋地上 43 层/地下 4 层,建筑高度 132.10m; 结构形式钢筋混凝土剪力墙结构建筑面积总 建 筑 面 积 约 83434.2m2, 其 中 地 下 建 筑 面 积28472.2m,地上建筑面积 54962m2。脚手板类型冲压钢脚手板 脚手板自重标准值Gkjb(kN/m2)0.3脚手板铺设方式1步1设密目式安全立网自重标准值Gkmw(kN/m2)0.01挡脚板类型木挡脚板栏杆与挡脚板自重标准值Gkdb(kN/m)0.17挡脚板铺设方式2步1设每米立杆承受结构自重标准值gk(kN/m)0.1295横向斜撑布置方式5跨1设结构脚手架作业层数njj2结构脚手架活荷载标准值Gkjj(kN/m2)3地区广东XX市安全网设置全封闭基本风压ω0(kN/m2)0.5风荷载体型系数μs0.214风压高度变化系数μz(连墙2.096,1风荷载标准值ωk(kN/m2)(连墙件、单立杆稳定性)0.223 计算简图:立面图穿剪力墙形式增设D=18圆钢卡环阳台位置形式悬挑层:A6A7栋:16、24、34层及A6栋3层局部;卸荷层:A6A7栋:6、11、16、20、24、29、34、39、43层; (另有A6栋3层局部)16号工字钢@1500D=16圆钢预埋吊环立杆满铺脚手板模板封闭满铺脚手板14号钢丝绳焊接钢筋头25钢筋头h=100短钢筋焊接加强预埋地锚(d=18圆钢)钢丝绳夹预留洞口安全弯预埋连墙件3、纵向水平杆验算纵、横向水平杆布置方式纵向水平杆在上横向水平杆上纵向水平杆根数n1横杆抗弯强度设计值[f](N/mm2)205横杆截面惯性矩I(mm4)121900横杆弹性模量E(N/mm2)206000横杆截面抵抗矩W(mm3)5260大横杆自重标准值(KN/m)0.0397脚手板荷载标准值(KN/m2)0.30纵、横向水平杆布置 承载能力极限状态q=1.2×(0.0397+Gkjb×lb/(n+1))+1.4×Gk×lb/(n+1)=1.2×(0.0397+0.3×0.85/(1+1))+1.4×3×0.85/(1+1)=1.872kN/m 计算简图如下: 剪力图(KN)弯矩图(KN.m)(1) 抗弯验算 Mmax=0.1qla2=0.527kN·m σ=Mmax/W=0.527×106/5260=100.19N/mm2≤[f]=...

1、当您付费下载文档后,您只拥有了使用权限,并不意味着购买了版权,文档只能用于自身使用,不得用于其他商业用途(如 [转卖]进行直接盈利或[编辑后售卖]进行间接盈利)。
2、本站所有内容均由合作方或网友上传,本站不对文档的完整性、权威性及其观点立场正确性做任何保证或承诺!文档内容仅供研究参考,付费前请自行鉴别。
3、如文档内容存在违规,或者侵犯商业秘密、侵犯著作权等,请点击“违规举报”。

碎片内容

高层住宅楼工程型钢悬挑脚手架计算书

您可能关注的文档

确认删除?
VIP
微信客服
  • 扫码咨询
会员Q群
  • 会员专属群点击这里加入QQ群
客服邮箱
回到顶部