电脑桌面
添加小米粒文库到电脑桌面
安装后可以在桌面快捷访问

高速铁路特大桥旋挖钻孔灌注桩作业指导书VIP专享

高速铁路特大桥旋挖钻孔灌注桩作业指导书_第1页
1/13
高速铁路特大桥旋挖钻孔灌注桩作业指导书_第2页
2/13
高速铁路特大桥旋挖钻孔灌注桩作业指导书_第3页
3/13
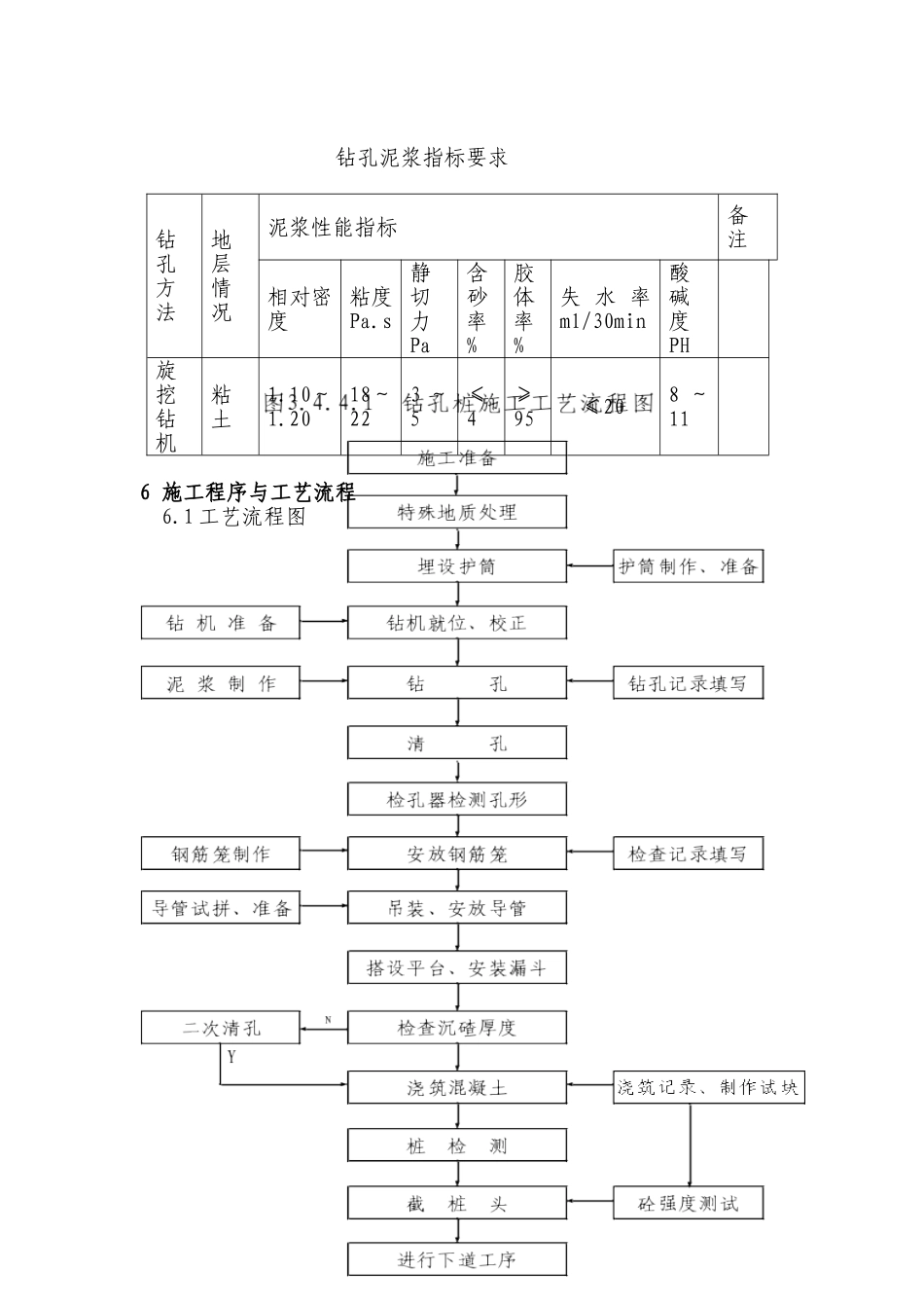
钻孔灌注桩作业指导书 1 、目的 明确钻孔桩施工作业的工艺流程、操作要点和相应的工艺标准,指导、法律规范钻孔桩作业施工。 2、编制依据《客运专线铁路路基工程施工质量验收暂行标准》《客运专线铁路路基工程施工技术指南》《新建铁路 XX 客运专线路基工程设计与施工参考图集》 3、适用范围 适用于新建铁路 XX 客运专线钻孔桩的施工。 4 、作业准备 4.1 内业技术准备 作业指导书编制完成后,应在开工前组织技术人员仔细学习实施性施工组织设计,阅读、审核施工图纸,澄清有关技术问题,熟悉法律规范和技术标准。制定施工安全保证措施,提出应急预案。对施工人员进行技术交底,对参加施工人员进行上岗前技术培训,考核后持证上岗。 4.2 外业技术准备 施工作业层中所涉及的各种外部技术数据收集。修建生活房屋,配齐生活、办公设施,满足主要管理、技术人员进场生活、办公需要。 5、 技术要求 成孔质量要求标准表项 目允 许 偏 差孔中心位置(㎜)≤50孔径(㎜)≥设计桩径倾斜度≤1%孔深不小于设计深沉渣厚度(㎜)柱桩≤50 、摩擦桩≤200清孔后泥浆指标相 对 密 度 :1.03 ~ 1.10 粘 度 :17 ~20Pa.s 含砂率:≤2% 胶体率:>95%钻孔泥浆指标要求 钻孔方法地层情况泥浆性能指标备注相对密度粘度Pa.s静切力Pa含砂率%胶体率%失 水 率ml/30min酸碱度PH旋挖钻机粘土1.10~1.2018~223 ~5≤4≥95≤208 ~11 6 施工程序与工艺流程 6.1 工艺流程图 7、 施工要求 7.1 施工准备 ① 首先确定钻孔桩位:根据基线控制网及桥墩设计坐标,用全站仪精确放出桩位。② 平整场地,清除杂物,填筑作业平台。钻机座不宜直接置于不坚实的填土上,以免产生不均匀沉陷。用建筑垃圾修通纵横施工便道,作为施工机具、材料、混凝土运送通道。③ 施工前根据地形、水文、地质条件及机具、设备、材料运输情况,规划施工场地,合理布置临时设施;④ 根据地质条件、技术要求确定钻进方法和选用合适的钻具;⑤ 对钻机各部位状态进行全面检查,确保其性能良好。护筒采纳钢护筒,由单节长度 2~5m 的护筒组成,埋置深度根据现场地质情况确定,护筒压入前及压入后,通过靠在护筒上的精确水平仪调整护筒的垂直位置。7.2 地质情况与泥浆制备根据设计提供的地质资料,沿线所经过的底层岩性较复杂,按其成因和时代分类主要有第四系全新统冲积层黏性土、粉土、砂类土,第四系上更新统冲积层黏性土、粉土、砂类土,岩层韵律较差。不良...

1、当您付费下载文档后,您只拥有了使用权限,并不意味着购买了版权,文档只能用于自身使用,不得用于其他商业用途(如 [转卖]进行直接盈利或[编辑后售卖]进行间接盈利)。
2、本站所有内容均由合作方或网友上传,本站不对文档的完整性、权威性及其观点立场正确性做任何保证或承诺!文档内容仅供研究参考,付费前请自行鉴别。
3、如文档内容存在违规,或者侵犯商业秘密、侵犯著作权等,请点击“违规举报”。

碎片内容

高速铁路特大桥旋挖钻孔灌注桩作业指导书

确认删除?
VIP
微信客服
  • 扫码咨询
会员Q群
  • 会员专属群点击这里加入QQ群
客服邮箱
回到顶部