电脑桌面
添加小米粒文库到电脑桌面
安装后可以在桌面快捷访问

2025质量部管理评审输入报告

2025质量部管理评审输入报告_第1页
1/14
2025质量部管理评审输入报告_第2页
2/14
2025质量部管理评审输入报告_第3页
3/14
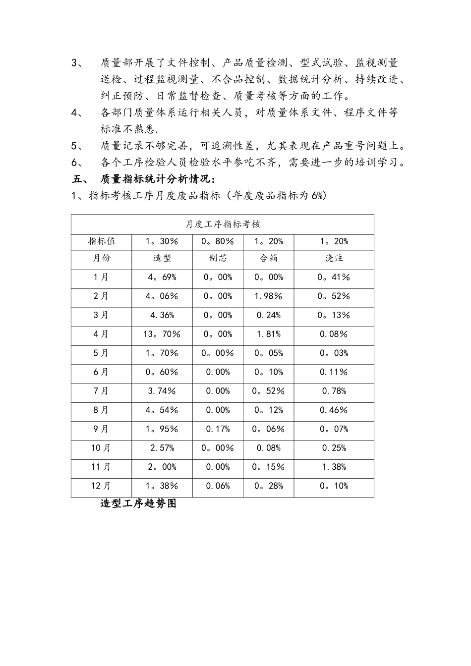
2025 年质量部管理评审输入报告本次管理评审输入资料统计时间段为 2025 年 1 月-2025 年 12 月一、 内外部审核情况:1、内部审核:技术质量部协同思创通客户代表分别于 2025 年 5 月组织对公司进行内部审核,共开具 1 个一般不符合项、6 个改进项目。根据检查结果充分反映了各个部门在执行体系程序文件时没有严格根据要求进行,质量工作落实情况差。 后续整改基本到位符合体系运行要求.2、2025 年 8 月 28—29 日公司接受 CRCC 认证中心关于 CRCC 第三次监督检查,本次监督检查共开具 3 个不合格项,整改完成并提交CRCC 认证中心,通过本次监督检查。3、2025 年 10 月 16-19 日公司接受了 AAR 认证中心关于 2025 年 度的车钩、摇枕侧架。年度监督检查,本次监督审核发现 8 个一般不符合项,已经整改完成后报 AAR 通过。4、2025 年 11 月 27/28 日公司接受了北京斯达尔认证中心关于 GB/T 19001-2025 的再认证,本次审核开具一个不合格项,整改完成并提交北京斯坦达尔认证中心,通过本次监督检查.二、 纠正预防措施:2025 年度我司外部质量及监督共开据不合格项 12 个,内部质量体系运行开具 24 个不合格项。全部实施了纠正预防措施,在各个部门及相关人员积极配合下,已经全部完成和关闭了以上 36 个不合格项的纠正预防措施。三、 质量管理体系的变化:1、由于公司领导层发生变化,质量手册及程序文件进行版本变更,当前版本为 TY-QM—2025 和 TY-QP-2025。2、国际 ISO 组织重新修订并颁布了 ISO9001-2025 版本,我司将于 2025 年 3 月根据 ISO9001—2025 质量管理体系要求重新修订颁布符合 ISO9001—2025 质量管理体系的手册及程序文件。四、 质量体系运行情况报告:1、完善了质量手册和程序文件等指导性质量体系文件,文件符合GB/T19001—2025、CRCC、AAR 的要求。2、协助各个部门根据体系文件和程序文件要求建立健全各部门质量体系运行的工作流程,保持了相关质量体系运行的质量记录。3、质量部开展了文件控制、产品质量检测、型式试验、监视测量送检、过程监视测量、不合品控制、数据统计分析、持续改进、纠正预防、日常监督检查、质量考核等方面的工作。4、各部门质量体系运行相关人员,对质量体系文件、程序文件等标准不熟悉.5、质量记录不够完善,可追溯性差,尤其表现在产品重号问题上。6、各个工序检验人员检验水平参吃不齐,需要进一步的培训学习。五、 质量指标...

1、当您付费下载文档后,您只拥有了使用权限,并不意味着购买了版权,文档只能用于自身使用,不得用于其他商业用途(如 [转卖]进行直接盈利或[编辑后售卖]进行间接盈利)。
2、本站所有内容均由合作方或网友上传,本站不对文档的完整性、权威性及其观点立场正确性做任何保证或承诺!文档内容仅供研究参考,付费前请自行鉴别。
3、如文档内容存在违规,或者侵犯商业秘密、侵犯著作权等,请点击“违规举报”。

碎片内容

2025质量部管理评审输入报告

元素商铺+ 关注
实名认证
内容提供者

欢迎挑选合适的文档

确认删除?
VIP
微信客服
  • 扫码咨询
会员Q群
  • 会员专属群点击这里加入QQ群
客服邮箱
回到顶部