电脑桌面
添加小米粒文库到电脑桌面
安装后可以在桌面快捷访问

DL/T-5210.3-2025-电力建设施工质量验收及评价规程-第3部分:汽轮发电机组VIP专享

DL/T-5210.3-2025-电力建设施工质量验收及评价规程-第3部分:汽轮发电机组_第1页
1/374
DL/T-5210.3-2025-电力建设施工质量验收及评价规程-第3部分:汽轮发电机组_第2页
2/374
DL/T-5210.3-2025-电力建设施工质量验收及评价规程-第3部分:汽轮发电机组_第3页
3/374
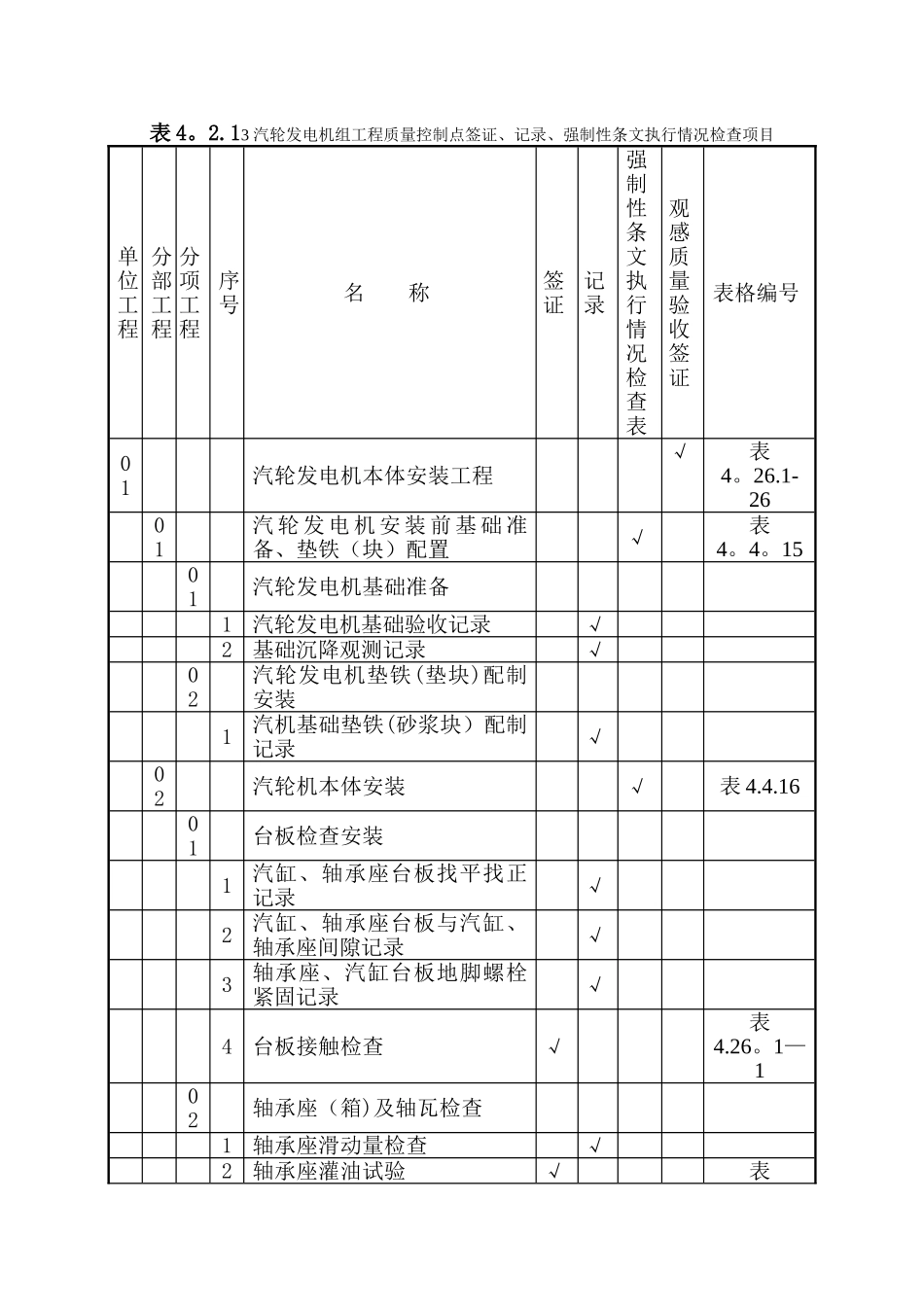
表 4。2.13 汽轮发电机组工程质量控制点签证、记录、强制性条文执行情况检查项目单位工程分部工程分项工程序号名 称签证记录强制性条文执行情况检查表观感质量验收签证表格编号01汽轮发电机本体安装工程√表4。26.1-2601汽 轮 发 电 机 安 装 前 基 础 准备、垫铁(块)配置√表4。4。1501汽轮发电机基础准备1汽轮发电机基础验收记录√2基础沉降观测记录√02汽轮发电机垫铁(垫块)配制安装1汽机基础垫铁(砂浆块)配制记录√02汽轮机本体安装√表 4.4.1601台板检查安装1汽缸、轴承座台板找平找正记录√2汽缸、轴承座台板与汽缸、轴承座间隙记录√3轴承座、汽缸台板地脚螺栓紧固记录√4台板接触检查√表4.26。1—102轴承座(箱)及轴瓦检查1轴承座滑动量检查√2轴承座灌油试验√表4.26。1-23推力瓦接触及推力间隙检查√4轴瓦垫块及轴瓦与轴颈接触检查√03轴承座(箱)及轴瓦安装1轴承座中分面水平记录√2轴瓦安装记录√3推力瓦安装记录√4油挡间隙记录√5轴承座扣盖√表4。26。1-304汽缸及缸内部件清理检查1汽缸外观检查√表4.26。1—405汽轮机转子检查1汽机转子外观检查√表4.26。1-52轴颈的椭圆度及不柱度记录√3轴的弯曲记录√4推力盘端面瓢偏记录 √5联轴器端面瓢偏记录√06汽缸组合就位1汽缸组合记录√2汽缸就位找正记录√3汽缸中分面间隙记录07汽缸内部件组合安装表 4.2。13 续单位工程分部工程分项工程序号名 称签证记录强制性条文执行情况检查表观感质量验收签证表格编号1汽缸隔板洼窝找中心记录√2汽缸内缸纵、横销安装记录√3内缸支撑键安装记录√4内缸中分面水平记录√5内缸中分面间隙记录√6隔板膨胀间隙测量记录√7高、中压喷嘴室检查封闭√表 4.26.1—608汽缸负荷分配1汽缸负荷分配√09通流间隙测量调整1通流间隙检查√2最小轴向通流间隙检查√3转子定位尺寸外引√4靠背轮垫片厚度记录√10汽封间隙测量调整1汽封间隙检查√11汽机扣盖1汽机扣盖前检查√表4。26。1—72汽机扣盖√表4。26.1—83汽缸中分面螺栓紧固记录√12轴系调整及连接1汽轮机转子联轴器找中心√2转子螺栓、螺母配重记录√3联轴器连接后晃动度记录√4转子螺栓、螺孔配合间隙记录√5联轴器螺栓紧固记录√13汽轮发电机基础二次浇灌1基础二次灌浆前检查√表4.26。1-914滑销系统间隙测量、调整1滑销系统间隙测量记录√15盘车设备检查安装盘车装置齿轮间隙测量记录√01汽门及调速汽门安装表 4.2。13 续单位工程分部工程分项工程序号名 称签证记录强制性条...

1、当您付费下载文档后,您只拥有了使用权限,并不意味着购买了版权,文档只能用于自身使用,不得用于其他商业用途(如 [转卖]进行直接盈利或[编辑后售卖]进行间接盈利)。
2、本站所有内容均由合作方或网友上传,本站不对文档的完整性、权威性及其观点立场正确性做任何保证或承诺!文档内容仅供研究参考,付费前请自行鉴别。
3、如文档内容存在违规,或者侵犯商业秘密、侵犯著作权等,请点击“违规举报”。

碎片内容

DL/T-5210.3-2025-电力建设施工质量验收及评价规程-第3部分:汽轮发电机组

确认删除?
VIP
微信客服
  • 扫码咨询
会员Q群
  • 会员专属群点击这里加入QQ群
客服邮箱
回到顶部