电脑桌面
添加小米粒文库到电脑桌面
安装后可以在桌面快捷访问

ISO9001、14001、45001标准条款对比表

ISO9001、14001、45001标准条款对比表_第1页
1/5
ISO9001、14001、45001标准条款对比表_第2页
2/5
ISO9001、14001、45001标准条款对比表_第3页
3/5
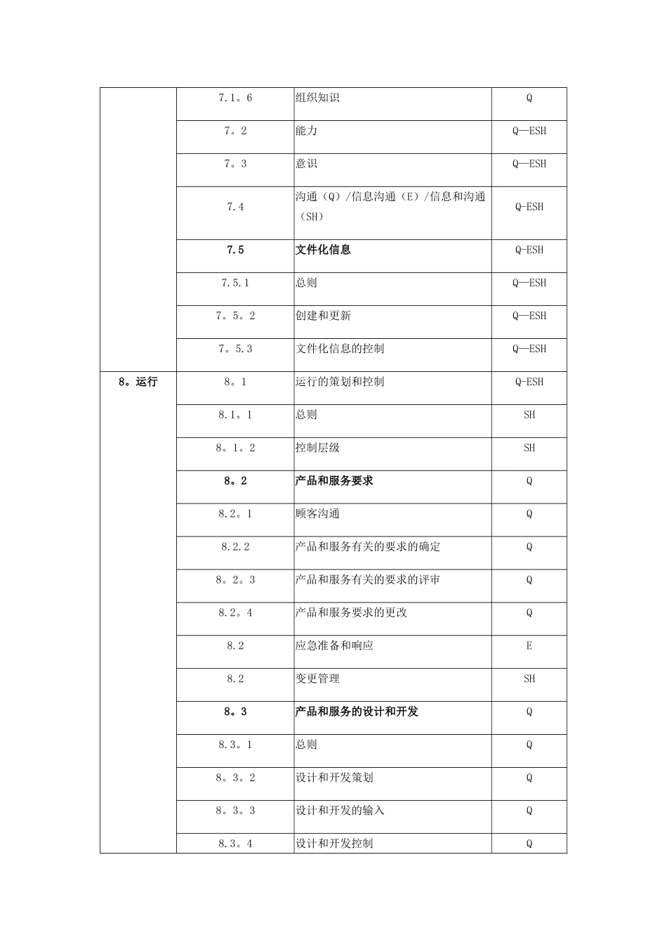
ISO9001/ISO14001/ISO45001 标准条款对比表ISO9001,14001,OSHAS18001 大分类条款小分类区分4.组织的情况4.1理解组织及其环境Q—ESH4。2理解(员工-SH)及其它相关方需求和期望Q-ESH4。3确定管理体系(质量/环境/职业健康安全)的范围Q-ESH4.4质量管理体系及其过程/环境/职业健康安全管理体系Q-ESH5。Leadership(领导作用)5。1领导作用和承诺Q-ESH5.1。1总则(Q)Q—ESH5。1.2以顾客为关注焦点(Q)Q5。2方针Q-ESH5。2。1制定质量方针(Q)Q—ESH5.2.2沟通质量方针(Q)Q—ESH5.3组织的岗位,责任和权限Q-ESH5.4参加与协商SH6.策划6。1应对风险和机会的措施Q-ESH6.1。1总则E6.1。2环境因素E6.1.3合规义务E6。1。4措施的策划E6。1。1总则SH6.1。2危险源识别和职业健康安全风险评价SH6。1。2。1危险源辨识SH6.1.2.2职业健康安全风险和其他职业健康安全管理体系的风险评价SH6。1。2.3识别职业健康安全机遇和其他机遇SH6。1。3确定适用的法律法规要求和其他要求SH6.1。4措施的策划SH6。2(质量/环境/职业健康安全)目标及其实现的策划Q—ESH6.2.1环境目标E6。2。2实现环境目标的措施的策划E6.2.1职业健康安全目标SH6。2。2实现职业健康安全目标的策划SH6。3变更的策划Q7.支持7.1资源Q—ESH7.1。1总则Q-ESH7。1.2人员Q7.1.3基础设施Q7.1。4过程运行环境Q7.1。5监视和测量资源Q7.1.5。1总则Q7.1。5。2测量的可追溯性Q7.1。6组织知识Q7。2能力Q—ESH7。3意识Q—ESH7.4沟通(Q)/信息沟通(E)/信息和沟通(SH)Q-ESH7.5文件化信息Q-ESH7.5.1总则Q—ESH7。5。2创建和更新Q—ESH7。5.3文件化信息的控制Q—ESH8。运行8。1运行的策划和控制Q-ESH8.1。1总则SH8。1。2控制层级SH8。2产品和服务要求Q8.2。1顾客沟通Q8.2.2产品和服务有关的要求的确定Q8。2。3产品和服务有关的要求的评审Q8.2。4产品和服务要求的更改Q8.2应急准备和响应E8.2变更管理SH8。3产品和服务的设计和开发Q8.3。1总则Q8。3。2设计和开发策划Q8。3。3设计和开发的输入Q8.3。4设计和开发控制Q8。3。5设计和开发的输出Q8。3.6设计和开发的变更Q8.3外包管理SH8。4外部提供的过程、产品和服务的控制Q8.4.1总则Q8.4。2控制类型和程度Q8.4。3提供给外部供方的信息Q8.4采购SH 8。5生产和服务的提供Q8.5。1生产和服务提供的控制Q8.5。2标识和可追溯性Q8。5.3顾客或外部供方的财产Q8。5。4防护Q8。5。5交付后的活动Q8。5。6更改控制Q8.5承包商SH 8。6产品和服务的放行Q8。6应急准备和响应SH 8.7不合格...

1、当您付费下载文档后,您只拥有了使用权限,并不意味着购买了版权,文档只能用于自身使用,不得用于其他商业用途(如 [转卖]进行直接盈利或[编辑后售卖]进行间接盈利)。
2、本站所有内容均由合作方或网友上传,本站不对文档的完整性、权威性及其观点立场正确性做任何保证或承诺!文档内容仅供研究参考,付费前请自行鉴别。
3、如文档内容存在违规,或者侵犯商业秘密、侵犯著作权等,请点击“违规举报”。

碎片内容

ISO9001、14001、45001标准条款对比表

您可能关注的文档

确认删除?
VIP
微信客服
  • 扫码咨询
会员Q群
  • 会员专属群点击这里加入QQ群
客服邮箱
回到顶部