电脑桌面
添加小米粒文库到电脑桌面
安装后可以在桌面快捷访问

M30.0普通砂浆配合比

M30.0普通砂浆配合比_第1页
1/3
M30.0普通砂浆配合比_第2页
2/3
M30.0普通砂浆配合比_第3页
3/3
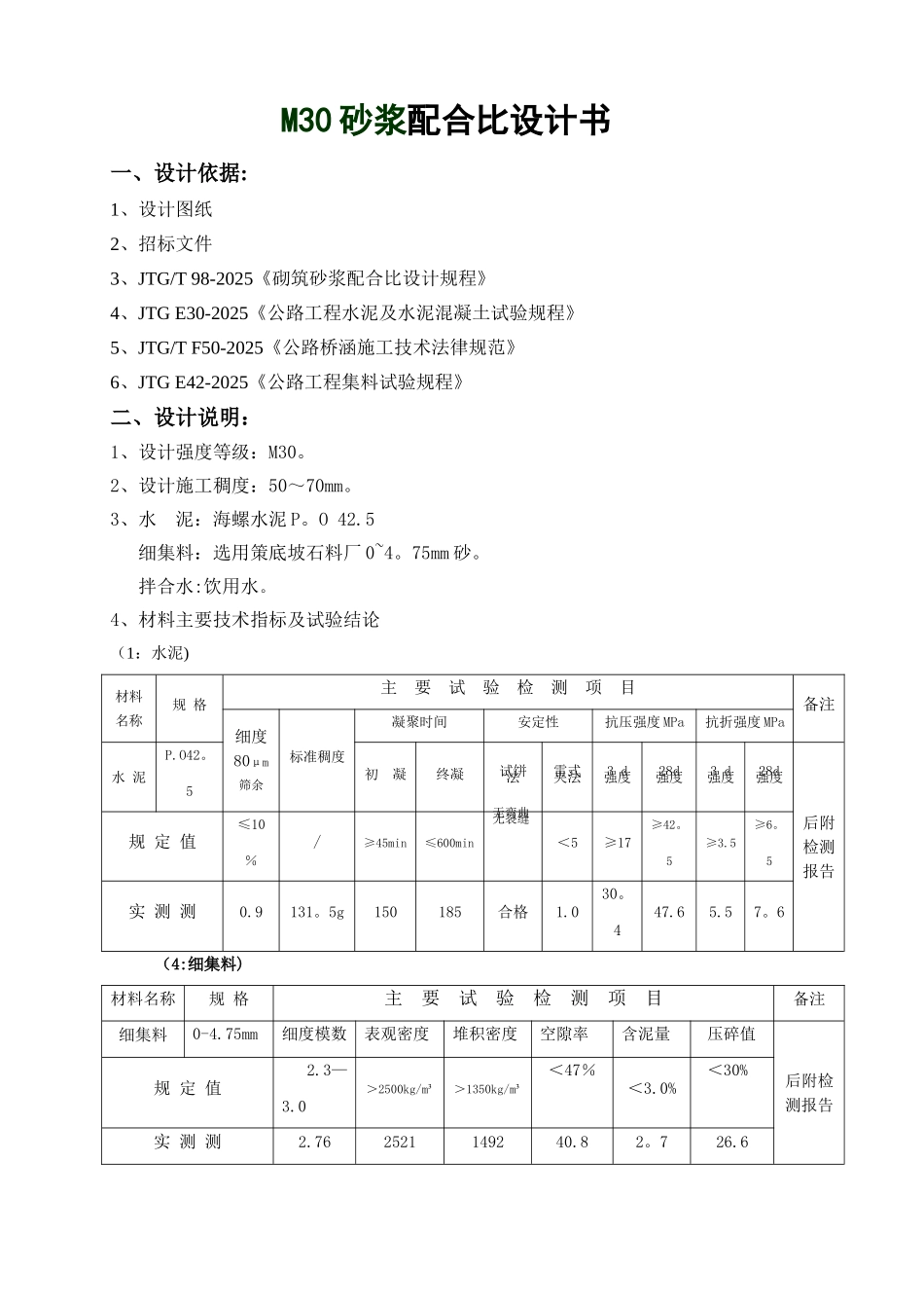
M30 砂浆配合比设计书一、设计依据:1、设计图纸2、招标文件3、JTG/T 98-2025《砌筑砂浆配合比设计规程》4、JTG E30-2025《公路工程水泥及水泥混凝土试验规程》5、JTG/T F50-2025《公路桥涵施工技术法律规范》6、JTG E42-2025《公路工程集料试验规程》二、设计说明:1、设计强度等级:M30。2、设计施工稠度:50~70mm。3、水 泥:海螺水泥 P。O 42.5细集料:选用策底坡石料厂 0~4。75mm 砂。拌合水:饮用水。4、材料主要技术指标及试验结论 (1:水泥)材料名称规 格主 要 试 验 检 测 项 目备注细度 80μm筛余标准稠度凝聚时间安定性抗压强度 MPa抗折强度 MPa水 泥P.O42。5初 凝终凝试饼法雷式夹法3 d 强度28d 强度3 d 强度28d 强度后附检测报告规 定 值≤10%/≥45min≤600min无弯曲无裂缝<5≥17≥42。5≥3.5≥6。5实 测 测0.9131。5g150185合格1.030。447.65.57。6 (4:细集料)材料名称规 格主 要 试 验 检 测 项 目备注细集料0-4.75mm细度模数表观密度堆积密度空隙率含泥量 压碎值后附检测报告规 定 值 2.3—3.0>2500kg/m³>1350kg/m³ <47%<3.0% <30%实 测 测2.762521149240.82。726.6三、砂浆初步配合比设计1、计算配制强度 砂浆设计强度: =30MPa 砂浆配制强度:(k 值取施工水平一般 1。20) = 30×1。20=36MPa 2、水泥用量计算: γc———-水泥强度等级值的富余系数,取 1.0 /(α)=1000×[36—(-15.09)]/(3。03×42.5)=397kg α,β-砂浆的特征系数,其中 α 取 3。03,β 取—15。09 3、计算水用量: 依据 JTG/T 98—2025《砌筑砂浆配合比设计规程》表 5。1。2 及试拌情况取用水量238kg 4、计算砂用量 依据 JTG/T 98-2025《砌筑砂浆配合比设计规程》表 4.0。2 取值为≧1900kg 砂用量=1900—397-238=1265kg 5、计算配合比: 配合比:水泥:砂:水 :=397:1265:238 比例为:1:3。19:0。601、根据砂浆配合比选定要求,以基准配合比为基础,另选配两个调整配合比,其用水量与基准配合比相同,胶凝材料较基准配合比分别增加或减少 10%,计算配合比材料用:序号水泥(kg)砂(kg)水(kg)假定容重(kg/m3)7d 强度28d 强度配 合 比C:S:W基准3971265238190029.91:3。19:0。60参照 1437122523819001:2.80:0。54参照 2357130523819001:3。67:0.672、根据各选定配合比混凝土拌合物工作性能及抗压强度值,假定容重与实测容重之差少于 2%,结合施工场地施工实际情况,拟选用申报配合比: 配合比:水泥:砂:水 :=397:1265:238 比例为:1:3。19:0。60

1、当您付费下载文档后,您只拥有了使用权限,并不意味着购买了版权,文档只能用于自身使用,不得用于其他商业用途(如 [转卖]进行直接盈利或[编辑后售卖]进行间接盈利)。
2、本站所有内容均由合作方或网友上传,本站不对文档的完整性、权威性及其观点立场正确性做任何保证或承诺!文档内容仅供研究参考,付费前请自行鉴别。
3、如文档内容存在违规,或者侵犯商业秘密、侵犯著作权等,请点击“违规举报”。

碎片内容

M30.0普通砂浆配合比

您可能关注的文档

确认删除?
VIP
微信客服
  • 扫码咨询
会员Q群
  • 会员专属群点击这里加入QQ群
客服邮箱
回到顶部