电脑桌面
添加小米粒文库到电脑桌面
安装后可以在桌面快捷访问

SG-A019卫生器具安装工程检验批质量验收记录

SG-A019卫生器具安装工程检验批质量验收记录_第1页
1/4
SG-A019卫生器具安装工程检验批质量验收记录_第2页
2/4
SG-A019卫生器具安装工程检验批质量验收记录_第3页
3/4
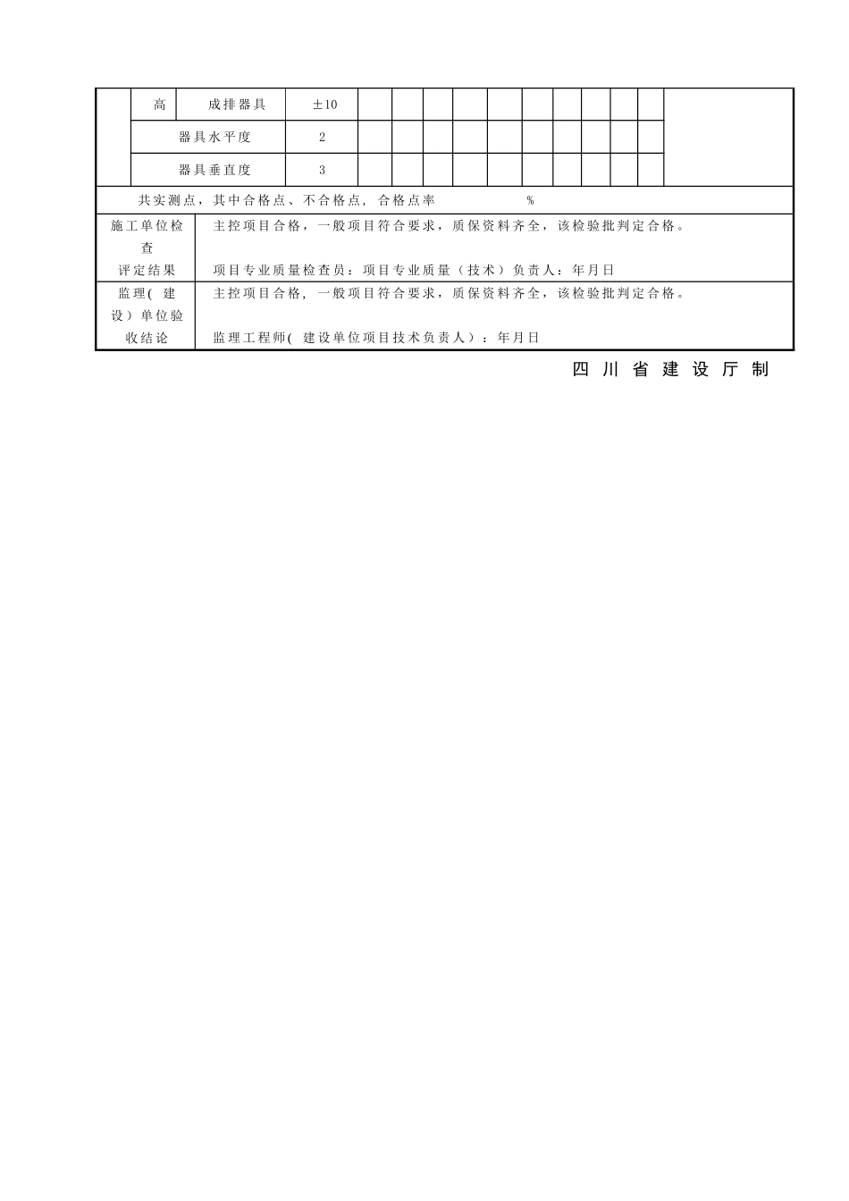
SG - A019卫 生 器 具 安 装 工 程 检 验 批 质 量 验 收 记 录 工 程 名 称分 项 工 程 名 称卫 生 器 具 给 排 水 系 统验 收 部 位4 层施 工 单 位项 目 负 责 人专 业 工 长施 工 班组 长施 工 执 行 标 准 及 编 号质 量 验 收 法 律 规 范 的 规 定施 工 单 位 检 查 评 定 记 录监 理 ( 建 设 ) 单位验 收 记 录主控项目1 . 排 水 栓 和 地 漏 的 安 装 应 平整 牢 固 , 低 于 排 不 表 面 , 周 边无 渗 漏经 检 查 , 地 漏 安 装 低 于 地 面 0.5mm, 周 边 已做 防 水 处 理 , 无 渗 漏4 层 经 旁 站 检 查及 验 收 , 符 合 要求2 . 卫 生 器 具 交 工前 应 做 满 水 和 通 水试 验7 。 2。 2 条卫 生 器 具 已 做 满 水 和 通 水 试 验 , 详 见 卫生 器 具 蓄水 试 验 表 SG - A0373 . 地 漏 水 封 高 度≥50mm50505050505050505050一般项目1 . 卫 生 器 具 的 安装 高 度 应 符 合 设 计和 法 律 规 范 的 要 求7 。 1。 3 条表 7.13严 格 根 据 设 计 要 求 施 工共 实 测 20 点 , 合格 17 点 , 合 格 点率 85 %2 . 有 饰 面 的 浴 盆 , 应 留 有 通向 浴 盆 排 水 口 的 检 修 门浴 盆 排 水 口 的 检 修 门 , 已 按 标 准 留 置300×300mm的 检 修 门3 . 小 便 槽 冲 洗 管 应 采 纳 镀 锌钢 管 或 硬 质 塑 料 管 , 冲 洗 水 流同 墙 面 成 45° 角 , 镀 锌 钢 管 钻孔 后 应 进 行 二 次 镀 锌 。冲 洗 管 采 纳 硬 质 塑 料 管 , 冲 洗 水 流 同 墙 面成 45° 角4 . 卫 生 器 具 的 支 、 托 架 必 须防 腐 良 好 , 安 装 平 整 、 牢 固 ,与 器 具 接 触 紧 密 、 平 稳卫 生 器 具 的 支 、 托 架 采 纳 镀 锌 处 理 , 安 装牢 固 可 靠5 . 卫 生 器 具 安 装 的 允 许 偏 差实 测 值项 目允 许 偏差(mm)坐标单 独 器 具10101098。79。89成 排 器 具5554。34。7标单 独 器 具±15高成 排 器 具±10器 具 水 平 度2器 具 垂 直...

1、当您付费下载文档后,您只拥有了使用权限,并不意味着购买了版权,文档只能用于自身使用,不得用于其他商业用途(如 [转卖]进行直接盈利或[编辑后售卖]进行间接盈利)。
2、本站所有内容均由合作方或网友上传,本站不对文档的完整性、权威性及其观点立场正确性做任何保证或承诺!文档内容仅供研究参考,付费前请自行鉴别。
3、如文档内容存在违规,或者侵犯商业秘密、侵犯著作权等,请点击“违规举报”。

碎片内容

SG-A019卫生器具安装工程检验批质量验收记录

确认删除?
VIP
微信客服
  • 扫码咨询
会员Q群
  • 会员专属群点击这里加入QQ群
客服邮箱
回到顶部