电脑桌面
添加小米粒文库到电脑桌面
安装后可以在桌面快捷访问

SG-A093电气工程隐蔽验收记录

SG-A093电气工程隐蔽验收记录_第1页
1/3
SG-A093电气工程隐蔽验收记录_第2页
2/3
SG-A093电气工程隐蔽验收记录_第3页
3/3
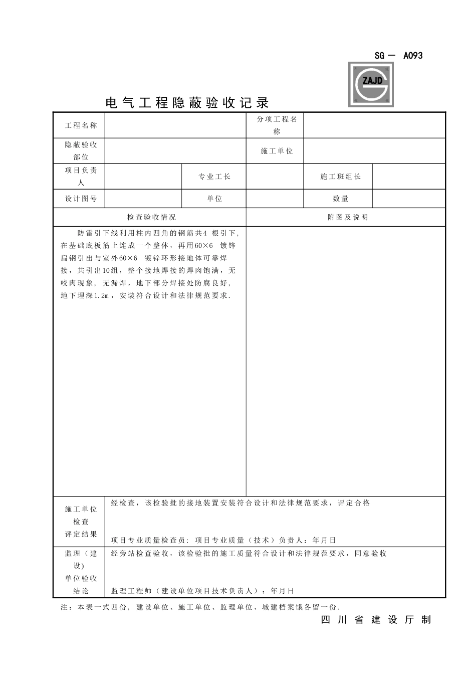
SG - A093电 气 工 程 隐 蔽 验 收 记 录 工 程 名 称分 项 工 程 名称隐 蔽 验 收部 位施 工 单 位项 目 负 责人专 业 工 长施 工 班 组 长设 计 图 号单 位数 量检 查 验 收 情 况附 图 及 说 明防 雷 引 下 线 利 用 柱 内 四 角 的 钢 筋 共 4 根 引 下 ,在 基 础 底 板 筋 上 连 成 一 个 整 体 , 再 用 60×6镀 锌扁 钢 引 出 与 室 外 60×6镀 锌 环 形 接 地 体 可 靠 焊接 , 共 引 出 10 组 , 整 个 接 地 焊 接 的 焊 肉 饱 满 , 无咬 肉 现 象 , 无 漏 焊 , 地 下 部 分 焊 接 处 防 腐 良 好 ,地 下 埋 深 1.2m , 安 装 符 合 设 计 和 法 律 规 范 要 求 .施 工 单 位检 查评 定 结 果经 检 查 , 该 检 验 批 的 接 地 装 置 安 装 符 合 设 计 和 法 律 规 范 要 求 , 评 定 合 格项 目 专 业 质 量 检 查 员 :项 目 专 业 质 量 ( 技 术 ) 负 责 人 : 年 月 日监 理 ( 建设 )单 位 验 收结 论经 旁 站 检 查 验 收 , 该 检 验 批 的 施 工 质 量 符 合 设 计 和 法 律 规 范 要 求 , 同 意 验 收监 理 工 程 师 ( 建 设 单 位 项 目 技 术 负 责 人 ) : 年 月 日注 : 本 表 一 式 四 份 , 建 设 单 位 、 施 工 单 位 、 监 理 单 位 、 城 建 档 案 饿 各 留 一 份 .四 川 省 建 设 厅 制SG—A093 填 写 说 明一、本记录用于电气工程隐蔽之前的检查验收. 检查完毕,应由施工单位专业工长根据检查实际情况填写“检查验收情况" 栏目的内容,需要附图或说明者,应在“附图及说明 栏目中填写及绘图.由项目专业质量检查员审查并作检查评定结果,监理(建设) 单位应作出验收结论,且有关人员应签字确认。二、被隐蔽的接线盒及导管应在隐蔽前检查合格, 方可隐蔽。直埋电缆必须隐检合格后,方可隐蔽.三、室外苴埋导管的路径,沟槽深度、宽度及垫层处理经检查确认,才能敷设导管,经隐检合格后,方可进行隐蔽。四、建筑物基础接地体, 待底板钢筋敷设完成,按设计要求做接地施工,经隐检合格后, 方能浇注混凝土隐蔽。人工接地体,按设计位置开挖沟槽, 经检查确...

1、当您付费下载文档后,您只拥有了使用权限,并不意味着购买了版权,文档只能用于自身使用,不得用于其他商业用途(如 [转卖]进行直接盈利或[编辑后售卖]进行间接盈利)。
2、本站所有内容均由合作方或网友上传,本站不对文档的完整性、权威性及其观点立场正确性做任何保证或承诺!文档内容仅供研究参考,付费前请自行鉴别。
3、如文档内容存在违规,或者侵犯商业秘密、侵犯著作权等,请点击“违规举报”。

碎片内容

SG-A093电气工程隐蔽验收记录

确认删除?
VIP
微信客服
  • 扫码咨询
会员Q群
  • 会员专属群点击这里加入QQ群
客服邮箱
回到顶部