电脑桌面
添加小米粒文库到电脑桌面
安装后可以在桌面快捷访问

SH3503-施工验收记录表

SH3503-施工验收记录表_第1页
1/18
SH3503-施工验收记录表_第2页
2/18
SH3503-施工验收记录表_第3页
3/18
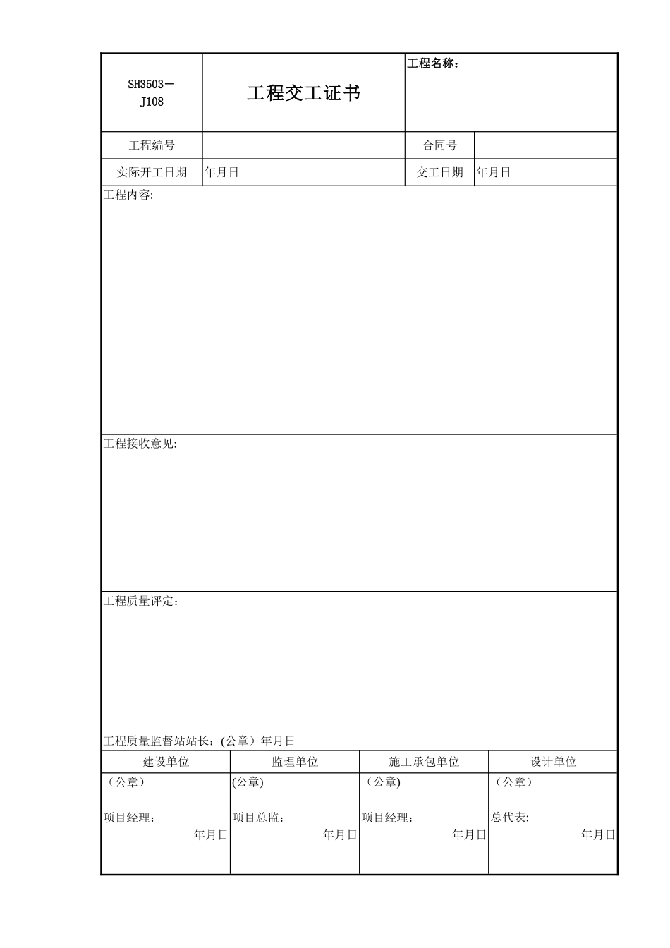
SH3503-J105开工报告工程名称:合同号设计单位计划开工日期年月日 计划竣工日期年月日工程内容开工条件审查结果建设单位监理单位施工承包单位(公章)项目经理:年月日(公章)项目总监:年月日(公章)项目经理:年月日SH3503-J108工程交工证书工程名称:工程编号合同号实际开工日期年月日交工日期年月日工程内容:工程接收意见:工程质量评定:工程质量监督站站长:(公章)年月日建设单位监理单位施工承包单位设计单位(公章)项目经理:年月日(公章)项目总监:年月日(公章)项目经理:年月日(公章)总代表:年月日SH3503-J112工程联络单工程名称:单元名称:工程类别:联络单编号送达单位提出日期提出单位内容:提出人:审核人:处理意见:签字:年月日会签:签字:年月日SH3503-J113设计变更一览表第页共页工程名称:单元名称:工程类别:序号设计变更通知单号页数变更要点编制人审核人日期年月日SH3503-J114工程联络单一览表第页共页工程名称:单元名称:工程类别:序号联络单号页数联络单内容要点编制人审核人日期年月日SH3503-J116合格焊工登记表工程名称:工程类别:序号焊工姓名焊工代号合格证号合格项目代号截止日期焊接责任工程师:质量检查员:年月日SH3503- J128安装检查记录工程名称:单元名称:工程类别:结论:建设/监 理单位施工单位专业工程师:年月日质量检查员:技术负责人:班(组)长:年月日SH3503-J301设备开箱检验记录工程名称:单元名称:设备名称位号设备检验情况:设备缺陷处理情况:随机资料专用工具交接记录:建设/监 理 单位施工单位订货单位 检验人员:年月日 检验人员:年月日 检验人员:年月日H3503-J302立式设备安装记录工程名称:单元名称:设备名称位号型号及规格 h 为两测点间的距离 h= mm.项目方位允许值(mm)实测值(mm)项目测量部位允许值(mm)实测值(mm)标高偏差(A)0º中心线位置偏差0º90º90º180º铅垂度0º270º90º结 论建设/监 理 单位施工单位专业工程师:年月日技术负责人:质量检查员:班(组)长:年月日SH3503-J303卧式设备安装记录工程名称:单元名称:设备名称位号型号及规格注:1。 图中 B、C、D、E 分别为设备筒体上基准中心点到基础标高基准线的相对标高值; 2. 轴向水平偏差应低向排液口方向。L 为两测点间的距离,L= mm。滑动端鞍座滑动裕量、螺栓松动核验结果:核验人:年月日项目测量部位允许值(mm)实测值(mm)项目测量部位允许值(mm)实测值(mm)中心线位置偏差...

1、当您付费下载文档后,您只拥有了使用权限,并不意味着购买了版权,文档只能用于自身使用,不得用于其他商业用途(如 [转卖]进行直接盈利或[编辑后售卖]进行间接盈利)。
2、本站所有内容均由合作方或网友上传,本站不对文档的完整性、权威性及其观点立场正确性做任何保证或承诺!文档内容仅供研究参考,付费前请自行鉴别。
3、如文档内容存在违规,或者侵犯商业秘密、侵犯著作权等,请点击“违规举报”。

碎片内容

SH3503-施工验收记录表

确认删除?
VIP
微信客服
  • 扫码咨询
会员Q群
  • 会员专属群点击这里加入QQ群
客服邮箱
回到顶部