电脑桌面
添加小米粒文库到电脑桌面
安装后可以在桌面快捷访问

SY4205-2025《石油天然气建设工程施工质量验收规范-自动化仪表工程》VIP专享

SY4205-2025《石油天然气建设工程施工质量验收规范-自动化仪表工程》_第1页
1/31
SY4205-2025《石油天然气建设工程施工质量验收规范-自动化仪表工程》_第2页
2/31
SY4205-2025《石油天然气建设工程施工质量验收规范-自动化仪表工程》_第3页
3/31
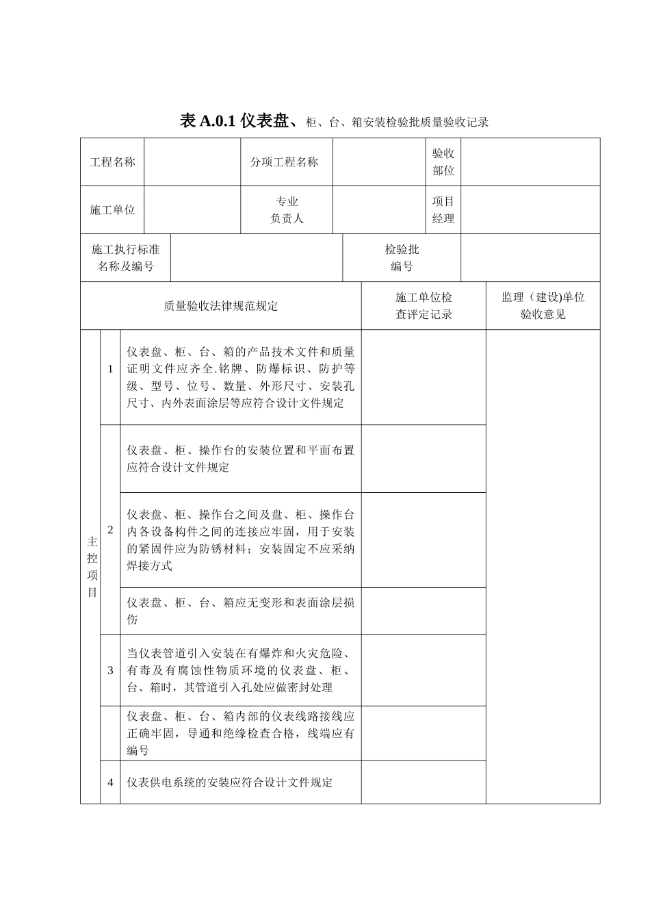
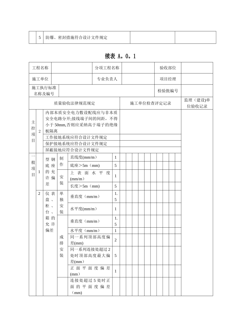
表 A.0.1 仪表盘、柜、台、箱安装检验批质量验收记录工程名称 分项工程名称验收部位施工单位专业负责人项目经理施工执行标准名称及编号检验批编号质量验收法律规范规定施工单位检查评定记录监理(建设)单位验收意见主控项目1仪表盘、柜、台、箱的产品技术文件和质量证明文件应齐全.铭牌、防爆标识、防护等级、型号、位号、数量、外形尺寸、安装孔尺寸、内外表面涂层等应符合设计文件规定2仪表盘、柜、操作台的安装位置和平面布置应符合设计文件规定仪表盘、柜、操作台之间及盘、柜、操作台内各设备构件之间的连接应牢固,用于安装的紧固件应为防锈材料;安装固定不应采纳焊接方式仪表盘、柜、台、箱应无变形和表面涂层损伤3当仪表管道引入安装在有爆炸和火灾危险、有毒及有腐蚀性物质环境的仪表盘、柜、台、箱时,其管道引入孔处应做密封处理仪表盘、柜、台、箱内部的仪表线路接线应正确牢固,导通和绝缘检查合格,线端应有编号4仪表供电系统的安装应符合设计文件规定5防爆、密封措施符合设计文件规定续表 A。0。1工程名称分项工程名称验收部位施工单位专业负责人项目经理施工执行标准名称及编号检验批编号质量验收法律规范规定施工单位检查评定记录监理(建设)单位验收记录主控项目2内部本质安全电力敷设配线应与非本质安全电路分开;接线端子间的间距,不得小于 50mm,否则应采纳高于端子的绝缘板隔离工作接地系统应符合设计文件规定保护接地系统应符合设计文件规定屏蔽接地应符合设计文件规定一般项目 1型 钢底 座的 允许 偏差制作直线度(mm/m)1底座>5m(mm)5安装上 表 面 水 平 度(mm/m)1长度>5m(mm)52仪 表盘 、柜 、台 、箱 的允 许偏差单独安装垂直度(mm/m)1.5水平度(mm/m)1成排安装垂直度(mm/m)1.5水平度(mm/m)1同一系列顶部高度偏差(mm)2同一系列连接处超过 2处时顶部高度最大偏差(mm)5正 面 平 面 度 偏 差(mm)1连接处超过 5 处时正面 的 平 面 度 偏 差(mm)接缝间隙(mm)3仪表管道应固定牢固,并应与仪表线路分开敷设内部的线路敷设和接线应符合现行国家标准《自动化仪表工程施工及质量验收法律规范》GB50093 的规定续表 A。0.1工程名称分项工程名称验收部位施工单位专业负责人项目经理施工执行标准名称及编号检验批编号质量验收法律规范规定施工单位检查评定记录监理(建设)单位验收记录一般项目3多股线芯端头宜采纳接线端子压接备用芯线应接在备用端子上,或按使用的最大长度预...

1、当您付费下载文档后,您只拥有了使用权限,并不意味着购买了版权,文档只能用于自身使用,不得用于其他商业用途(如 [转卖]进行直接盈利或[编辑后售卖]进行间接盈利)。
2、本站所有内容均由合作方或网友上传,本站不对文档的完整性、权威性及其观点立场正确性做任何保证或承诺!文档内容仅供研究参考,付费前请自行鉴别。
3、如文档内容存在违规,或者侵犯商业秘密、侵犯著作权等,请点击“违规举报”。

碎片内容

SY4205-2025《石油天然气建设工程施工质量验收规范-自动化仪表工程》

确认删除?
VIP
微信客服
  • 扫码咨询
会员Q群
  • 会员专属群点击这里加入QQ群
客服邮箱
回到顶部