电脑桌面
添加小米粒文库到电脑桌面
安装后可以在桌面快捷访问

《数表的程序化处理》实验报告

《数表的程序化处理》实验报告_第1页
1/5
《数表的程序化处理》实验报告_第2页
2/5
《数表的程序化处理》实验报告_第3页
3/5
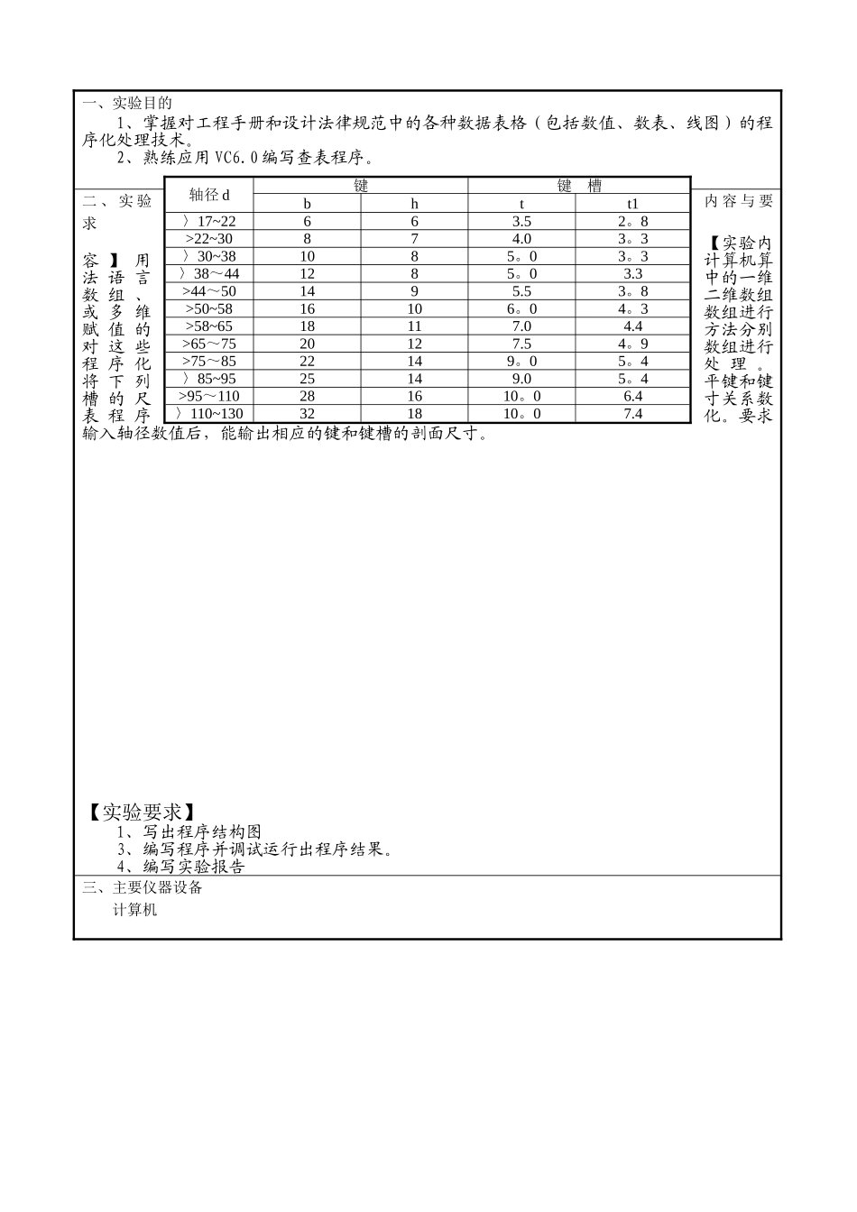
《CAD/CAM 技术》实验报告实验名称:数表的程序化处理院 系:机械工程学院专 业:班 级:学生姓名:学 号:指导老师:综合性设计性实验项目 1实验名称:数表的程序化处理实验学时:3实验类型:设计性课程名称:CAD/CAM 技术实验室名称:机械学院机房一、实验目的1、掌握对工程手册和设计法律规范中的各种数据表格(包括数值、数表、线图)的程序化处理技术。2、熟练应用 VC6.0 编写查表程序。二 、 实 验内 容 与 要求【实验内容 】 用计算机算法 语 言中的一维数 组 、二维数组或 多 维数组进行赋 值 的方法分别对 这 些数组进行程 序 化处 理 。 将 下 列平键和键槽 的 尺寸关系数表 程 序化。要求输入轴径数值后,能输出相应的键和键槽的剖面尺寸。【实验要求】1、写出程序结构图3、编写程序并调试运行出程序结果。4、编写实验报告三、主要仪器设备计算机轴径 d键键 槽bhtt1〉17~22663.52。8>22~30874.03。3〉30~381085。03。3〉38~441285。03.3>44~501495.53。8>50~5816106。04。3>58~6518117.04.4>65~7520127.54。9>75~8522149。05。4〉85~9525149.05。4>95~110281610。06.4〉110~130321810。07.4四、实验过程1、程序结构图2、源代码#include#include〈math.h>#include#includemain(){int i=0,ch,dc[12]={22,30,38,44,50,58,65,75,85,95,110,130},b[12]={6,8,10,12,14,16,18,20,22,25,28,32},h[12]={6,7,8,8,9,10,11,12,14,14,16,18};float d,ds,dw,t[12]={3。5,4,5,5,5.5,6,7,7.5,9,9,10,11},t1[12]={2.8,3。3,3.3,3.3,3。8,4。3,4。4,4.9,5.4,5。4,6。4,7.4};puts("\n\td(mm) 是轴的直径.");printf("\n\t 请输入直径:d=");scanf(”%f”,&d);while(d<=17||d〉130)开始输入轴径 dd<=17 || d>130 ?比较确定 d 所在区间输出相应尺寸是否减小一挡?尺寸是否已最小 ?结束显示越界,输出轴径范围信息YNNY重新计算Y显示最小提示信息N{puts("\n\t 这个直径已超出范围!\n”);printf("\n\t 请重新输入直径(d 在 17~130mm):d=”);scanf("%f",&d);/*此处用 goto 更简洁*/}while(d>dc[i])i++;printf ( ” \n\td= % .1f mm,b=%i mm , h= % i mm,t= % .1f mm,t1=% 。 1f mm,",d,b[i],h[i],t[i],t1[i]);ds=d-t[i];dw=d+t1[i];printf("\n\td+t1=%。1f mm,\...

1、当您付费下载文档后,您只拥有了使用权限,并不意味着购买了版权,文档只能用于自身使用,不得用于其他商业用途(如 [转卖]进行直接盈利或[编辑后售卖]进行间接盈利)。
2、本站所有内容均由合作方或网友上传,本站不对文档的完整性、权威性及其观点立场正确性做任何保证或承诺!文档内容仅供研究参考,付费前请自行鉴别。
3、如文档内容存在违规,或者侵犯商业秘密、侵犯著作权等,请点击“违规举报”。

碎片内容

《数表的程序化处理》实验报告

人从众+ 关注
实名认证
内容提供者

欢迎光临小店,本店以公文和教育为主,希望符合您的需求。

确认删除?
VIP
微信客服
  • 扫码咨询
会员Q群
  • 会员专属群点击这里加入QQ群
客服邮箱
回到顶部