电脑桌面
添加小米粒文库到电脑桌面
安装后可以在桌面快捷访问

二重管高压旋喷桩施工工法

二重管高压旋喷桩施工工法_第1页
1/10
二重管高压旋喷桩施工工法_第2页
2/10
二重管高压旋喷桩施工工法_第3页
3/10
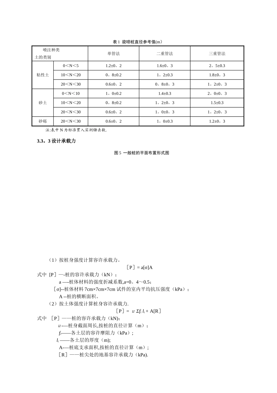
高压旋喷桩施工工艺高压旋喷桩施工技术是 70 年代日本首先提出,它是在静压灌浆的基础上,引进水力采煤技术而进展起来的,是利用射流作用切割掺搅地层,改变原地层的结构和组成,同时灌入水泥浆或复合浆形成凝聚体,借以达到加固地基和防渗的目的。1 工艺特点(1)施工机具设备简单,施工简便。(2)具有较好的耐久性,且料源宽阔,价格低廉。(3)噪声小,无污染。2 适用范围(1)受土层、土的粒度、土的密度、硬化剂粘性、硬化剂硬化时间影响小,可广泛应用于淤泥、淤泥质土、粘性土、粉质粘土、(亚粘土)、粉土(亚砂土)、砂土、黄土及人工填土中的素填土甚至碎石土等多种土层。(2)可作为既有建筑和新建建筑的地基加固之用,也可作为基础防渗之用;可作为施工中的临时措施(如深基坑侧壁挡土或挡水、防水帷幕等),也可作为永久建筑物的地基加固、防渗处理。(3)当用于处理泥炭土或地下水具有侵蚀性、地下水流速过大和已涌水的地基工程时,宜通过试验确定其适用性.3 工艺原理及设计要求3.1 加固原理高压喷射注浆法是利用钻机把带有喷嘴的注浆管钻进土层的预定位置后,以高压设备使浆液或水、(空气)成为 20~40MPa 的高压射流从喷嘴中喷射出来,冲切、扰动、破坏土体,同时钻杆以一定速度逐渐提升,将浆液与土粒强制搅拌混合,浆液凝固后,在土中形成一个圆柱状固结体(即旋喷桩),以达到加固地基或止水防渗的目的.根据喷射方法的不同,喷射注浆可分为单管法、二重管法和三重管法。单管法:单层喷射管,仅喷射水泥浆.二重管法:又称浆液气体喷射法,是用二重注浆管同时将高压水泥浆和空气两种介质喷射流横向喷射出,冲击破坏土体。在高压浆液和它外圈环绕气流的共同作用下,破坏土体的能量显著增大,最后在土中形成较大的固结体。三重管法:是一种浆液、水、气喷射法,使用分别输送水、气、浆液三种介质的三重注浆管,在以高压泵等高压发生装置产生高压水流的周围环绕一股圆筒状气流,进行高压水流喷射流和气流同轴喷射冲切土体,形成较大的空隙,再由泥浆泵将水泥浆以较低压力注入到被切割、破裂的地基中,喷嘴作旋转和提升运动,使水泥浆与土混合,在土中凝固,形成较大的固结体,其加固体直径可达 2m。喷射注浆法的加固半径和许多因素有关,其中包括喷射压力 P、提升速度 S、被加固土的抗剪强度 τ、喷咀直径 d 和浆液稠度 B。加固范围与喷射压力 P、喷咀直径 d 成正比,与提升速度S、土的抗剪强度 τ 和浆液稠度 B 成反比.加固体强度与...

1、当您付费下载文档后,您只拥有了使用权限,并不意味着购买了版权,文档只能用于自身使用,不得用于其他商业用途(如 [转卖]进行直接盈利或[编辑后售卖]进行间接盈利)。
2、本站所有内容均由合作方或网友上传,本站不对文档的完整性、权威性及其观点立场正确性做任何保证或承诺!文档内容仅供研究参考,付费前请自行鉴别。
3、如文档内容存在违规,或者侵犯商业秘密、侵犯著作权等,请点击“违规举报”。

碎片内容

二重管高压旋喷桩施工工法

您可能关注的文档

确认删除?
VIP
微信客服
  • 扫码咨询
会员Q群
  • 会员专属群点击这里加入QQ群
客服邮箱
回到顶部