电脑桌面
添加小米粒文库到电脑桌面
安装后可以在桌面快捷访问

井下动照网施工组织设计

井下动照网施工组织设计_第1页
1/12
井下动照网施工组织设计_第2页
2/12
井下动照网施工组织设计_第3页
3/12
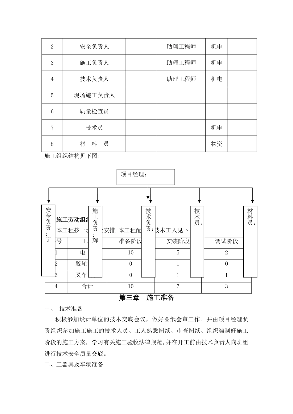
井下动照网施工组织设计(敷设电缆部分)*****机电队第一章 工程概况本工程为神华宁夏煤业集团有限责任公司*****井下动照网安装工程。一、主要工程量1 、 照 明 部 分 : 敷 设 电 缆 挂 钩 1430 套 、 MYQ-300 3×2 。 5mm2 型 电 缆3000m、MY0。66 3×6+1×6 mm2型电缆 4500m;安装 DGS55/127J 型防爆巷道灯320 盏,隔爆二通接线盒 3 个、隔爆三通接线盒 9 个、矿用隔爆型照明信号综合保护装置 10 台。2、动力部分: 1) 中央变电所:安装 BGP50-10 型高压隔爆开关 29 台; KBSG-500KVA 10/0.69KV 型干式变压器 2 台;KBZ—200/660 型 13 台,矿用隔爆真空电磁启动器 1 台.2) 011802 工作面配电: ZBZ-4。0M 4KVA 型移动变电站 1 台、移动变电站10 台;QBZ—80/600 型磁力起动器 11 台、KBZ200/660 馈电开关 6 台;组合开关 7 台。3) 总共敷设 12680m 电缆, 2600 个电缆钩。二、整个工程计划于 2011 年 6 月 20 日开工,2011 年 8 月 1 日竣工,施工工期为 40 天。工期进度计划后附(附表 1).第二章 施工部署一、施工组织领导为确保此项工程按期保质保量的完成施工任务,配备一批有丰富施工经验的技术工人和管理人员进行本次施工本工程,本工程实行项目经理负责制。主要管理人员名单见下表:序号职 务姓名职 称专业备 注1项 目 经 理2安全负责人助理工程师机电3施工负责人助理工程师机电4技术负责人助理工程师机电5现场施工负责人6质量检查员7技术员机电8材 料 员物资施工组织结构见下图: 二、施工劳动组织本工程按一班作业安排,本工程配备的技术工人见下表:序号工种准备阶段安装阶段调试阶段1电 工10522胶轮司机0103叉车司机0114合计1073第三章 施工准备一、 技术准备积极参加设计单位的技术交底会议,做好图纸会审工作。并由项目经理负责组织参加施工施工的技术人员、工人熟悉图纸、审查图纸、组织编制好施工阶段的施工方案,学习有关施工验收法律规范,并在开工前由技术负责人向班组进行技术安全质量交底。二、工器具及车辆准备安全负责:宁施工负责:辉技术负责:材料员:技术员:项目经理: 主要施工设备见下表。主要施工机械设备表序号机械或设备名称规格型号数量备注1爬梯12射钉抢NS603N23电锤26 型24临时过桥15手动葫芦10T36三角支架17叉车10T18无轨胶轮车WC5 型货用1所有工器具经现场施工负责人检查确认完好后,方可使用。三...

1、当您付费下载文档后,您只拥有了使用权限,并不意味着购买了版权,文档只能用于自身使用,不得用于其他商业用途(如 [转卖]进行直接盈利或[编辑后售卖]进行间接盈利)。
2、本站所有内容均由合作方或网友上传,本站不对文档的完整性、权威性及其观点立场正确性做任何保证或承诺!文档内容仅供研究参考,付费前请自行鉴别。
3、如文档内容存在违规,或者侵犯商业秘密、侵犯著作权等,请点击“违规举报”。

碎片内容

井下动照网施工组织设计

确认删除?
VIP
微信客服
  • 扫码咨询
会员Q群
  • 会员专属群点击这里加入QQ群
客服邮箱
回到顶部