电脑桌面
添加小米粒文库到电脑桌面
安装后可以在桌面快捷访问

人工挖孔桩地基验槽记录VIP专享

人工挖孔桩地基验槽记录_第1页
1/2
人工挖孔桩地基验槽记录_第2页
2/2
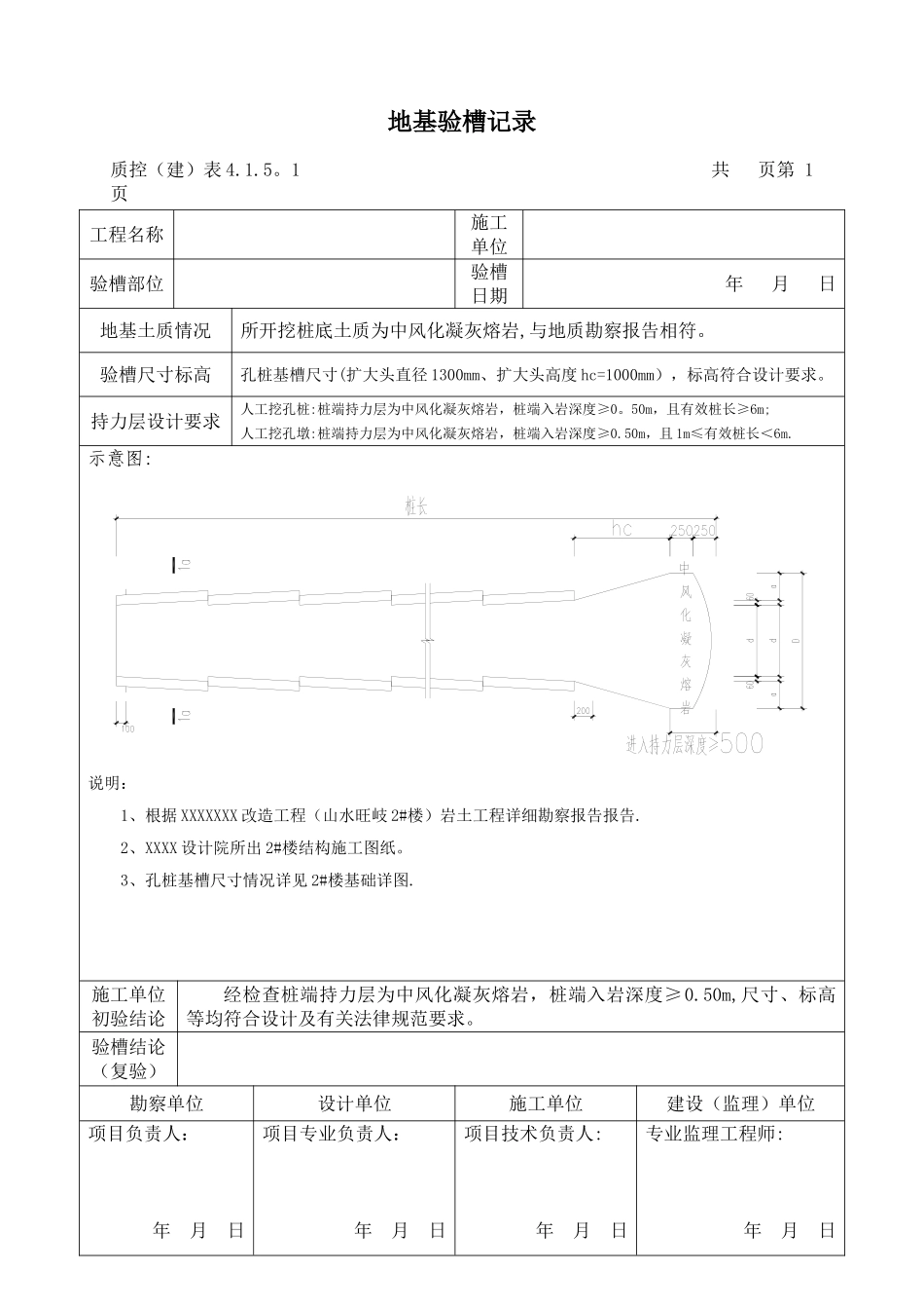
地基验槽记录质控(建)表 4.1.5。1 共 页第 1 页工程名称施工单位验槽部位验槽日期 年 月 日 地基土质情况所开挖桩底土质为中风化凝灰熔岩,与地质勘察报告相符。验槽尺寸标高孔桩基槽尺寸(扩大头直径 1300mm、扩大头高度 hc=1000mm),标高符合设计要求。持力层设计要求人工挖孔桩:桩端持力层为中风化凝灰熔岩,桩端入岩深度≥0。50m,且有效桩长≥6m;人工挖孔墩:桩端持力层为中风化凝灰熔岩,桩端入岩深度≥0.50m,且 1m≤有效桩长<6m.示意图:说明:1、根据 XXXXXXX 改造工程(山水旺岐 2#楼)岩土工程详细勘察报告报告.2、XXXX 设计院所出 2#楼结构施工图纸。3、孔桩基槽尺寸情况详见 2#楼基础详图.施工单位初验结论经检查桩端持力层为中风化凝灰熔岩,桩端入岩深度≥0.50m,尺寸、标高等均符合设计及有关法律规范要求。验槽结论(复验)勘察单位设计单位施工单位建设(监理)单位项目负责人: 年 月 日项目专业负责人: 年 月 日项目技术负责人:年 月 日专业监理工程师:年 月 日

1、当您付费下载文档后,您只拥有了使用权限,并不意味着购买了版权,文档只能用于自身使用,不得用于其他商业用途(如 [转卖]进行直接盈利或[编辑后售卖]进行间接盈利)。
2、本站所有内容均由合作方或网友上传,本站不对文档的完整性、权威性及其观点立场正确性做任何保证或承诺!文档内容仅供研究参考,付费前请自行鉴别。
3、如文档内容存在违规,或者侵犯商业秘密、侵犯著作权等,请点击“违规举报”。

碎片内容

人工挖孔桩地基验槽记录

确认删除?
VIP
微信客服
  • 扫码咨询
会员Q群
  • 会员专属群点击这里加入QQ群
客服邮箱
回到顶部