电脑桌面
添加小米粒文库到电脑桌面
安装后可以在桌面快捷访问

仪器分析评分标准

仪器分析评分标准_第1页
1/3
仪器分析评分标准_第2页
2/3
仪器分析评分标准_第3页
3/3
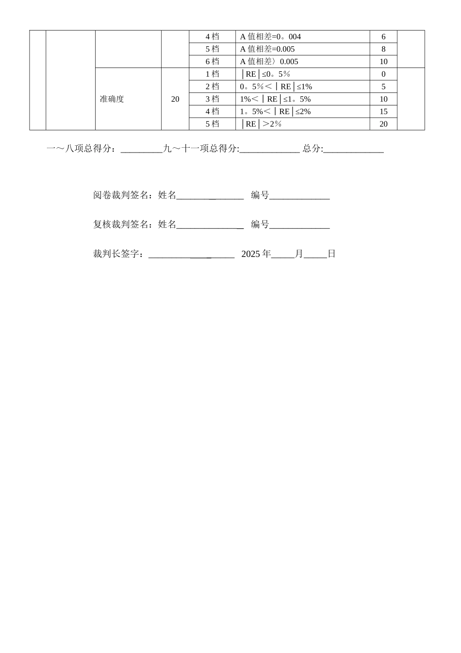
序号作业项目考核内容配分考核记录扣分说明扣分得分一仪器的准备(2 分)玻璃仪器的洗涤1洗净未洗净,扣 1 分,最多扣 1 分.未洗净检查仪器1进行未进行,扣 1 分,最多扣 1 分。未进行二溶液的制备(5 分)吸量管润洗1进行吸量管未润洗或用量明显较多扣 1 分未进行容量瓶试漏1进行未进行,扣 1 分,最多扣 1 分。未进行容量瓶稀释至刻度3准确溶液稀释体积不准确,且未重新配制,扣 1 分/个,最多扣 3 分。不准确三比色皿的使用(3 分)比色皿操作1正确手触及比色皿透光面扣 0。5 分,测定时,溶液过少或过多,扣 0.5 分(2/3~4/5)。不正确比色皿配套性检验1进行未进行,扣 1 分,最多扣 1 分。未进行测定后,比色皿洗净,控干保存1进行比色皿未清洗或未倒空,扣 1 分,最多扣 1 分。未进行四仪器的使用(3 分)参比溶液的正确使用1正确参比溶液选择错误,扣 1 分,最多扣1 分。不正确测量数据保存和打印2进行不保存每次扣 1 分,最多扣 2 分。未进行五原始数据记录(5 分)原始记录2完整、法律规范原始数据不及时记录每次扣 0。5 分;项目不齐全、空项扣 0.5 分/项;最多扣 2 分,更改数值经裁判员认可,擅自转抄、抄写、涂改、拼凑数据取消竞赛资格。欠完整、不法律规范是否使用法定计量单位1是没有使用法定计量单位,扣 1 分,最多扣 1 分。否报告(完整、明确、清楚)2法律规范不法律规范,扣 2 分,最多扣 2 分;无报告、虚假报告者取消竞赛资格.不法律规范六文明操作结束工作(2 分)关闭电源、填写仪器使用记录1进行未进行,每一项扣 0。5 分,最多扣 1分未进行台面整理、废物和废液处理1进行未进行,每一项扣 0.5 分,最多扣 1分未进行七重大失误玻璃仪器0损坏每次倒扣 2 分UV1800 光度计0损坏每次倒扣 20 分并赔偿相关损失试液重配制0试液每重配制一次倒扣 3 分,开始吸光度测量后不允许重配制溶液.重新测定0由于仪器本身的原因造成数据丢失,重新测定不扣分;其它情况每重新测定一次倒扣 3 分.八总时间(0 分)210 分钟完成0竞赛不延时,到规定时间终止竞赛。注:选手不配制 0 号容量瓶溶液的,在第十大项定量测定配制标准系列溶液中扣分。一~八项总得分:_____________ 现场裁判签名:姓名_____________,编号__________ 裁判长签名:姓名_____________,编号___________ 序号作业项目考核内容配分考核记录扣分说明扣分得分九定性测定(9 分)扫描波长范围选择1正确未...

1、当您付费下载文档后,您只拥有了使用权限,并不意味着购买了版权,文档只能用于自身使用,不得用于其他商业用途(如 [转卖]进行直接盈利或[编辑后售卖]进行间接盈利)。
2、本站所有内容均由合作方或网友上传,本站不对文档的完整性、权威性及其观点立场正确性做任何保证或承诺!文档内容仅供研究参考,付费前请自行鉴别。
3、如文档内容存在违规,或者侵犯商业秘密、侵犯著作权等,请点击“违规举报”。

碎片内容

仪器分析评分标准

您可能关注的文档

确认删除?
VIP
微信客服
  • 扫码咨询
会员Q群
  • 会员专属群点击这里加入QQ群
客服邮箱
回到顶部