电脑桌面
添加小米粒文库到电脑桌面
安装后可以在桌面快捷访问

仪器清洁消毒管理制度

仪器清洁消毒管理制度_第1页
1/4
仪器清洁消毒管理制度_第2页
2/4
仪器清洁消毒管理制度_第3页
3/4
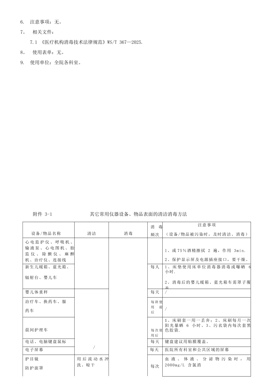
医院仪器清洁消毒管理制度1。 目的:法律规范全院仪器清洁消毒操作规程,控制外源性感染,保障医疗安全,提升医院的医疗服务品质. 2. 范围:全院仪器使用的各部门。 3. 权责: 3。1 医院感染管理科负责制度的修订、完善及督查。3.2 设备科负责仪器的维护、保养、维修等。3.3 各使用部门负责人监督制度落实. 3。4 使用部门工作人员必须仔细阅读,全面掌握相关文件及规程,协助进行日常使用仪器的清洁消毒. 4。 定义:无.5. 作业内容:5。1 日常管理要求5。1.1 各科室设仪器保管员一名,负责检查仪器设备的常规性能、数量、定点位置、使用维修追踪、清洁消毒等情况,并记录在册。 5.1。2 仪器设备保持清洁、干燥、性能良好。需要维修的仪器有“待修”标识并及时送修,需要维修的设备应清洁消毒后方可外送维修。 5.1.3 一般仪器(如微量泵、输液泵、血糖仪、吸引器、氧气表、便携式氧饱和度仪、心电图机、洗胃机、输血加温器、监护仪、移动 PC 机等)病区每天检查数量、完整性和外观的清洁消毒情况, 在“设备日常检查记录本"上登记. 5.1。4 仪器表面的清洁与消毒均需记录,记录在仪器维护记录本上。5。1.5 设备科工作人员应定期巡视、维护、保养等,特别设备由设备科负责协助定期清洁消毒。 5.2 清洁消毒要求5。2.1 血压计及听诊器:病房至少每天消毒 1 次;门急诊使用频繁的至少中午和晚上各消毒 1 次. 5。2。2 接触患者衣服类的物品,如动态心电图背带等至少每周清洗消毒一次,并有记录。 5。2.3 PDA 等清洁仪器需要每班清洁消毒.耳温套等应每个患者使用后均应消毒,方可用于其他患者. 5。2.4 建议使用“覆盖保护"方法。当医生需戴手套操作仪器时,将医疗仪器表面覆盖一次性保护薄膜等,一患者一更换。 5.2.5 需要隔离的患者使用的仪器建议专人专用,每天消毒;不能专用或血液、体液污染时,应立即进行消毒,方可给其他病人使用。 5.2。6 超声探头(经皮肤,黏膜或经食管、阴道、直肠等体腔进行超声检查)须做到一人一用一消毒或用隔离膜、消毒耦合剂等;每班检查结束后须对超声探头等进行彻底清洁和消毒处理,干燥保存.5.3 清洁消毒方法5.3.1 进行医疗器械表面清洁消毒时,穿戴好个人防护装备, 如工作服、手套等。5。3.2 常用擦拭消毒剂为 500mg/L 含氯消毒剂或 75%酒精(喷洒需要全部覆盖),需要防水的仪器建议使用 75%酒精、消毒湿巾或厂家推举的方法进行清洁消毒。 5.3.3 特别仪器要根据厂家提...

1、当您付费下载文档后,您只拥有了使用权限,并不意味着购买了版权,文档只能用于自身使用,不得用于其他商业用途(如 [转卖]进行直接盈利或[编辑后售卖]进行间接盈利)。
2、本站所有内容均由合作方或网友上传,本站不对文档的完整性、权威性及其观点立场正确性做任何保证或承诺!文档内容仅供研究参考,付费前请自行鉴别。
3、如文档内容存在违规,或者侵犯商业秘密、侵犯著作权等,请点击“违规举报”。

碎片内容

仪器清洁消毒管理制度

人从众+ 关注
实名认证
内容提供者

欢迎光临小店,本店以公文和教育为主,希望符合您的需求。

确认删除?
VIP
微信客服
  • 扫码咨询
会员Q群
  • 会员专属群点击这里加入QQ群
客服邮箱
回到顶部