电脑桌面
添加小米粒文库到电脑桌面
安装后可以在桌面快捷访问

公路工程施工安全技术规范--2025VIP专享

公路工程施工安全技术规范--2025_第1页
1/106
公路工程施工安全技术规范--2025_第2页
2/106
公路工程施工安全技术规范--2025_第3页
3/106
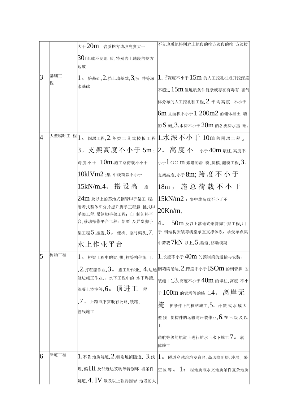
公路工程施工安全技术法律规范1 总则1.0.1 为法律规范公路工程施工安全技术,保障施工安全,制定 本法律规范。1.0.2 本法律规范适用于各等级新建、改扩建、大中修公路工程。1.0.3 公路工程施工安全生产应贯彻“安全第一、预防为主、 综合治理"的方针。1.0.4 公路工程施工应制定相应的安全技术措施。1.0.5 公路工程施工除应符合本法律规范的规定外,尚应符合国 家和行业现行有关标准的规定。2 术语2.0.1 危险源可能造成人员损害、疾病、财产损失、作业环境破坏或其他 损失的因素或状态。2.0.2 危险源辨识发现、识别危险源的存在,并确定其特性的过程。2.0.3 事故隐患可能导致事故发生的人的不安全行为、物(环境)的不安全 状态和管理上的缺陷。2.0.4 应急预案针对可能发生的事故,为迅速、有序地开展应急行动而预先 制定的行动方案。应急预案由综合应急预案、专项应急预案、现 场处置方案组成。2.0.5 风险评估对工程中存在的各种安全风险及其影响程度进行综合分析, 包括风险辨识、风险估测、风险评价和防控措施。2.0. 6 特种设备涉及生命安全、危险性较大的锅炉、压力容器(含气瓶)、 压力管道、电梯、起重机械和场(厂)内专用机动车辆等。2.0.7 特别作业人员从事容易发生事故,对操作者本人、他人的安全健康及设备、 设施的安全可能造成重大危害的作业的从业人员。2.0. 8 危险性较大工程在施工过程中存在的、可能导致作业人员群死群伤或造成重 大财产损失、作业环境破坏或其他损失的工程。2.0.9 警戒区作业现场未经允许不得进入的区域。3 基本规定3.0.1 公路工程施工必须遵守国家有关法律法规,符合安全 生产条件要求,建立安全生产责任制,健全安全生产管理制度, 设立安全生产管理机构,足额配备具相应资格的安全生产管理人 员。3.0.2 公路工程施工应进行现场调查,应在施工组织设计中 编制安全技术措施和施工现场临时用电方案,对于附录 A 中危险性较大的工程应编制专项施工方案(内容见附录 B),并附具安全验算结果,或组织专家进行论证、审查。附录 A 危险性较大的工程序号类别需编制专项施工方案需专家论证、审查1基坑开挖、 开挖、支护、 降水工程。11.开挖深度不小于3m 的基坑(槽)2.深度小于3m 但地质条件和周边环境 复杂的基坑(槽)幵挖、支护、降水工 程1。深度不小于5m 的基坑(槽)的土(石) 方开挖、支护、降水。2。开挖深度虽小于Sm, 但地质条件、周围环境和地下管线复杂, 或影响毗邻...

1、当您付费下载文档后,您只拥有了使用权限,并不意味着购买了版权,文档只能用于自身使用,不得用于其他商业用途(如 [转卖]进行直接盈利或[编辑后售卖]进行间接盈利)。
2、本站所有内容均由合作方或网友上传,本站不对文档的完整性、权威性及其观点立场正确性做任何保证或承诺!文档内容仅供研究参考,付费前请自行鉴别。
3、如文档内容存在违规,或者侵犯商业秘密、侵犯著作权等,请点击“违规举报”。

碎片内容

公路工程施工安全技术规范--2025

确认删除?
VIP
微信客服
  • 扫码咨询
会员Q群
  • 会员专属群点击这里加入QQ群
客服邮箱
回到顶部