电脑桌面
添加小米粒文库到电脑桌面
安装后可以在桌面快捷访问

公路工程监理质量管理体系

公路工程监理质量管理体系_第1页
1/77
公路工程监理质量管理体系_第2页
2/77
公路工程监理质量管理体系_第3页
3/77
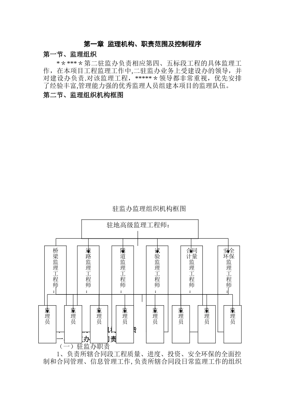
质量保证体系框图质量保证体系思想保证组织保证技术保证监理保证经济保证提高质量意识按 合 同 承诺 的 人 员资 质 、 仪器 等 组 建完 善 的 监理机构技术培训创优质工程经济法规ISO9002 质量体系教育学习法律规范标准规熟悉图纸技术交底测量复检监理程序检查创优效果制定创优措施明确创优目标严格执行计量程序落实业主奖罚措施质量优良服务法律规范省内一流制定教育计划实行岗位质量终身责任制接受业主监督加强巡视检查严格执行监理程序加强现场质量控制保证试验检测频率按程序支付,利用经济手段,控制工程质量提高工作能力向业主、承包商征求意见提高事业心,责任感改进工作质量制度化建设制定和执行各种管理制度质量评定确保优质工程,保证业主满意反馈第一章 监理机构、职责范围及控制程序第一节、监理组织******第二驻监办负责相应第四、五标段工程的具体监理工作,在本项目工程监理工作中,二驻监办业务上受建设办的领导,并对建设办负责.对该监理工程,******领导都非常重视,优先安排了经验丰富,管理能力强的优秀监理人员组建本项目的监理队伍。第二节、监理组织机构框图驻监办监理组织机构框图第三节、驻监办监理机构的职责一、驻监办各部门责任(一)驻监办职责1、负责所辖合同段工程质量、进度、投资、安全环保的全面控制和合同管理、信息管理工作,负责所辖合同段日常监理工作的组织驻地高级监理工程师:桥梁监理工程师:道路监理工程师:隧道监理工程师:试验监理工程师:合同计量监理工程师:安全环保监理工程师:监理员监理员监理员监理员监理员监理员监理员监理员和执行。2、审查承包人总体施工组织设计、年度施工计划,提出初审意见报建设办。审批承包人月进度计划,并检查进度计划实施情况.3、审查工程延期、索赔、工程分包申请,签署审查意见后上报建设办.4、检查、监督承包人质量保证体系的建立和运行情况,确保企业自检的落实.5、审核计量红线,核查运距增减的相关数据;对所有试验进行平行独立试验,其余抽检频率不低于 20%;所有测量中关键部分全部独立复测,其余抽检频率不低于 30%;检查施工单位质量、安全、环保等保证体系是否落实,应急预案准备措施是否到位。6、审查、批准所辖合同段单位、分部、分项工程开工报告。检查核实承包人所报的人员、机械设备和试验设备的到位情况。7、检查督促承包人按设计图施工,现场作业的设备和进场材料是否符合有关标准的规定,检查落实承包人持证上岗的人员,落实...

1、当您付费下载文档后,您只拥有了使用权限,并不意味着购买了版权,文档只能用于自身使用,不得用于其他商业用途(如 [转卖]进行直接盈利或[编辑后售卖]进行间接盈利)。
2、本站所有内容均由合作方或网友上传,本站不对文档的完整性、权威性及其观点立场正确性做任何保证或承诺!文档内容仅供研究参考,付费前请自行鉴别。
3、如文档内容存在违规,或者侵犯商业秘密、侵犯著作权等,请点击“违规举报”。

碎片内容

公路工程监理质量管理体系

您可能关注的文档

MY shop+ 关注
实名认证
内容提供者

欢迎挑选适合自己的材料。

确认删除?
VIP
微信客服
  • 扫码咨询
会员Q群
  • 会员专属群点击这里加入QQ群
客服邮箱
回到顶部