电脑桌面
添加小米粒文库到电脑桌面
安装后可以在桌面快捷访问

公路工程项目-公路工程交工检测总报告JB022025VIP专享

公路工程项目-公路工程交工检测总报告JB022025_第1页
1/24
公路工程项目-公路工程交工检测总报告JB022025_第2页
2/24
公路工程项目-公路工程交工检测总报告JB022025_第3页
3/24
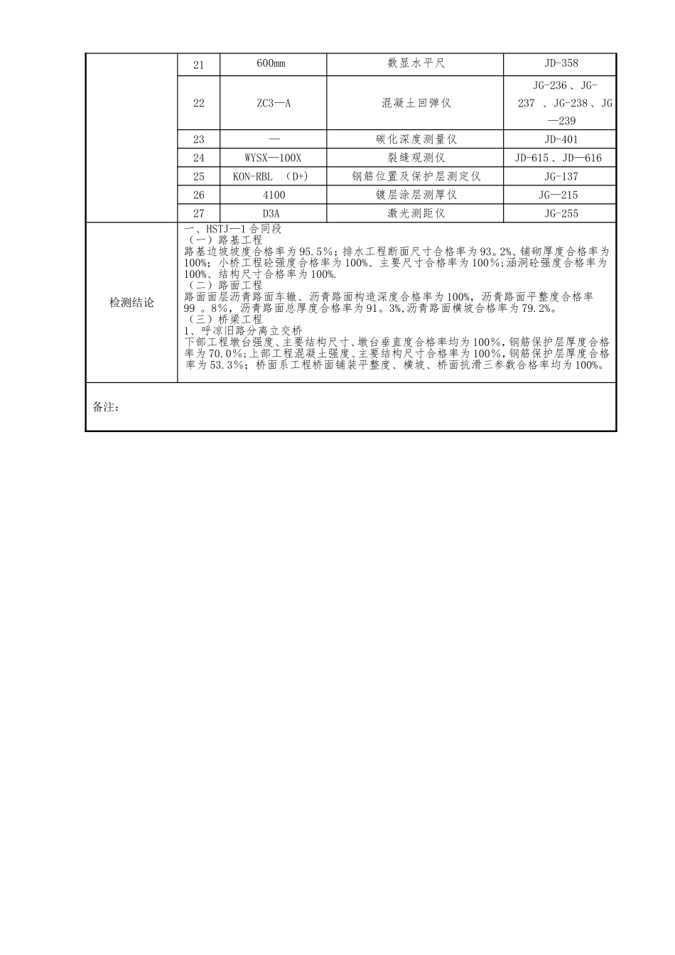
公 路 工 程 交 工 检 测 报 告 JB022025委托单位施工单位工程名称工程部位/用途委托编号检测日期检测项目路基工程、路面工程、桥梁工程检测依据《公路路基路面现场测试规程》(JTG E60-2025)《回弹法检测混凝土抗压强度技术规程》JGJ/T23-2025;《混凝土中钢筋检测技术规程》JGJ/T152—2025;判定依据《公路工程竣(交)工验收办法》(交通部令 2025 年第 3 号)《公路工程竣交工验收办法实施细则》(交公路发〔2025〕65 号)《公路工程质量检验评定标准第一册土建工程》(JTG F80/1-2025)本项目相关施工图设计主要仪器设备及编号序号型号名称编号1COPRES—13g车载式激光平整度车JLM-32COPRES-13g车载式激光车辙车JLM-33CFWD—10T落锤式弯沉仪JLM—545。4m贝克曼梁弯沉仪JLM—45HZT200-1钻芯机JLM-26SDLS-1路面渗水仪JLM-77DZS3—1水准仪JG-2328徕卡 TS-02全站仪JLM—89—坡度尺JD-61910-人工铺砂仪JLM-101110mm百分表JD—15612—钢直尺JD—32813-游标卡尺JD-470143m三米直尺JLM-111510mm百分表JD—1561650m50m 钢卷尺JLM—121710m 10m 钢卷尺JD—376185m 5 米钢卷尺JD-47719—数码相机—20-工程用车-21600mm数显水平尺JD-35822ZC3—A混凝土回弹仪JG-236 、JG-237 、JG-238 、JG—23923—碳化深度测量仪JD-40124WYSX—100X裂缝观测仪JD-615 、JD—61625KON-RBL (D+)钢筋位置及保护层测定仪JG-137264100镀层涂层测厚仪JG—21527D3A激光测距仪JG-255检测结论一、HSTJ—1 合同段(一)路基工程路基边坡坡度合格率为 95.5%;排水工程断面尺寸合格率为 93。2%、铺砌厚度合格率为100%;小桥工程砼强度合格率为 100%、主要尺寸合格率为 100%;涵洞砼强度合格率为100%、结构尺寸合格率为 100%.(二)路面工程路面面层沥青路面车辙、沥青路面构造深度合格率为 100%,沥青路面平整度合格率99 。8%,沥青路面总厚度合格率为 91。3%,沥青路面横坡合格率为 79.2%。(三)桥梁工程1、呼凉旧路分离立交桥下部工程墩台强度、主要结构尺寸、墩台垂直度合格率均为 100%,钢筋保护层厚度合格率为 70.0%;上部工程混凝土强度、主要结构尺寸合格率为 100%,钢筋保护层厚度合格率为 53.3%;桥面系工程桥面铺装平整度、横坡、桥面抗滑三参数合格率均为 100%。备注:目 录一、前言51 。1 任务来源及具体任务51 。1.1 路基工程检测任务51 。1.2 路面工程检测任务51 。1.3 桥梁工程检测任务61.2 项目概况61.3 ...

1、当您付费下载文档后,您只拥有了使用权限,并不意味着购买了版权,文档只能用于自身使用,不得用于其他商业用途(如 [转卖]进行直接盈利或[编辑后售卖]进行间接盈利)。
2、本站所有内容均由合作方或网友上传,本站不对文档的完整性、权威性及其观点立场正确性做任何保证或承诺!文档内容仅供研究参考,付费前请自行鉴别。
3、如文档内容存在违规,或者侵犯商业秘密、侵犯著作权等,请点击“违规举报”。

碎片内容

公路工程项目-公路工程交工检测总报告JB022025

津创媒+ 关注
实名认证
内容提供者

欢迎交流文创,小店资料希望满足您的需要。

确认删除?
VIP
微信客服
  • 扫码咨询
会员Q群
  • 会员专属群点击这里加入QQ群
客服邮箱
回到顶部