电脑桌面
添加小米粒文库到电脑桌面
安装后可以在桌面快捷访问

冬季施工现场应急救援预案

冬季施工现场应急救援预案_第1页
1/6
冬季施工现场应急救援预案_第2页
2/6
冬季施工现场应急救援预案_第3页
3/6
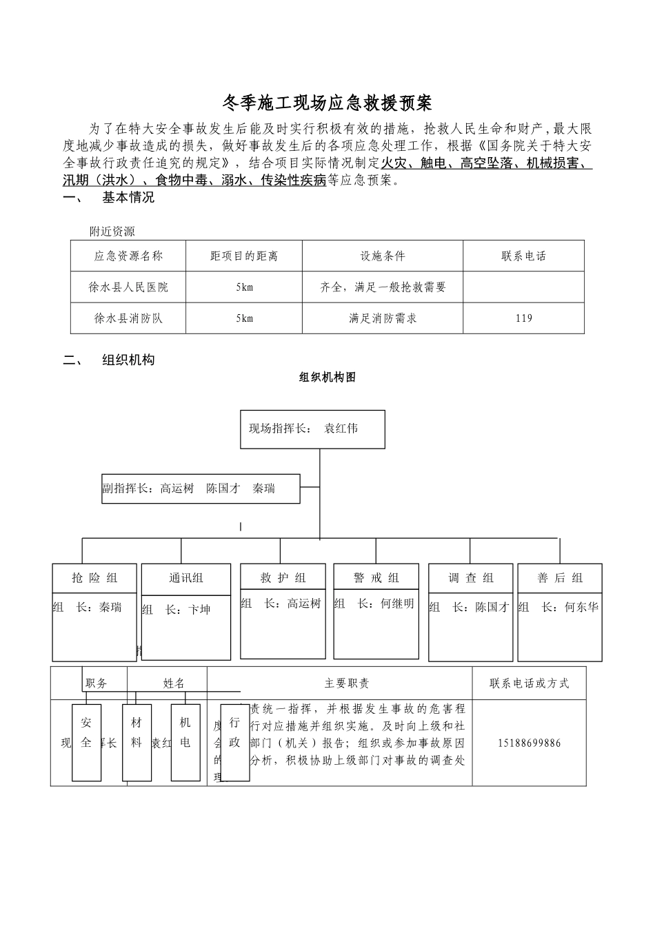
冬季施工现场应急救援预案为了在特大安全事故发生后能及时实行积极有效的措施,抢救人民生命和财产 ,最大限度地减少事故造成的损失,做好事故发生后的各项应急处理工作,根据《国务院关于特大安全事故行政责任追究的规定》,结合项目实际情况制定火灾、触电、高空坠落、机械损害、汛期(洪水)、食物中毒、溺水、传染性疾病等应急预案。一、基本情况附近资源应急资源名称距项目的距离设施条件联系电话徐水县人民医院5km齐全,满足一般抢救需要徐水县消防队5km满足消防需求119二、组织机构组织机构图 三、职责 ① 指挥长、副指挥长职责职务姓名主要职责联系电话或方式现场指挥长袁红伟负责统一指挥,并根据发生事故的危害程度,实行对应措施并组织实施。及时向上级和社会有关部门(机关)报告;组织或参加事故原因的调查分析,积极协助上级部门对事故的调查处理。15188699886抢 险 组组 长:秦瑞救 护 组组 长:高运树现场指挥长: 袁红伟通讯组组 长:卞坤警 戒 组组 长:何继明安全材料行政副指挥长:高运树 陈国才 秦瑞调 查 组组 长:陈国才善 后 组组 长:何东华机电副指挥长高运树 陈国才 秦瑞协助指挥长指挥、协调;当无法与指挥长取得联系时,承担指挥长职责。151886998681583083980815830830118 ② 抢险组职务姓名主要职责联系电话或方式组长秦瑞接报后迅速召集应急小组成员,15 分钟内到达事故现场,实施排险加固,为抢险提供物资和设备供给、现场照明、安全通道等;并及时将灾情向指挥长报告、与相关人员通报.15830830118副组长周天南协助组长工作,当无法与组长取得联系时,承担组长的职责。15285552416成 员李华斌刘中林廖帅徐建祎夏国超服从组长(副组长)的安排,立即开展排险活动,保障抢险提供物资和设备供给、现场照明、安全通道等;当无法与组长取得联系时,按从上到下的序列承担组长的职责。15188699896158308311861518869988015830831636 ③ 警戒组职务姓名主要职责联系电话或方式组长何继明接报后迅速组织本组成员,将人群疏散到安全地带,保护好事故现场;维持好主干道畅通,加强治安警戒,防止因人员混乱而造成物资财产被破坏或被丢失。15188699869副组长张扬协助组长工作,当无法与组长取得联系时,承担组长的职责。15188699889成 员周生斌何建锟孙少华服从组长(副组长)的安排,立即开展人员疏散、现场保护、维护交通、治安警戒等活动;当无法与组长取得联系时,按从上到下的序列承担组长的职...

1、当您付费下载文档后,您只拥有了使用权限,并不意味着购买了版权,文档只能用于自身使用,不得用于其他商业用途(如 [转卖]进行直接盈利或[编辑后售卖]进行间接盈利)。
2、本站所有内容均由合作方或网友上传,本站不对文档的完整性、权威性及其观点立场正确性做任何保证或承诺!文档内容仅供研究参考,付费前请自行鉴别。
3、如文档内容存在违规,或者侵犯商业秘密、侵犯著作权等,请点击“违规举报”。

碎片内容

冬季施工现场应急救援预案

您可能关注的文档

确认删除?
VIP
微信客服
  • 扫码咨询
会员Q群
  • 会员专属群点击这里加入QQ群
客服邮箱
回到顶部