电脑桌面
添加小米粒文库到电脑桌面
安装后可以在桌面快捷访问

制造企业岗位考核与薪酬设计

制造企业岗位考核与薪酬设计_第1页
1/33
制造企业岗位考核与薪酬设计_第2页
2/33
制造企业岗位考核与薪酬设计_第3页
3/33
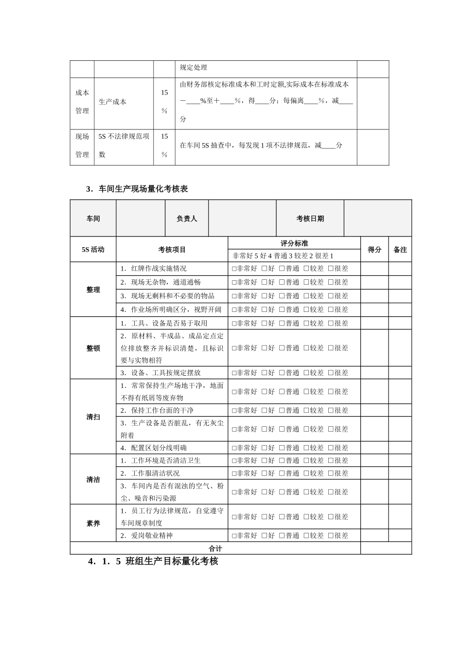
生产企业考核与薪酬设计4.1 企业生产业务量化考核4.1.3 企业生产目标量化考核企业生产目标量化考核的内容详见表 4—2 所示。表 4—2 企业生产目标的量化考核量化项目量化指标考核标准资料来源权重生产产量项目生产任务达成率低于目标值 %,减 分生产部15%生产产量低于目标值 %,减 分生产部10%生产产值低于目标值 %,减 分生产部10%生产质量项目产品合格率低于目标值 %,减 分生产部质量部10%产品废品率高于目标值 %,减 分生产部质量部5%生产进度项目交期达成率低于目标值 %,减 分生产部10%批次延迟次数每发生 1 次,减 分生产部5%生产成本项目单位能耗降低率低于目标值 %,减 分生产部5%单位产品成本降低率低于目标值 %,减 分生产部财务部10%生产安全项目安全事故发生次数发生 1 次,减 分生产部10%安全培训计划达成率低于目标值 %,减 分生产部人力资源部10%4.1.4 车间生产目标量化考核车 间生 产目 标按时、按质、按量地完成企业分解到本车间的生产任务降低车间生产消耗,做好材料、能源、辅料等消耗的控制落实车间生产现场 5S 管理制度,做好现场管理落实安全生产责任制,杜绝车间安全生产事故1.车间生产目标车间生产目标如图 4-3 所示。图 4-3 车间生产目标2.车间生产管理量化考核表考核项目考核指标权重评分标准得分任务完成车间生产任务达成率20%车间生产任务达成率达到____%,每低____%,减____分,出现重大安全、质量事故,该项考核不得分批次合格率15%批次合格率达到____%,每低____%,减____分,出现重大质量事故,该项考核不得分客户因为产品质量问题投诉次数5%经查实,减____分/次交期达成率10%交期达成率达到____%,每延误交货期 1 天,减____分,造成重大损失的,该项不得分安全生产安全责任制落实10%1.健全安全责任制并时常开展安全活动,未按要求进行,每发现 1 次减____分2.有专人负责各区域生产安全管理、安全教育和安全监督,未进行人员安排每次减____分3.车间清洁卫生、现场物料、半成品堆放符合要求,每发现违规 1 次,减____分生产安全事故发生次数10%发生一般生产安全事故每次扣____分,发生重特大安全生产事故,生产安全项目得分为 0 并另行按公司其他相关规定处理成本管理生产成本15%由财务部核定标准成本和工时定额,实际成本在标准成本-____%至+____%,得____分;每偏离____%,减____分现场管理5S 不法律规范项数15%在车间 5S 抽查中,...

1、当您付费下载文档后,您只拥有了使用权限,并不意味着购买了版权,文档只能用于自身使用,不得用于其他商业用途(如 [转卖]进行直接盈利或[编辑后售卖]进行间接盈利)。
2、本站所有内容均由合作方或网友上传,本站不对文档的完整性、权威性及其观点立场正确性做任何保证或承诺!文档内容仅供研究参考,付费前请自行鉴别。
3、如文档内容存在违规,或者侵犯商业秘密、侵犯著作权等,请点击“违规举报”。

碎片内容

制造企业岗位考核与薪酬设计

您可能关注的文档

一二三四传媒+ 关注
实名认证
内容提供者

大量资料供您选择,没有合适的可以联系小二。

确认删除?
VIP
微信客服
  • 扫码咨询
会员Q群
  • 会员专属群点击这里加入QQ群
客服邮箱
回到顶部