电脑桌面
添加小米粒文库到电脑桌面
安装后可以在桌面快捷访问

制造部组织架构图及岗位职责

制造部组织架构图及岗位职责_第1页
1/6
制造部组织架构图及岗位职责_第2页
2/6
制造部组织架构图及岗位职责_第3页
3/6
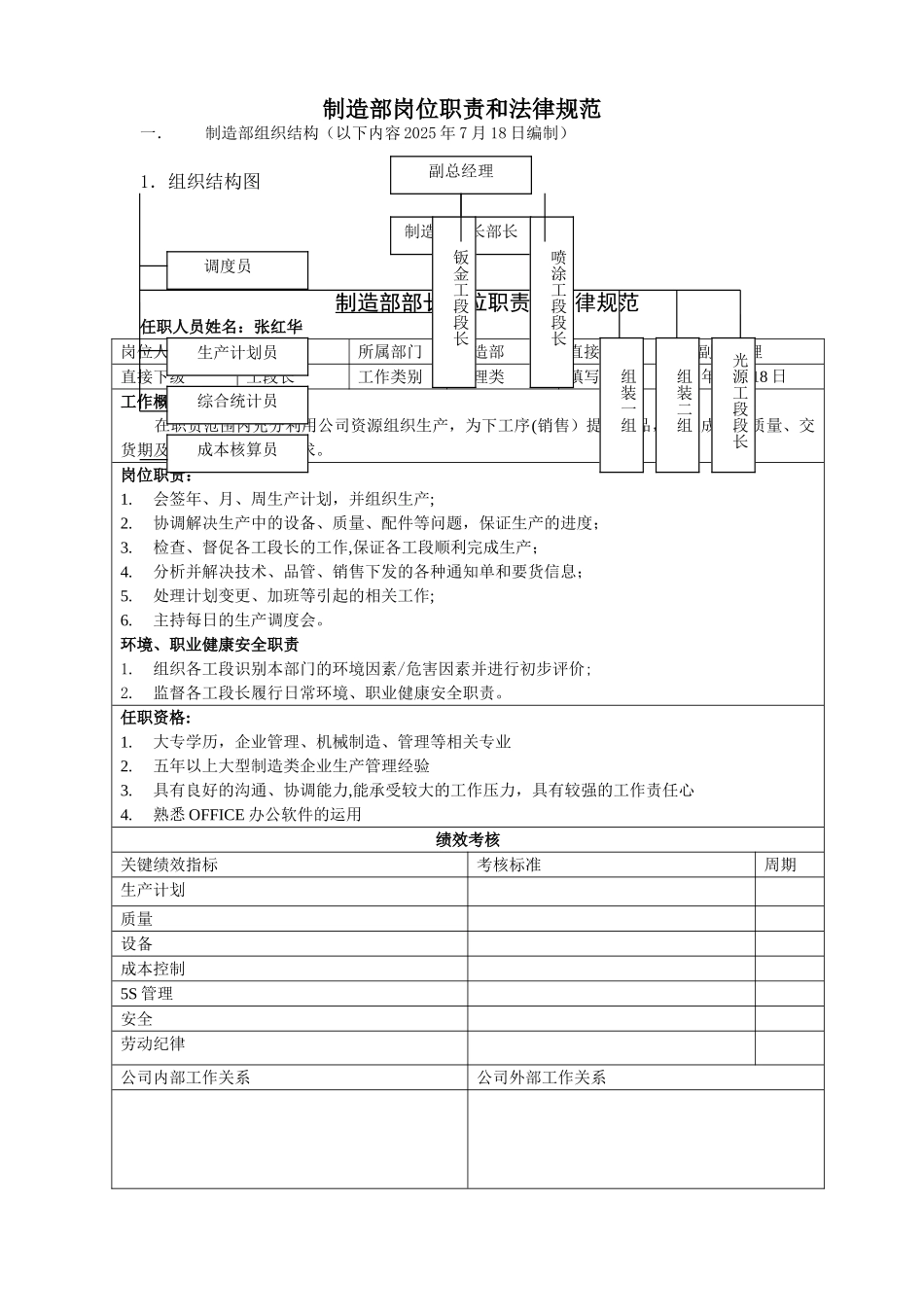
制造部岗位职责和法律规范一.制造部组织结构(以下内容 2025 年 7 月 18 日编制)1.组织结构图制造部部长岗位职责和法律规范任职人员姓名:张红华岗位人数1所属部门制造部直接上级制造副总经理直接下级工段长工作类别管理类填写日期2025 年 7 月 18 日工作概要:在职责范围内充分利用公司资源组织生产,为下工序(销售)提供产品,满足成本,质量、交货期及相关法律、法规要求。岗位职责:1.会签年、月、周生产计划,并组织生产;2.协调解决生产中的设备、质量、配件等问题,保证生产的进度;3.检查、督促各工段长的工作,保证各工段顺利完成生产;4.分析并解决技术、品管、销售下发的各种通知单和要货信息;5.处理计划变更、加班等引起的相关工作;6.主持每日的生产调度会。环境、职业健康安全职责1.组织各工段识别本部门的环境因素/危害因素并进行初步评价;2.监督各工段长履行日常环境、职业健康安全职责。任职资格:1.大专学历,企业管理、机械制造、管理等相关专业2.五年以上大型制造类企业生产管理经验3.具有良好的沟通、协调能力,能承受较大的工作压力,具有较强的工作责任心4.熟悉 OFFICE 办公软件的运用绩效考核关键绩效指标考核标准周期生产计划质量设备成本控制5S 管理安全劳动纪律公司内部工作关系公司外部工作关系副总经理制造部部长部长生产计划员综合统计员成本核算员组装一组喷涂工段段长钣金工段段长组装二组光源工段段长调度员工作时间:编制: 修改: 审核: 批准: 计划员岗位职责和法律规范任职人员姓名: 李绿叶岗位人数2所属部门制造部直接上级部长直接下级N/A工作类别管理类填写日期2025-7-18工作概要:负责根据公司资源、销售要货信息、技术质量要求,编制周、月生产计划。岗位职责:1.定期编制周、月生产计划.2.生产计划经相关流程后按时发放、保管、存档。3.工装、模具、设备委外改造、加工的登记。4.跟踪日、周、月生产计划完成情况.5.负责文件资料管理。6.收集汇总《生产异常信息表》环境、职业健康安全职责:1.配合部长和相关部门对本岗位的环境、危害因素进行识别;2.实施本岗位的环境、职业健康安全控制措施。任职资格:1.大专学历,财务、经济管理等相关专业2.熟悉会计、进口核销知识,并具有会计从业资格证和进口核销员证3.熟悉公司生产工艺、产品型号工作经验4.熟悉 OFFICE 办公软件的运用5.具有高度的工作责任心,工作尽心尽责绩效考核考核指标考核标准考核周期外加工、委外加工材料的准确发...

1、当您付费下载文档后,您只拥有了使用权限,并不意味着购买了版权,文档只能用于自身使用,不得用于其他商业用途(如 [转卖]进行直接盈利或[编辑后售卖]进行间接盈利)。
2、本站所有内容均由合作方或网友上传,本站不对文档的完整性、权威性及其观点立场正确性做任何保证或承诺!文档内容仅供研究参考,付费前请自行鉴别。
3、如文档内容存在违规,或者侵犯商业秘密、侵犯著作权等,请点击“违规举报”。

碎片内容

制造部组织架构图及岗位职责

您可能关注的文档

确认删除?
VIP
微信客服
  • 扫码咨询
会员Q群
  • 会员专属群点击这里加入QQ群
客服邮箱
回到顶部