电脑桌面
添加小米粒文库到电脑桌面
安装后可以在桌面快捷访问

加油站安全隐患检查表

加油站安全隐患检查表_第1页
1/3
加油站安全隐患检查表_第2页
2/3
加油站安全隐患检查表_第3页
3/3
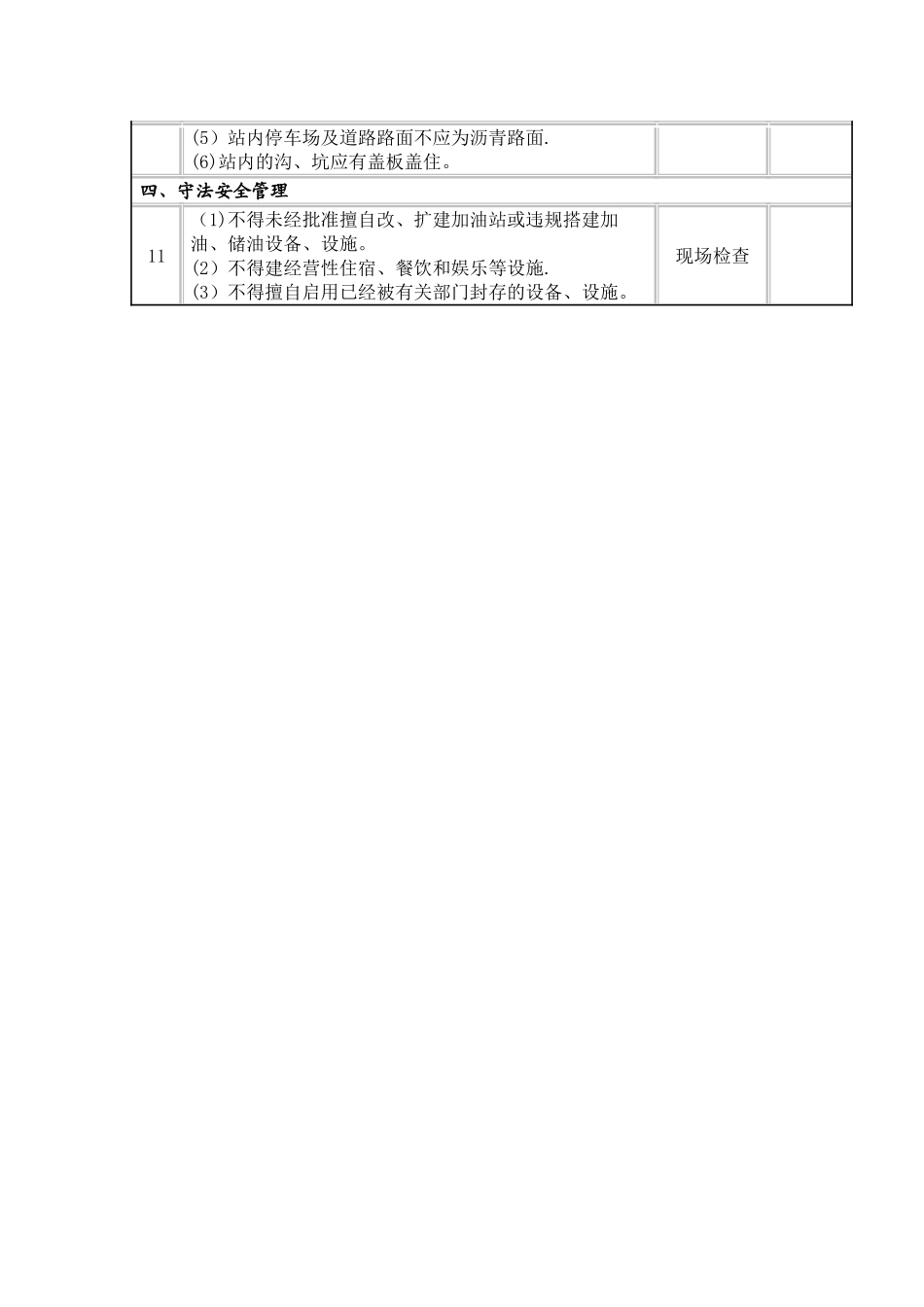
加油站安全隐患检查表序号检查内容检查方式检查结果一、基础安全管理1人员配备和持证上岗(1)加油站应确定一名主要负责人为防火负责人,并配备专(兼)职安全管理人员不少于 3 人.(2)加油站的站长(或负责人)、安全管理人员、作业人员是否属于在册员工,并持证上岗。查看员工档案、任命文件和培训记录,核查所持证书2安全管理制度建立和执行(1)是否颁布并落实安全生产责任制,并张贴上墙。(2)是否按规定建立健全各项安全管理制度和安全操作规程并执行(制度包括:安全教育制度、安全检查制度、油站设备管理和保养制度、外来车辆加油卸油管理制度、防火安全管理制度、用电安全制度等.)(3)是否建立安全管理档案和各种台帐。(1)抽查安全生产责任制及各种制度、操作规程;(2)抽查各种台帐。3应急救援预案(1)有无制定应急救援预案,配备必要的应急器材并定期进行演练。(2)是否根据演练结果,适时修编应急救援预案。抽查预案及演练记录二、现场安全管理4现场布局(1)加油站的油罐、加油机和通气管管口与站外建(构)筑物的防火距离应满足法律规范的要求。(2)架空通信线路和架空电力线路不得跨越加油站。(3)加油站内的各种设施(如:埋地油罐、通气管管口、变配电房、密闭卸油点、站房等)之间的距离应满足法律规范的要求。(4)车辆入口和出口应分开设置,明确指示标识。(5)加油岛应高出停车场的地坪 0。15~0.2m,其宽度不应小于 1。2m.(6)加油机不得设在室内.现场检查5检测、报警系统(1)油罐应设带有高液位报警功能的液位计。(2)对设在水源保护区内及建在地下建筑物上方的埋地油罐,应实行防渗漏扩散的保护措施,并应设置检测设施。现场检查6工艺、设施安全(1)汽油罐和柴油罐应埋地设置,严禁设在室内或地下室内.(2)油罐的人孔应设操作井。(3)油罐的量油孔应设带锁的量油帽。现场检查(4)汽油罐车卸油应采纳卸油油气回收系统。(5)加油枪应采纳自封式加油枪。序号检查内容检查方式检查结果(6)汽油罐与柴油罐的通气管应分开设置。管口高出地面 4m。若沿建筑物向上敷设时,应高出建筑物顶面 1.5m以上。现场检查7防火安全及消防设施(1)通气管管口应安装阻火器。(2)加油岛及汽车加油场地所设置的罩棚应采纳非燃烧体材料制作。(3)加油站的灭火器材配置应符合法律规范的要求:a.每 2 台加油机设置不少于 1 只 4kg 手提式干粉灭火器和 1 只泡沫灭火器。b。埋地油罐须设 35kg 推车式干粉灭火器 1 个。c。一、...

1、当您付费下载文档后,您只拥有了使用权限,并不意味着购买了版权,文档只能用于自身使用,不得用于其他商业用途(如 [转卖]进行直接盈利或[编辑后售卖]进行间接盈利)。
2、本站所有内容均由合作方或网友上传,本站不对文档的完整性、权威性及其观点立场正确性做任何保证或承诺!文档内容仅供研究参考,付费前请自行鉴别。
3、如文档内容存在违规,或者侵犯商业秘密、侵犯著作权等,请点击“违规举报”。

碎片内容

加油站安全隐患检查表

您可能关注的文档

确认删除?
VIP
微信客服
  • 扫码咨询
会员Q群
  • 会员专属群点击这里加入QQ群
客服邮箱
回到顶部