电脑桌面
添加小米粒文库到电脑桌面
安装后可以在桌面快捷访问

动力公司安全管理体系现状分析报告

动力公司安全管理体系现状分析报告_第1页
1/18
动力公司安全管理体系现状分析报告_第2页
2/18
动力公司安全管理体系现状分析报告_第3页
3/18
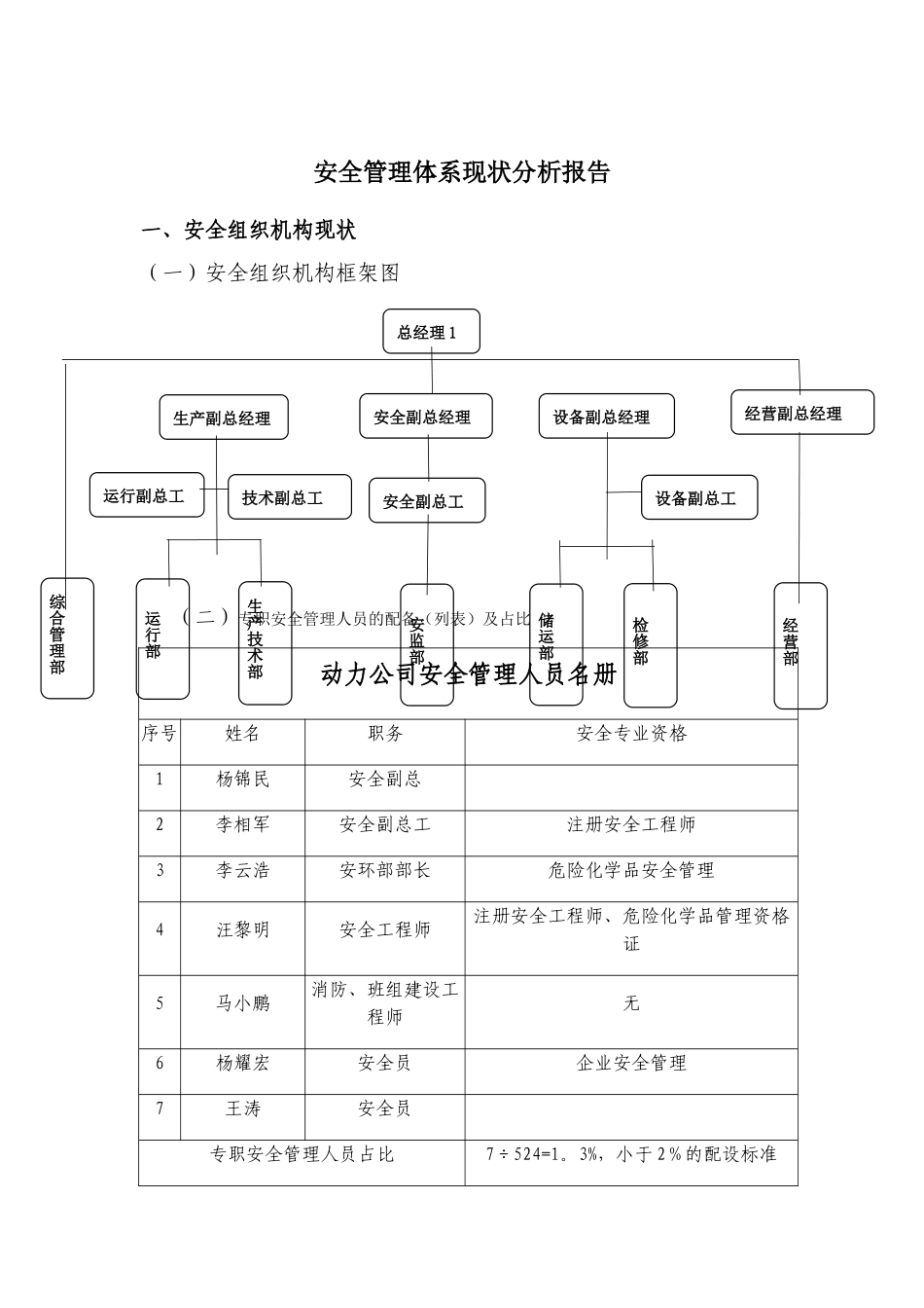
动力公司 2025 年度安全管理体系现状分析报告 编 制: 审 核: 批 准:宝丰能源集团动力公司2025 年 8 月 31 日目 录一、安全组织机构状.。。。。。。.。。。。。.。....。.。..。。。。。。。。。.。。。。。.1二、 资源需求调 查 .. 。 .. 。 .. 。 . 。 . 。 ... 。。。 . 。 . 。。 . 。 .... 。 . 。 . 。 ... 。。 .. 2 三、规章制度..。。。。。.。。。...。...。.。。.。......。.。.。.。。。..。。。。.。.。。。。.。2四、风险及隐患现状。。..。....。..。。.。..。。。。.。.。.。。...。。。..。.。。.。。...4 五、事故事件分析。.。。.。。。。。.。...。.。。。。..。.。。。。。...........。。。。.。.。10安全管理体系现状分析报告一、安全组织机构现状(一)安全组织机构框架图 (二)专职安全管理人员的配备(列表)及占比动力公司安全管理人员名册序号姓名职务安全专业资格1杨锦民安全副总2李相军安全副总工注册安全工程师3李云浩安环部部长危险化学品安全管理4汪黎明安全工程师注册安全工程师、危险化学品管理资格证5马小鹏消防、班组建设工程师无6杨耀宏安全员企业安全管理7王涛安全员专职安全管理人员占比7÷524=1。3%,小于 2%的配设标准总经理 1生产副总经理安全副总经理设备副总经理经营副总经理运行副总工技术副总工安全副总工设备副总工综合管理部 运行部 生产技术部 安监部 储运部 检修部 经营部 二、资源需求调查 (一)动力公司安监部编制 5 人,目前只有 3 人,其中 1 人主要工作精力还放在班组建设及文明生产方面;各生产部室安全管理人员编制 1 名,目前运行部、储运部人员齐全,检修部安全员离职,加上安全副总和副总工一共有 7 人,根据《关于企业安全生产管理人员配备要求》的规定 ,动力公司目前正式员工共有 524 人,根据 2%配置安全管理人员的规定,应配备 524×2%=10。48≈11 人(另有协议工 115 人未算在内),尚需补充 4 人;另运行部目前总人数 300 人,但只有一个安全员,工作面广、任务量大,需再增设一名。 (三)设备设施配备情况 各部室办公设施配置齐全,现因班组建设工作量大,需要对各班组配置办公设备,培训教育现有投影仪、笔记本电脑各一台,四楼电教室投影一台,但不能正常使用,器材少,现无法满足日常培训需求。 (四)安全设施、安全标识、检测设备等资源配备情况;动力公司安全设施根据国家标准...

1、当您付费下载文档后,您只拥有了使用权限,并不意味着购买了版权,文档只能用于自身使用,不得用于其他商业用途(如 [转卖]进行直接盈利或[编辑后售卖]进行间接盈利)。
2、本站所有内容均由合作方或网友上传,本站不对文档的完整性、权威性及其观点立场正确性做任何保证或承诺!文档内容仅供研究参考,付费前请自行鉴别。
3、如文档内容存在违规,或者侵犯商业秘密、侵犯著作权等,请点击“违规举报”。

碎片内容

动力公司安全管理体系现状分析报告

您可能关注的文档

确认删除?
VIP
微信客服
  • 扫码咨询
会员Q群
  • 会员专属群点击这里加入QQ群
客服邮箱
回到顶部