电脑桌面
添加小米粒文库到电脑桌面
安装后可以在桌面快捷访问

劳务工人实名制管理制度

劳务工人实名制管理制度_第1页
1/13
劳务工人实名制管理制度_第2页
2/13
劳务工人实名制管理制度_第3页
3/13
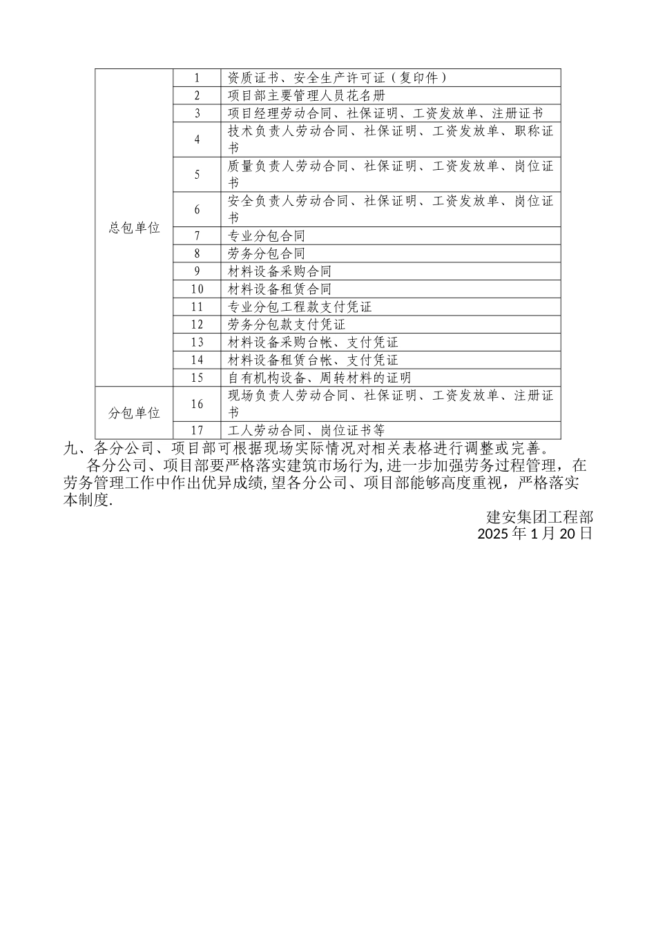
劳务工人实名制管理(试行)为维护企业信誉,贯彻“工程质量治理两年行动”实施方案、严格落实建筑市场行为,加强企业劳务管理,切实把农民工工资落到实处,特制定本制度。一 范围本企业的所有在建项目(包含自营、联营、甲方直包项目)二 时限 自项目劳务人员进场开始至项目劳务人员离场后截止.三 资料保存项目劳务人员全部离场后(不含零星维修人员),劳务资料(存档明细、花名册、身份证复印件、考勤数据库、委托书、工资发放证明、工资结算单、工资发放完毕证明、项目部承诺书、分包承诺书等)交至工程管理部存档保存,保存时限为 2 年,特别项目(存在严重隐患)保存时限为 3 年。其中项目承诺书、分包承诺书在分包进场后 7 个工作日内由项目部汇总交至工程管理部.未按规定办理资料移交,扣罚项目兑现 30%—50%.四 监督类别1、公司级监督:存在严重隐患列为重点监控项目,由工程管理部会同分公司、项目部共同监控。2、项目级监督:一般监控项目由项目部进行监控监督。3、分包自行管理:劳务分包信用评分为 A 级队伍中,对于合作时间较长,项目部认为无风险的分包队伍,可由项目部书面提出分包自行管控;此类分包,项目部仅需每月 25 日报送分包情况核查表即可。五 黑名单由项目部提交恶意上访讨薪人员名单,工程管理部每年根据项目部提交名单、建管局及兄弟单位发布黑名单汇总一次,汇总名单经公司讨论后在 OA 进行公示,各项目部根据 OA 公示名单对项目进场劳务人员进行排查,严禁名单内人员在我集团公司施工。六 细则1、集团所属项目部都需办理,并纳入分公司项目部年度、月度考核.2、 项目经理是劳务工人实名制管理第一责任人,各项目部项目经理指定项目部成员为该项目(专、兼)职劳务员,具体负责劳务具体事宜,开工 7 日内报公司备案.项目劳务员无特别原因不得随意更换,如若因特别原因更换劳务员,项目部须在更换劳务员次日书面上报公司工程管理部备案.3、 分包进场 7 日内项目部须向公司工程管理部上报项目承诺书(附件十一)、分包承诺书(附件十一)。4、 工人入场前工作:工人入场花名册(附件一)、安全教育交底、电子版照片、身份证扫描件。5、 工人施工期间工作:考勤数据库(工人考勤实行考勤机打卡方式记录考勤,此方式试点一个月后各项目部开始全面实行)、工资发放记录表(附件二)、工资代领委托书(附件三)、月度工资结算单(附件四).分包拨付工程款时由项目部负责监督发放,对发放真实情况负责 , 并...

1、当您付费下载文档后,您只拥有了使用权限,并不意味着购买了版权,文档只能用于自身使用,不得用于其他商业用途(如 [转卖]进行直接盈利或[编辑后售卖]进行间接盈利)。
2、本站所有内容均由合作方或网友上传,本站不对文档的完整性、权威性及其观点立场正确性做任何保证或承诺!文档内容仅供研究参考,付费前请自行鉴别。
3、如文档内容存在违规,或者侵犯商业秘密、侵犯著作权等,请点击“违规举报”。

碎片内容

劳务工人实名制管理制度

您可能关注的文档

确认删除?
VIP
微信客服
  • 扫码咨询
会员Q群
  • 会员专属群点击这里加入QQ群
客服邮箱
回到顶部